A/C relay and ECM showing voltage on ground

2011 GMC ACADIA
85,000 MILES • 3.6L • 6 CYL • 2WD • AUTOMATIC
Avatar
JWJONES625
  • MEMBER
  • 6 POSTS
My wife has the vehicle listed above Denali and one day her A/C just stopped blowing cold. The AC "snowflake" light was blinking 3 times and checked pressures and found a bad high pressure sensor. Replaced it and blinking light went away. Still the compressor would not kick over. So far I have checked and replaced the following in this order:

Checked Pressures and they were okay.
Replaced the Pressure Sensor
Replaced Ambient Temperature Sensor.
Checked A/C Relay by swapping with Horn relay and confirmed relay is good.
Replaced ECM.
Replaced Interior HVAC module..

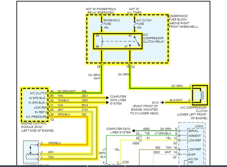
I have found that on the A/C relay there is around 3.3-3.4 volts on the ground (relay coil side) that is coming from the ECM harness plugged into the ECM (X2-44). I figured, maybe a bad ECM. Replaced that and still showing 3.3 volts. My next idea was the HVAC module and replaced that today but still showing 3.3v on the ground at the relay. The compressor will come on and blow cold air if manually jumped so it seems that side is good. I am just completely at a loss as to why this ground is showing voltage. Any ideas on what may be the culprit?

Thanks for any help that can be provided.
Jun 6, 2020 at 9:15 AM
Advertisement
Avatar
ASEMASTER6371
  • CERTIFIED EXPERT
  • 52,796 POSTS
Good afternoon,

The voltage came from the relay, not the ECM.

https://www.2carpros.com/articles/how-to-check-an-electrical-relay-and-wiring-control-circuit

At the relay you should have 2 powers with the key on. One for power to the clutch and one for the control side.

https://www.2carpros.com/articles/how-to-check-wiring

The ECM grounds that wire internally for the relay to energize.

Check the voltage to the relay to be sure there is sufficient power for turning on the compressor.

Roy

Jun 6, 2020 at 12:50 PM
Avatar
JWJONES625
  • MEMBER
  • 6 POSTS
So I removed the relay to check the voltages at the fuse box with the ignition on and here is what I am getting:

Primary Side
Pin 86 - 11.74v
Pin 85 - 3.5v

Secondary Side
Pin 30 - 11.74v
Pin 87 - 0.0v

Based on the wiring diagram on the primary side I am not getting proper voltage to kick on the relay to activate the compressor. But why does the ground for the ECM show 11.74v.

This led me to check the Emission 2 fuse. Fuse looked good. I checked the voltage in the fuse box with the fuse removed. One side I am getting 11.74v and on the other side I am seeing 3.5v. Does this mean my entire fuse box is bad? I did notice that on the Emission 2 fuse when I turn off the ignition, I keep getting the 11.74v and 3.5v at the fuse box until a relay clicks in the fuse box and then then they both read 0v.
Jun 7, 2020 at 7:12 AM
Advertisement
Avatar
ASEMASTER6371
  • CERTIFIED EXPERT
  • 52,796 POSTS
The readings are correct. The 3.5 volts is the ground for the RCM. The ECM provides the ground for the control side of the relay. The voltage is provided by the fuse block, not the ECM. The ECM is a ground and will only ground that pin when all the signals are correct from the switches.

Roy
Jun 7, 2020 at 7:26 AM
Avatar
JWJONES625
  • MEMBER
  • 6 POSTS
Apologies, what is a RCM? I've not heard of that one before. :)

So I'm getting the correct Power to each side of the relay. The nominal 3.5v is normal. Is my problem somewhere with one of the switches that isn't allowing the ground at the ECM? I have replaced the High Pressure Sensor and the Ambient Air. Are there others that could cause this? What would you recommend as far as troubleshooting this further?
Jun 7, 2020 at 8:54 AM
Avatar
ASEMASTER6371
  • CERTIFIED EXPERT
  • 52,796 POSTS
I meant ECM, sorry.

Did you check the voltages at the switches?

That is the next step.

Roy
Jun 7, 2020 at 8:57 AM
Avatar
JWJONES625
  • MEMBER
  • 6 POSTS
How many different switches are there? I will start with checking the High Pressure Sensor. Does the car have to be running to verify it as it is near the fan and very difficult to reach. Don't want to lose a finger!
Jun 7, 2020 at 9:08 AM
Avatar
ASEMASTER6371
  • CERTIFIED EXPERT
  • 52,796 POSTS
3. No, just the key on with the AC commanded on.

The high side should have voltage on both sides. The other switches should as well.

Roy
Jun 7, 2020 at 1:25 PM
Avatar
JWJONES625
  • MEMBER
  • 6 POSTS
So the High Temperature is one switch. Are the others the Ambient Temperature and Evap Temperature sensors? Not quite sure I understand the high side voltage on both sides. What do you mean by that? Apologies, as I am getting much farther in depth with auto wiring than I have ever had to do.
Jun 7, 2020 at 3:15 PM
Avatar
ASEMASTER6371
  • CERTIFIED EXPERT
  • 52,796 POSTS
With the connector attached, you should have 12 volts on both wires. It is a normally close switch.

Roy
Jun 7, 2020 at 3:17 PM
Avatar
JWJONES625
  • MEMBER
  • 6 POSTS
So a grey 5v signal wire and then the other two (orange/black-ac pressure and tan-low ref) have 12 volts with the key on ac button turned on?
Jun 7, 2020 at 3:28 PM
Avatar
ASEMASTER6371
  • CERTIFIED EXPERT
  • 52,796 POSTS
Yes, the grey should have 5 volts. The signal will have 5 volts as well if you can disconnect the connector. Check those voltages.

Roy
Jun 7, 2020 at 3:33 PM
Avatar
PONTGTA
  • MEMBER
  • 1 POST
Did you figure it out? Having the same issue.

I do have p0533, but the pressures are 100 equalized due to the compressor not being on.
May 22, 2022 at 1:56 PM
Avatar
ASEMASTER6371
  • CERTIFIED EXPERT
  • 52,796 POSTS
I have not received a response from him yet to see if it is working.

Roy
May 22, 2022 at 2:17 PM
Avatar
JACOBANDNICKOLAS
  • CERTIFIED EXPERT
  • 110,175 POSTS
Hi,

Is this the same year make and model vehicle? Also, do you have power on ground which would indicate a short to ground? Have you inspected the wiring at the fuse/relay box?

Let me know.

Joe
May 25, 2022 at 7:58 PM
Avatar
SCD918
  • MEMBER
  • 1 POST
Hey JWJONES625
Did you resolve your a/c problem?
I'm having the exact same issue.
Oct 14, 2023 at 6:27 PM
Avatar
STRAILER
  • CERTIFIED EXPERT
  • 53,855 POSTS
"A/C relay and ECM showing voltage on ground" anytime a ground is showing voltage it means the ground is bad. Here is the ground location so you can check it out. Here are the two ground locations so you can check it out. Check out the images (below). Please let us know what happens.

Oct 15, 2023 at 10:01 AM