Good afternoon,
The ABS is a separate system from the regular braking system.
If the light is on, I need the fault code stored.
As far as the wheel locking up, I would check the caliper and the brake hose to make sure the caliper is staying applied after you brake.
https://www.2carpros.com/articles/brake-caliper-replacement
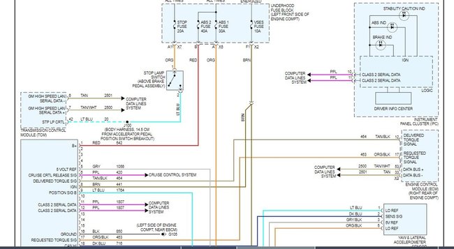
I attached a description, diagram and the brake hose below for you to view.
Roy
Images (Click to enlarge)
Jan 9, 2020 at 2:46 PM