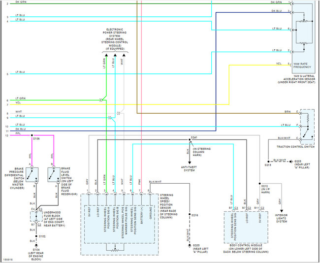
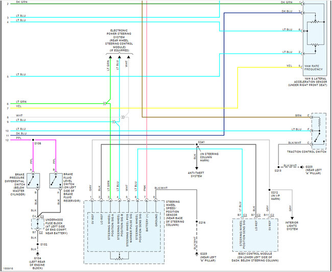
I have an ABS code C0265 / EBCM motor relay circuit code on my vehicle listed above, VIN #1GNEC16Z74J213169. Is it possible to get a circuit schematic from here regarding that code?
Nov 26, 2024 at 12:07 PM



