ABS light on

1998 NISSAN MAXIMA
266,700 MILES • 3.0L • V6 • 2WD • AUTOMATIC
Avatar
JOHNDUBE66
  • MEMBER
  • 22 POSTS
ABS light came on, did 4 wheel removal/inspection of wires and sensor (did not test though). Checked all fuses related under hood and dash, noticed some shavings on inside of wheel when reinstalling but not sure which. Drivers rear doesn’t hold w/E-Brake, both rears are low on pad life. Fluid is up to full. How do I solve this as I failed emissions already and am on a time limit now for repairing? While I know the ABS is not related to the emissions, no test facility will pass me with the dash light on. I am currently working on why the check engine light continues to come on the code it's throwing is a speed sensor A, which I’ve already replaced at the transmission. I fear I need a replacement cluster as all my gauges go haywire and if I smack the dash the odometer reads right and they come back but it continues to go haywire, yes I removed it clean the plug connectors clean the film on the back tightened all the screws to no avail re-soldered solder joints etc. so I’m trying to get each of these problems one by one. Right now it’s the ABS. By the way, you guys have the most awesome videos and I’ve been the greatest helped me in all my years of wrenching. Thank you!
Mar 22, 2020 at 8:42 AM
Advertisement
Avatar
KASEKENNY
  • CERTIFIED EXPERT
  • 18,907 POSTS
Okay. Let's tackle the ABS issue first. You said you have a check engine light on for a wheel speed code? What is that actual code? Also, have you checked what codes are in the ABS module? On this vehicle it may not actually store the codes so the wheel speed sensor code may be the same. Which is why I am asking about it. Most likely if you still have that code then that is the cause of the ABS light as well.

Let's start with which code it actually is and we can go from there because that will give us some things to test.
Mar 22, 2020 at 8:48 AM
Avatar
ASEMASTER6371
  • CERTIFIED EXPERT
  • 52,796 POSTS
Good afternoon,

There is a fault code stored for the system and we need that code to narrow the area of failure.

https://www.2carpros.com/articles/abs-warning-light-on-easy-repair-guide

The sensors are the most common reason for failure but must be verifed. If you check the sensors, check the resistance of each sensor at the connector and there should be 800-1700 ohms.

https://www.2carpros.com/articles/abs-wheel-speed-sensor-test

Roy
Mar 22, 2020 at 8:49 AM
Advertisement
Avatar
JOHNDUBE66
  • MEMBER
  • 22 POSTS
0500, and 0600 are the two codes. Communications link and speed sensor.
Mar 22, 2020 at 2:19 PM
Avatar
ASEMASTER6371
  • CERTIFIED EXPERT
  • 52,796 POSTS
Okay, if you have a scan tool, see if you can read vehicle speed on your scanner.

If you can, it could be the dash cluster that is bad.

If you do not, it could be the sensor itself. This is very common. It is located on the output shaft of the transmission where the axle leaves the transmission to the front wheels.

The 600 is for communication between the TCM and the ECM. Without the VSS signal, this could be the issue.

I would have the 500 done first as the 600 may go away when that is resolved.







Roy

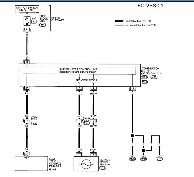
VEHICLE SPEED SENSOR (VSS) (DTC: P0500)
The vehicle speed sensor is installed in the transaxle. It contains a pulse generator which provides a vehicle speed signal to the speedometer. The speedometer then sends a signal to the Engine Control Module (ECM).

600

With Generic Scan Tools
(4)Start engine and raise engine speed to more than 1,000 rpm at once.
(5)Run engine at least 10 seconds at idle speed.
(6)Run engine at least 10 seconds at 2,000 rpm.
(7)Set selector lever in "D" position and run engine at least 10 seconds at idle speed (with vehicle stopped).
(8)Drive vehicle at 12 to 20 km/h (7 to 12 MPH) for at least 10 seconds in "D" position.
(9)Select "Mode 3" with GST.



imageOpen In New TabZoom/Print


Electrical Diagrams



imageOpen In New TabZoom/Print


Circuit Connectors



imageOpen In New TabZoom/Print



DIAGNOSTIC PROCEDURE

Mar 22, 2020 at 2:37 PM
Avatar
JOHNDUBE66
  • MEMBER
  • 22 POSTS
I have already replaced the speed sensor at the transmission, only 4 wheel sensors left correct?
Mar 22, 2020 at 2:50 PM
Avatar
ASEMASTER6371
  • CERTIFIED EXPERT
  • 52,796 POSTS
Yes, but they need to be tested to verify they have failed.

Did you check to see if the vehicle speed was present in the ECM while driving?

Check the sensor for resistance. They should have 800-1700 ohms at the connector.

I posted the guide on how to check them.



Roy
Mar 22, 2020 at 2:56 PM
Avatar
JOHNDUBE66
  • MEMBER
  • 22 POSTS
Also, I’m clueless “how” to check ECM for VS while driving. (That’s under the left of middle console?)
Mar 23, 2020 at 4:50 AM
Avatar
ASEMASTER6371
  • CERTIFIED EXPERT
  • 52,796 POSTS
That is why you need a scan tool. It will read vehicle speed on live data. Most code readers will not read live data. You need a real scan tool that has the capability of reading all the data needed to determine signals.

You can but one, but they can get very pricey. They run from about $500.00 to $2,500.00.

Roy
Mar 23, 2020 at 5:14 AM
Avatar
JOHNDUBE66
  • MEMBER
  • 22 POSTS
Thank you for the much needed information. Well, I cannot afford a scan tool like that as I am not a mechanic by trade anymore. I can still do the other testing that you requested. I will let you know my results and we will go from there. thank you again.
Mar 23, 2020 at 6:52 AM
Avatar
ASEMASTER6371
  • CERTIFIED EXPERT
  • 52,796 POSTS
You are welcome.

We are always glad to help.

Roy
Mar 23, 2020 at 6:54 AM
Avatar
JOHNDUBE66
  • MEMBER
  • 22 POSTS
Not to change subjects but I had to do a water pump when I got home from work today because I’m spraying fluid out of my overflow tank. so I did that, but my right side fan still does not come on only the left side.I thought they should always work together at all times. so now I’m thinking I have a bad temperature sensor?
Mar 24, 2020 at 12:41 PM
Avatar
ASEMASTER6371
  • CERTIFIED EXPERT
  • 52,796 POSTS
Okay, by site rules, we can only help with one issue at a time.

If you could go back to the beginning and start a new question, we will be happy to help you with this issue.

Roy
Mar 24, 2020 at 12:44 PM
Avatar
JOHNDUBE66
  • MEMBER
  • 22 POSTS
Okay,I understand that perfectly. I just unplug the sensor connector at the drivers rear wheel and tested it to connections while my son spun the wheel I got 415 a C volts.
Mar 24, 2020 at 3:03 PM
Avatar
JOHNDUBE66
  • MEMBER
  • 22 POSTS
Spun wheel=415 ac volts at lr sensor.
Mar 24, 2020 at 3:04 PM
Avatar
JOHNDUBE66
  • MEMBER
  • 22 POSTS
Actually it went up to 460 and then drop down as the wheel slowed.
Mar 24, 2020 at 3:05 PM
Avatar
ASEMASTER6371
  • CERTIFIED EXPERT
  • 52,796 POSTS
Okay, but I asked you to check ohms. You need 800-1700 ohms on the sensors.

The AC voltage is good, there is no specific value for voltage as it just needs to produce the AC voltage.

Roy
Mar 24, 2020 at 3:18 PM
Avatar
JOHNDUBE66
  • MEMBER
  • 22 POSTS
I’m sorry, doing too many things at once today. I will not have the opportunity to work on this car again for a few days if it’s okay I will pick up with you then where we left off and I will retest in arms as requested.
Mar 24, 2020 at 3:36 PM
Avatar
JOHNDUBE66
  • MEMBER
  • 22 POSTS
Ohms
Mar 24, 2020 at 3:36 PM
Avatar
ASEMASTER6371
  • CERTIFIED EXPERT
  • 52,796 POSTS
Not a problem at all. We will be here for you when you complete your testing.

Roy
Mar 24, 2020 at 3:39 PM
Avatar
JOHNDUBE66
  • MEMBER
  • 22 POSTS
You guys are a Godsend. Never been happier w/and advice line.
Mar 24, 2020 at 3:44 PM
Avatar
ASEMASTER6371
  • CERTIFIED EXPERT
  • 52,796 POSTS
Thank you for the kind words. We are here to help and all of us are glad to help.

Roy
Mar 24, 2020 at 3:46 PM
Avatar
JOHNDUBE66
  • MEMBER
  • 22 POSTS
Okay, the rears tested out around 690 ohms the right front test it out at 1300 almost 1400 ohms and the driver side is 1660 ohms.What is my next step now?
Apr 7, 2020 at 3:38 PM
Avatar
JOHNDUBE66
  • MEMBER
  • 22 POSTS
My rear speed sensors or break sensors test it out at 690 ohms my right front sensor tested out at 1300 ohms and my left front sensor tested out at 1600. so are any of the sensor is bad? I’m trying to chase this ABS light.
Apr 7, 2020 at 6:25 PM
Avatar
JOHNDUBE66
  • MEMBER
  • 22 POSTS
I thought I was dealing with someone else previously but it’s a 1998 Maxima SE.
Apr 7, 2020 at 6:26 PM
Avatar
JOHNDUBE66
  • MEMBER
  • 22 POSTS
I was told 7 to 1300 ohms was acceptable.
Apr 7, 2020 at 6:27 PM
Avatar
ASEMASTER6371
  • CERTIFIED EXPERT
  • 52,796 POSTS
Okay, the next step is to get the actual ABS codes. You need to have them checked. Ask the parts stores if they have a scan tool that can read ABS system. A lot of them only read engine codes.

Did you fix the 500 code for the speedometer?

Roy
Apr 8, 2020 at 3:49 AM
Avatar
JOHNDUBE66
  • MEMBER
  • 22 POSTS
No, speedometer works fine until warm. then all gauges go haywire (tachometer and speedometer stick in position while the temperature in fuel peg full). Speed sensor new on transmission.
Apr 8, 2020 at 4:00 AM
Avatar
ASEMASTER6371
  • CERTIFIED EXPERT
  • 52,796 POSTS
Okay, back to the ABS codes. I need those codes that are set to narrow the area of failure.

Roy
Apr 8, 2020 at 4:13 AM
Avatar
JOHNDUBE66
  • MEMBER
  • 22 POSTS
I’m on it. thank you very much out of work at one today at the part store by 1:15.
Apr 8, 2020 at 4:43 AM
Avatar
ASEMASTER6371
  • CERTIFIED EXPERT
  • 52,796 POSTS
Sounds good. We will be here.

Roy
Apr 8, 2020 at 4:47 AM
Avatar
JOHNDUBE66
  • MEMBER
  • 22 POSTS
Cannot find any parts store with abs scanner. All recommend shop/diagnostic charge. Going to research pulling codes by hand counting flashes while shorting obd plug.
Apr 11, 2020 at 2:50 AM
Avatar
KASEKENNY
  • CERTIFIED EXPERT
  • 18,907 POSTS
Just to jump in but it looks like you can pull check engine light DTCs this way but I don't see a way for the ABS system. I could be wrong but I don't see it in the manual.
Apr 11, 2020 at 8:09 AM
Avatar
JOHNDUBE66
  • MEMBER
  • 22 POSTS
In all honesty I didn’t look it up for a Maxima yet I did for my wife’s Honda Odyssey and it showed me the bottom middle pin in the top right I think number nine, but again that’s for a Honda that’ll make the ABS light flash.
Apr 11, 2020 at 10:03 AM
Avatar
STRAILER
  • CERTIFIED EXPERT
  • 53,855 POSTS
This video should help you:

https://youtu.be/rTtAnsOlZU4

Please run down this guide and report back.
Apr 11, 2020 at 1:36 PM
Avatar
JOHNDUBE66
  • MEMBER
  • 22 POSTS
Okay.
Apr 11, 2020 at 1:54 PM
Avatar
JOHNDUBE66
  • MEMBER
  • 22 POSTS
Just an update: I do have a cheap scan tool and I scan my check engine light after clearing it to get fresh codes I got a whole 500 speed sensor. which I’ve already installed new on the transmission I got a 600 communication with the computer? And I got 1400 EGR.
Apr 11, 2020 at 3:21 PM
Avatar
ASEMASTER6371
  • CERTIFIED EXPERT
  • 52,796 POSTS
Okay, I attached a wiring diagram of the speedometer system. The wires go directly to the speedometer and is decoded in the speedometer head itself.

You need a scope to check the actual signal to see if it is coming from the sensor. If you replaced the sensor, it could be wiring from the sensor to the speedometer or the speedometer head itself.

The 600 is a communication issue between the ECM and the TCM. This will not effect the ABS.

Roy
Apr 11, 2020 at 3:55 PM