Hello! I have many lights illuminated on the dash such as ABS, ESP BAS, traction, hand brake.
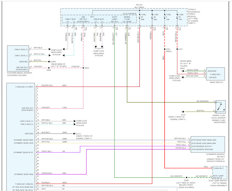
I would like to start diagnosing the problem by checking inputs and outputs on the ABS module but i don’t have a wiring diagram. I could only find ECM diagram.
Let me know how you would tackle such a problem.
Thank you
I would like to start diagnosing the problem by checking inputs and outputs on the ABS module but i don’t have a wiring diagram. I could only find ECM diagram.
Let me know how you would tackle such a problem.
Thank you
Oct 20, 2023 at 5:46 AM

