When I replace the ABS electronic brake module. Is it plug and play?

2006 GMC YUKON
50,000 MILES • 5.3L • V8 • 4WD • AUTOMATIC
Avatar
JOHNGROOM
  • MEMBER
  • 1 POST
When I replace the ABS electronic brake module. Is it plug and play? Or does it need to be programmed to my vehicle? Your video doesn’t mention anything about programming.
Apr 24, 2019 at 8:44 PM
Advertisement
Avatar
JACOBANDNICKOLAS
  • CERTIFIED EXPERT
  • 110,175 POSTS
Welcome to 2CarPros.

If you are replacing it with a new one, it needs programmed.

Here are the directions for removal and replacement with a video

https://youtu.be/lUotkKXG9dY

____________________________

ELECTRONIC BRAKE CONTROL MODULE REPLACEMENT (W/JL4)
Electronic Brake Control Module Replacement (w/JL4)
Removal Procedure

Caution: Refer to Battery Disconnect Caution.

Important: After installation, calibrate the new electronic brake control module (EBCM) to the tire size that is appropriate to the vehicle.

1. Disconnect the negative battery cable.
2. Raise and suitably support the vehicle.


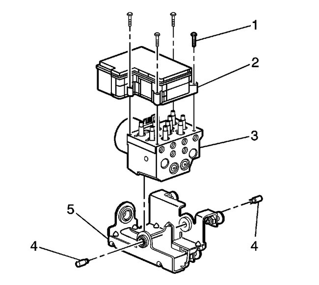
picture 1


3. Important: The area around the electronic hydraulic control unit (EHCU) MUST be free from loose dirt to prevent contamination of disassembled ABS components.

Thoroughly wash all contaminants from around the EHCU.
4. Remove the mounting screws (1) that fasten the EBCM (2) to the brake pressure modulator valve (BPMV) (3).


picture 2


5. Remove the EBCM from the BPMV. Removal may require a light amount of force.
6. Remove the EBCM from the vehicle.
7. Clean the BPMV to EBCM mounting surfaces with a clean cloth.

Installation Procedure


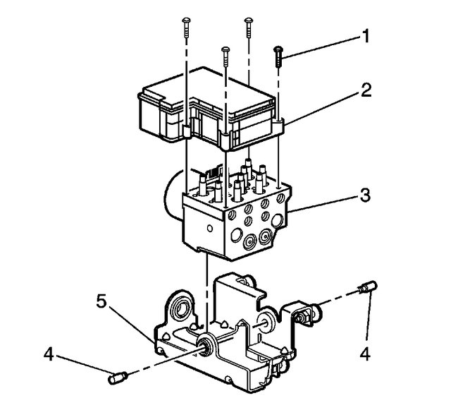
picture 2


1. Important:
^ Do not reuse the old mounting screws. Always install new mounting screws with the new EBCM.
^ Do not use RTV or any other type of sealant on the EBCM gasket or mating surfaces.

Install the EBCM to the BPMV.


picture 1


2. Notice: Refer to Fastener Notice.

Install the new EBCM screws (1).
Tighten the screws to 5 Nm (39 inch lbs.) in an X-pattern.
3. Lower the vehicle.
4. Connect the negative battery cable.
5. If a new EBCM was installed, the EBCM must be programmed.
6. Turn the ignition to the ON position. DO NOT start the engine.
7. Perform the Diagnostic System Check - Vehicle. See: A L L Diagnostic Trouble Codes ( DTC ) > Testing and Inspection

____________________________________

Here is programming and setup information.



ELECTRONIC BRAKE CONTROL MODULE PROGRAMMING AND SETUP
ELECTRONIC BRAKE CONTROL MODULE PROGRAMMING AND SETUP

Antilock Brake Control Module
Revise the tire calibration using the Scan Tool Tire Size calibration function.

__________________________________

Let me know if this is what you needed.

Take care,
Joe
Apr 25, 2019 at 5:46 PM