☰
Login
Join
×
Home
Answered Questions
Repair Topics
Repair & Service Guides
Popular Questions
Warning Lights
Trouble Codes
How It Works
Testing / Diagnostics
Symptoms
Videos
Login
Become a Member
Home
Chevrolet
Camaro
Climate Control
Air Conditioner
Blows Hot
A/C blowing hot air
2011 CHEVROLET CAMARO
159,000 MILES • 3 CYL • AUTOMATIC
CHENYRIA
MEMBER
1 POST
FOLLOW
I went to a mechanic and had my compressor replaced but the A/C still blows hot. He said it’s a bad wiring, I’m skeptical? What should I do?
Jun 10, 2020 at 12:34 PM
Advertisement
ASEMASTER6371
CERTIFIED EXPERT
52,796 POSTS
Good afternoon,
Did you get a second opinion?
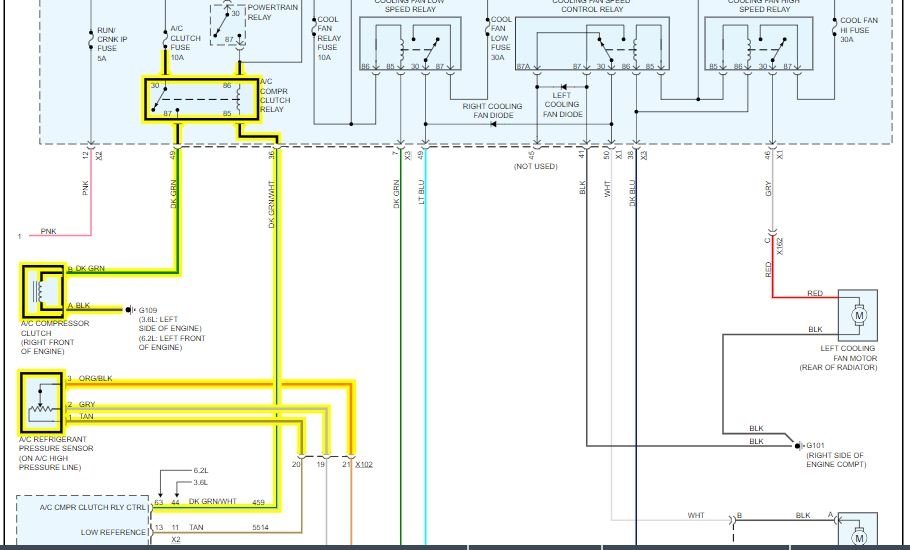
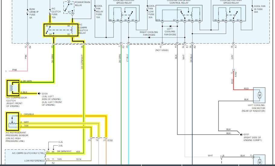
I attached a wiring diagram for you to view. Do you have a voltmeter to do some checks?
https://www.2carpros.com/articles/how-to-check-wiring
Do you have gauges to give me the high and low side pressures?
https://www.2carpros.com/articles/car-air-conditioner-not-working-or-is-weak
Roy
Images (Click to enlarge)
Jun 10, 2020 at 1:31 PM