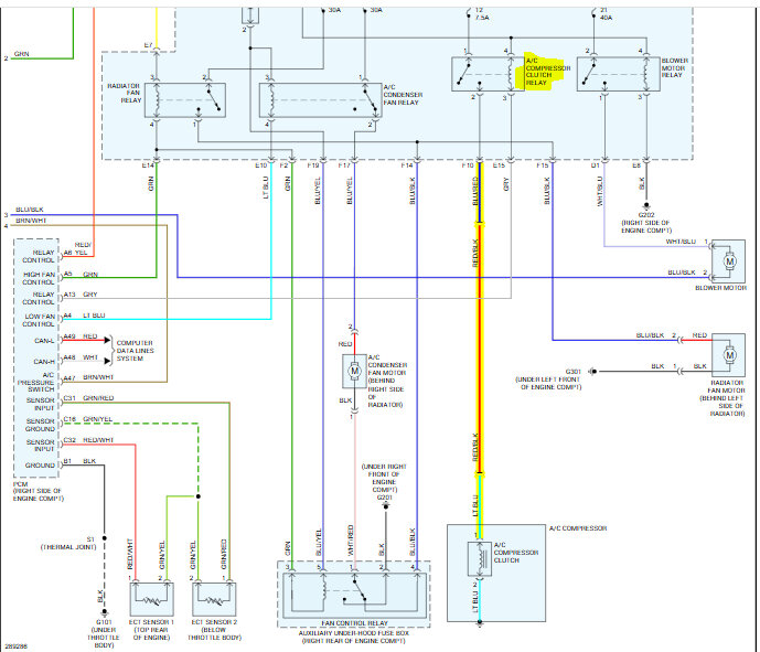
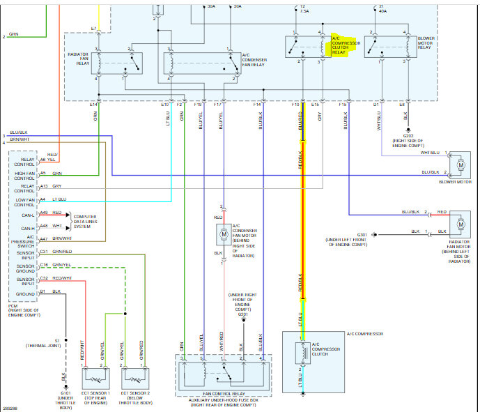
Clutch for compressor will not engage. jumped across #1 and #4 of pressure switch. The compressor clutch kicked in. I have a full charge of r-134a (48 psi low side...195 psi high side... about 80 degrees F). Purchased a new switch. Replacement required evacuating system. Installed switch. During recharge, Clutch intermittently stopped and would not reengage. Jumped across terminals #1 and #4 again. Still did not engage. Shut engine off and gave it some time to settle. Came back, started car and turned on a/c. Clutch engaged. Continued with charging. Made it to 42psi/185psi and clutch stopped again. Jumping switch made no difference. BTW, condenser and radiator fans ran constantly. Shouldn't these pressures be sufficient ton operate system?
Apr 22, 2025 at 2:13 PM

