A/C compressor relay not working

2003 CHEVROLET 1500
167,000 MILES • 5.3L • V8 • 4WD • AUTOMATIC
Avatar
HD2424
  • MEMBER
  • 191 POSTS
I have the truck listed above A/C compressor not coming on. I know that on relay the following:

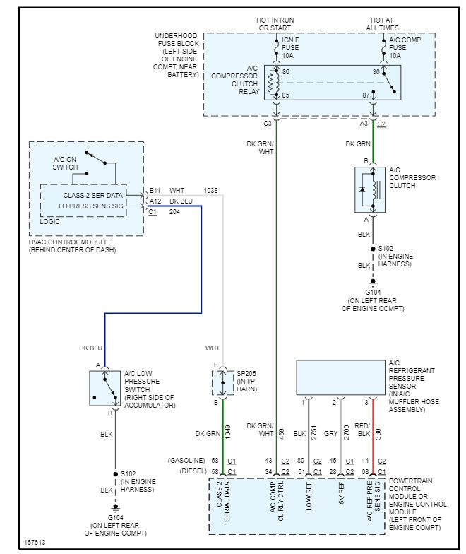
Pin 86 has power key on
Pin 30 no power
Pin 85 no ground from ECM
Pin 87 no power to compressor

I did get the compressor to come on by jumping pin 30 with power and grounding pin 85

My question is, what is likely the problem? The fuse box underhood could it be a burnt wire under there? Or a burnt wire coming from ECU to relay? If I run a wire to a toggle switch in place of ECU ground will the compressor still cycle on and off? I also noticed no power to high pressure switch and no power to no power to low pressure switch. I have ground on both.
What sends power to high and low switches?
Jun 16, 2021 at 10:12 AM
Advertisement
Avatar
KASEKENNY
  • CERTIFIED EXPERT
  • 18,907 POSTS
Let's start with the relay issue because I suspect that will solve all the issues including the switch issue.

Take a look at the wiring diagram below. You will see that you have a fuse that is responsible for sending power to pin 30. If you have to put 12 volts to 30 then that fuse is most likely the issue.

However, the way this works is power is supplied to pin 30 and 86 from the fuses.

Then the PCM grounds the relay on pin 85 which then closes the relay and sends the power from pin 30 to 87 and then the compressor and then to ground.

https://www.2carpros.com/articles/how-to-check-an-electrical-relay-and-wiring-control-circuit

So if we have no power to pin 30 we need to check that fuse. Then we need to address the no ground from the PCM. That could be a switch issue but we need to find out how you tested it.

You need to put your red meter lead or test light clip on battery positive. Then touch the other lead to pin 85 and turn the engine and A/C on. The light should come on or read 12 volts. If it does not then we have another issue.

Let's start with checking the fuse and going from there. Thanks
Jun 17, 2021 at 6:01 PM
Avatar
HD2424
  • MEMBER
  • 191 POSTS
Okay, thanks. I’ll check that and get back to you what I find.
Jun 18, 2021 at 1:15 PM
Advertisement
Avatar
KASEKENNY
  • CERTIFIED EXPERT
  • 18,907 POSTS
Sounds great. We are here when you get back to it. Thanks for the update.
Jun 19, 2021 at 7:14 PM
Avatar
HD2424
  • MEMBER
  • 191 POSTS
Greetings. I put test light on pin 85 started truck and pushed A/C button on and test light did not light up. The A/C compressor fuse lights up test light and ing e fuse as well. Also I have a remanufactured ECU that has been tested and updated. How can the fuse show good but not sending power to relay? Thanks a million for the help.
Jun 21, 2021 at 6:21 AM
Avatar
HD2424
  • MEMBER
  • 191 POSTS
I also tested continuity from pin 43 on ecu plug to pin on fuse box and it had continuity.
Jun 21, 2021 at 6:27 AM
Avatar
KASEKENNY
  • CERTIFIED EXPERT
  • 18,907 POSTS
Can we take a step back and clarify how you tested pin 85? I assume the relay was removed.

If it was then did you put your test light clip on ground or battery positive?

This terminal is a PCM controlled ground. So the way this works is the IGN E fuse supplies 12 volts to pin 86. However, this is an open circuit until the PCM supplies the ground to pin 85.

So to test this you need to put your test light clip on battery positive and then touch the probe to terminal 85. Then start the engine and turn the AC on.

This will test the PCM's ability to ground the circuit.

Then when the PCM grounds this circuit it energizes the relay and it pulls the switch closed and it sends power from terminal 30 to 87 which turns the compressor on.
Jun 21, 2021 at 8:09 PM
Avatar
HD2424
  • MEMBER
  • 191 POSTS
Okay, I’ll recheck like that and I’ll let you know. thanks
Jun 21, 2021 at 8:13 PM
Avatar
KASEKENNY
  • CERTIFIED EXPERT
  • 18,907 POSTS
Okay, great. Thanks. Please let me know if you have questions when doing it. We can work through any issues. Thanks
Jun 22, 2021 at 7:42 PM
Avatar
HD2424
  • MEMBER
  • 191 POSTS
Good morning,

I finally got a chance to test relay. Last night I removed relay put clip on positive battery cable other end to pin 85 on relay turned on ac and started truck and test light came on so pcm was providing ground. I come out this morning and recheck to verify and of course the test light does not light. The ac control inside truck are manual controls and the ac button would not stay lit. That’s only thing I can think of why it’s not providing ground.

Have power fuses ing e and ac fuse. Please let me know what you think.

Thanks for the help.
Jun 29, 2021 at 4:53 AM
Avatar
HD2424
  • MEMBER
  • 191 POSTS
Also before it would take a couple of pushes on A/C button before it would stay lit. It’s not staying lit now.
Jun 29, 2021 at 5:02 AM
Avatar
HD2424
  • MEMBER
  • 191 POSTS
This whole problem started when I had evacuated the system got it down to -30. I started adding the Freon and after the second can compressor did not come on. I checked orfice tube and it was not blocked. The system is empty now.
Jun 29, 2021 at 6:33 AM
Avatar
HD2424
  • MEMBER
  • 191 POSTS
If I jump 87 and 30 compressor clicks on.
Jun 29, 2021 at 6:58 AM
Avatar
HD2424
  • MEMBER
  • 191 POSTS
Okay, I did some more testing. I took the black plug off back of fuse box and the green wire with white strip I’m sure is the PCM wire that is supposed to supply ground to relay. I touched it with test light and it had no ground but had power. I have a test light that has a red plug and a black plug to connect to battery. When testing if light is red that’s positive and green if negative. Checked 3 times and had power. The green wire on back of plug I assume is wire to compressor had no power.
Jun 29, 2021 at 8:16 AM
Avatar
HD2424
  • MEMBER
  • 191 POSTS
I checked green wire with white stripe and nothing coming from ECM it just power coming from fuse box.
Jun 29, 2021 at 11:01 AM
Avatar
KASEKENNY
  • CERTIFIED EXPERT
  • 18,907 POSTS
Okay. Let's pause for a minute. The system is empty now and this is when you were testing if the PCM was grounding the relay?

If that is the case then that is expected as the pressure sensor will tell the PCM not to ground the relay and turn the compressor on as the pressure is too high or low.

If this is the case, then we need to refill the system with the proper amount of freon. You need to jump the relay to get the compressor to start pulling in freon once the can will not fill it any more.

https://www.2carpros.com/articles/air-conditioner-how-to-add-freon

Please let me know if I have this wrong. Thanks
Jun 30, 2021 at 6:50 PM
Avatar
HD2424
  • MEMBER
  • 191 POSTS
Okay, great. I’ll try that. I also found the switch on A/C drier is bad. I’m things once I change that and jump A/C relay it should work.

Thanks for all your help.


Jul 1, 2021 at 5:58 AM
Avatar
HD2424
  • MEMBER
  • 191 POSTS
You are correct.
Jul 1, 2021 at 6:13 AM
Avatar
KASEKENNY
  • CERTIFIED EXPERT
  • 18,907 POSTS
Okay, great. Yes, if it is empty and that switch is faulty then that is where we need to start and retest it.

Please let us know what you find with this and we can go from there. Thanks
Jul 1, 2021 at 7:13 PM
Avatar
HD2424
  • MEMBER
  • 191 POSTS
Okay, thanks.
Jul 1, 2021 at 7:14 PM
Avatar
HD2424
  • MEMBER
  • 191 POSTS
Thanks for all your help. got it working.
Jul 13, 2021 at 5:50 AM
Avatar
KASEKENNY
  • CERTIFIED EXPERT
  • 18,907 POSTS
That is great. Thanks for the update. Do you mind giving us a couple sentences of what happened to get it working?

That info will surely help others in the future that read this. Either way, thanks for using 2CarPros and come back in the future. Thanks
Jul 13, 2021 at 2:07 PM
Avatar
HD2424
  • MEMBER
  • 191 POSTS
It was the low pressure switch tested it and it was bad. also the A/C wire harness pigtail was worn out changed that. I now have 34 degree air at the vents.
Jul 14, 2021 at 4:58 AM
Avatar
KASEKENNY
  • CERTIFIED EXPERT
  • 18,907 POSTS
That is great info. Thanks for doing that. We really appreciate knowing what fixes things because others will benefit from it.

Thanks again for using 2CarPros.
Jul 14, 2021 at 4:03 PM
Avatar
HD2424
  • MEMBER
  • 191 POSTS
No problem.
Jul 14, 2021 at 4:04 PM
Avatar
HD2424
  • MEMBER
  • 191 POSTS
Found problem, shorted A/C wire.
Apr 1, 2022 at 3:35 AM
Avatar
KASEKENNY
  • CERTIFIED EXPERT
  • 18,907 POSTS
Oh wow. That is great and thanks for coming back to update us as I am sure that info will help others in the future.

Thanks
Apr 2, 2022 at 10:03 AM
Avatar
HD2424
  • MEMBER
  • 191 POSTS
Update: The A/C fuse keeps blowing. I put a test light on the ground wire on the plug going to the compressor and it lights so I have ground from PCM. When I check for power, I have no power. I jump the relay then I get power on A/C plug.

I’m going to ohm out compressor to see if clutch is bad. But could a bad low pressure switch cause fuse to trip or most likely the compressor is bad?
May 8, 2022 at 3:15 PM
Avatar
KASEKENNY
  • CERTIFIED EXPERT
  • 18,907 POSTS
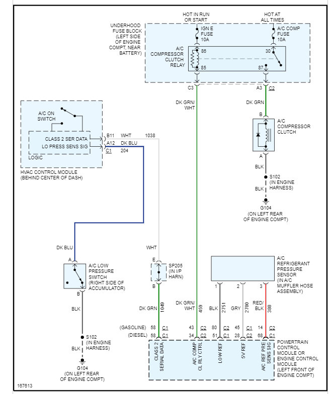
Okay. Just to be sure, you are getting the A/C compressor fuse (shown in the diagram below) blowing?

If this is the fuse that is blowing then yes, it is the compressor. If you look at this circuit, then the compressor/relay is the only thing on it.

So, unless the relay is shorted to ground (unlikely) then the compressor is the only thing on the circuit that can cause this. Basically, what is happening is you have a path to ground prior to the load on this circuit which is the compressor. So that is the clutch as you stated is shorted.
May 8, 2022 at 6:36 PM
Avatar
HD2424
  • MEMBER
  • 191 POSTS
Yes, it’s the A/C fuse 10 amp that keeps blowing.
May 8, 2022 at 8:55 PM
Avatar
HD2424
  • MEMBER
  • 191 POSTS
I’ll update after I ohm out the compressor I I believe 2 to 5 ohms is a good compressor is that correct?
May 8, 2022 at 8:58 PM
Avatar
KASEKENNY
  • CERTIFIED EXPERT
  • 18,907 POSTS
This is going to vary based on temperature. But the coil of a compressor is normally around 3.5 ohms when in a shop that is around 75 degrees F. So, you are in the ballpark.
May 9, 2022 at 4:36 AM
Avatar
GUNSHINE42089
  • MEMBER
  • 5 POSTS
Hi, sorry to bring up an old thread but I'm having a similar issue on an 06 chevy Express 2500 4.8. Is the diagram you listed at the beginning the same for mine? I'm not getting ground on pin 85 of the relay and jumped the low pressure switch and nothing. I suspect the control head but I see there is a second pressure switch. So 1 where is the 2nd switch and 2 how do I test it. Thank you in advance.
Dec 17, 2022 at 12:55 PM
Avatar
STRAILER
  • CERTIFIED EXPERT
  • 53,855 POSTS
No, the wiring diagrams are for a truck not the van can you please start a new question, and we will be happy to help you. Please post your new question here, you must be logged in.

https://www.2carpros.com/questions/new

Cheers, Ken
Dec 20, 2022 at 10:39 AM
Avatar
RB95
  • MEMBER
  • 4 POSTS
Hello! I have the same exact issue HD2424 had at first. I have a 2002 5.3L gmc Sierra 1500 5 Speed. Compressor runs when jumped at the relay. All sensors are bypassed. Freon is adequate.

Probing AC Relay pin 85 shows an Intermittent Ground from the PCM. It works when i drive down the highway. It works when i first crank the engine. But when i put the truck in gear and roll it, the ground immediately goes away. The compressor will kick on, drop RPMs, then immediately kick off. I can watch the GND come in and out from pin 85
Aug 11, 2023 at 12:49 AM