Where is the A/C evaporator temperature sensor located?

1999 FORD COUGAR
280,000 MILES • 2.0L • 4 CYL • 2WD • MANUAL
Avatar
WISH30
  • MEMBER
  • 124 POSTS
Dears, due to my lot of A/C problems (occasionally short cycling) I would like to test the temperature sensor of the evaporator. As I can read on lot of Google results it is usually on most vehicles on the right (passenger) side and is reachable after removing glove box. But after done that today, I found only a plastic square device connected with multiwire connector and after removing it I saw that it has only a small plastic axle that gave me a conclusion it is some step motor or similar like that. Do you have some diagram or knowledge of where is the location of that sensor?
Oct 16, 2023 at 3:29 AM
Advertisement
Avatar
STRAILER
  • CERTIFIED EXPERT
  • 53,855 POSTS
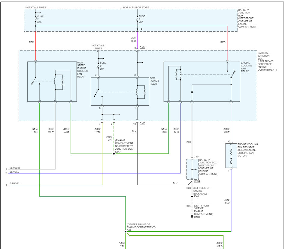
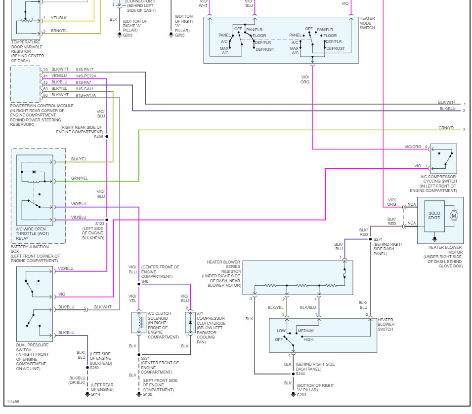
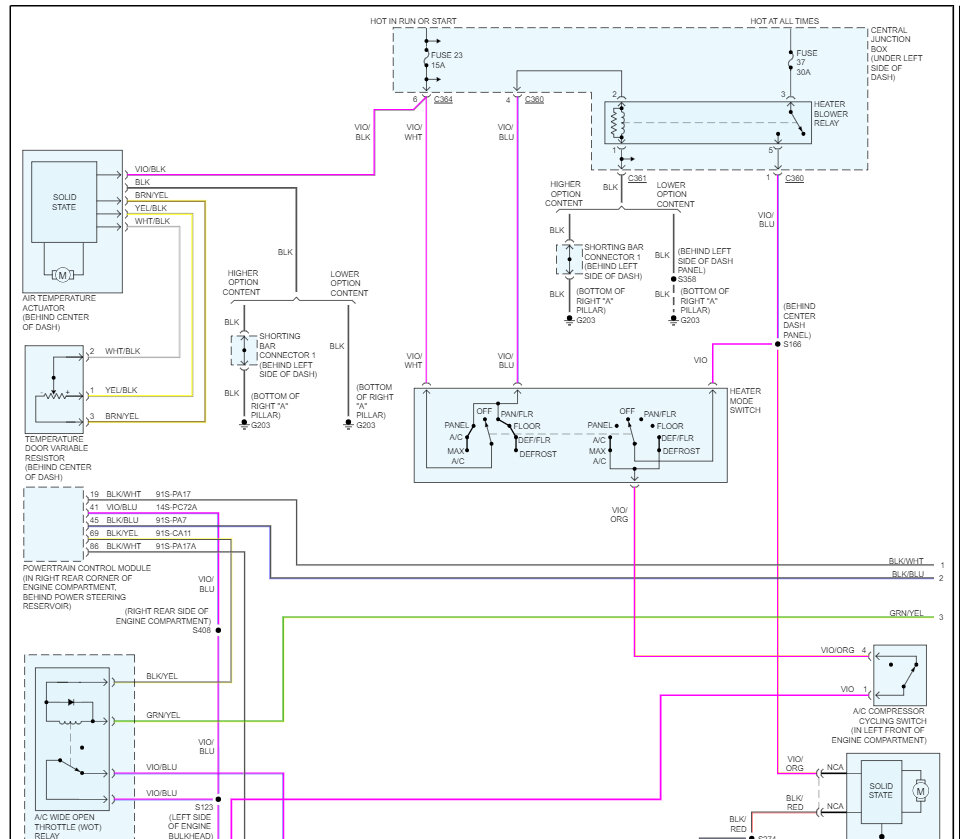
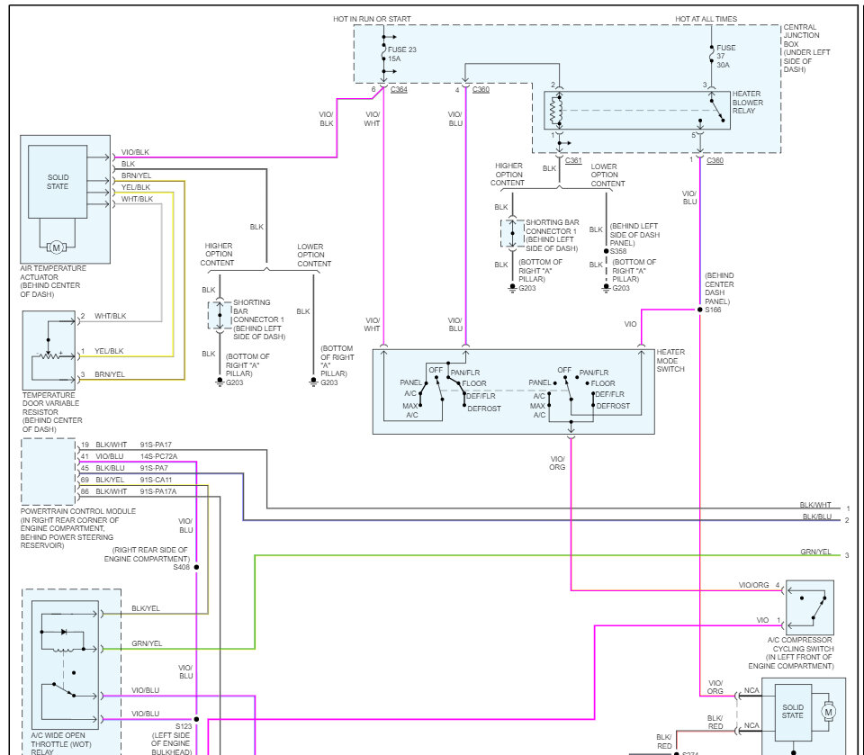
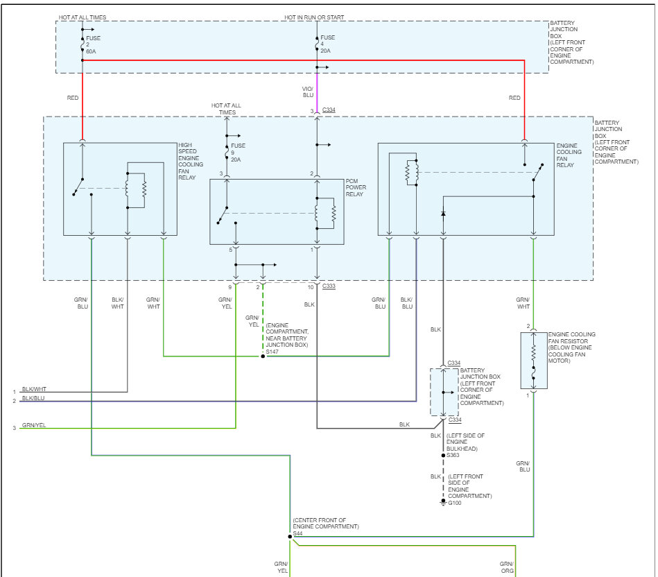
This car does not have an evaporator temperature sensor. Here are the A/C wiring diagrams so you can see for yourself. Check out the images (below). Please let us know what happens.
Oct 16, 2023 at 10:47 AM
Avatar
WISH30
  • MEMBER
  • 124 POSTS
What prevents the evaporator core of freezing?
Oct 16, 2023 at 10:49 AM
Advertisement
Avatar
STRAILER
  • CERTIFIED EXPERT
  • 53,855 POSTS
They just use the high and low side pressures to regulate the temperature.
Oct 17, 2023 at 9:15 AM