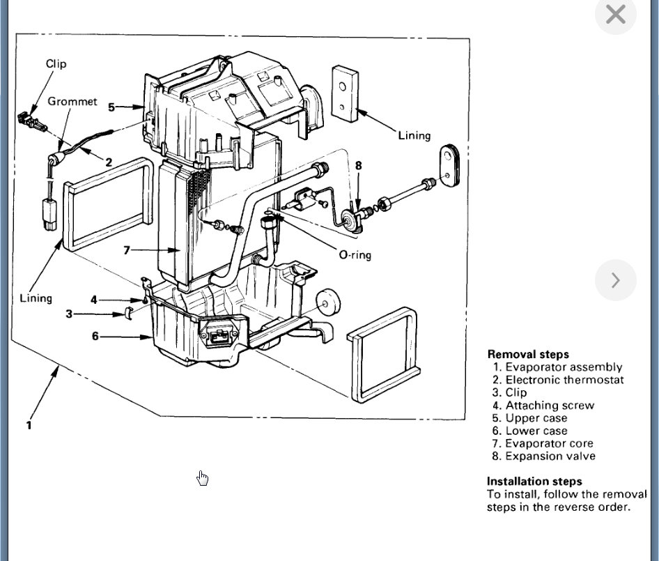
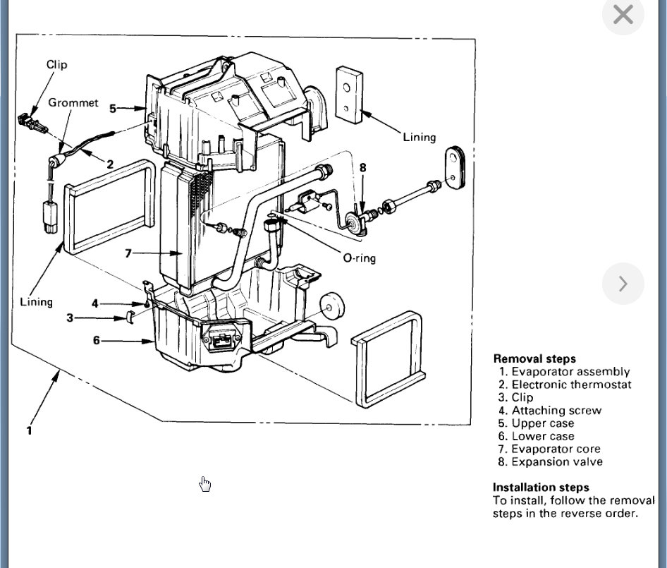
A/C Expansion valve location

1997 ISUZU RODEO
200,000 MILES • 3.2L • 4WD
Avatar
ZIMMSUSIE
  • MEMBER
  • 8 POSTS
Just got the A/C compressor, and the dryer changed out. I am not able to locate the expansion valve. If I could get the location and what I need to do to access it that would be awesome. Thanks
Jun 13, 2020 at 4:44 PM
Advertisement
Avatar
KASEKENNY
  • CERTIFIED EXPERT
  • 18,907 POSTS
I attached all the requested info. Let us know if you need more info. Thanks
Jun 13, 2020 at 4:55 PM
Avatar
ZIMMSUSIE
  • MEMBER
  • 8 POSTS
Since I wasnt sure where it was located I started behind the glove box and there it was. Thank you for the diagrams!
Jun 19, 2020 at 1:24 PM
Advertisement