A/C compressor is working, but air is not reaching the vents

2015 CHEVROLET SPARK
160,000 MILES
Avatar
KDEERING
  • MEMBER
  • 2 POSTS
i am having issues with the car listed above's air conditioning. the compressor is working. but air is not reaching the vents. i have replaced the blower motor and no change. the control panel all lights are lighting up.
Jun 26, 2019 at 1:39 PM
Advertisement
Avatar
ASEMASTER6371
  • CERTIFIED EXPERT
  • 52,796 POSTS
Good afternoon,

Do you hear the blower motor working?

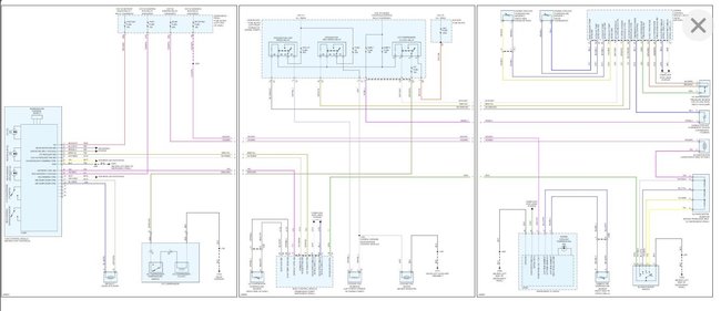
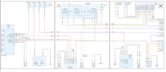
I attached a wiring diagram for you to view. Check for power to the blower motor with a test light or voltmeter.



Roy
Jun 26, 2019 at 2:09 PM
Avatar
KDEERING
  • MEMBER
  • 2 POSTS
it might take me a day or so to get the information back to you. or to find someone who knows how to use one of those. ( i do not) will get back with you.
Jun 26, 2019 at 2:23 PM
Advertisement
Avatar
ASEMASTER6371
  • CERTIFIED EXPERT
  • 52,796 POSTS
Sounds good. We will be here for you.

Roy
Jun 26, 2019 at 2:25 PM