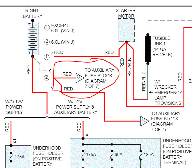
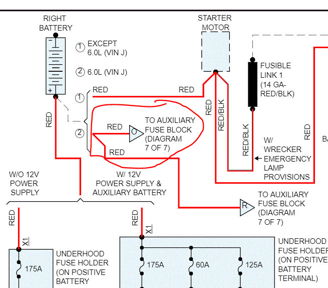
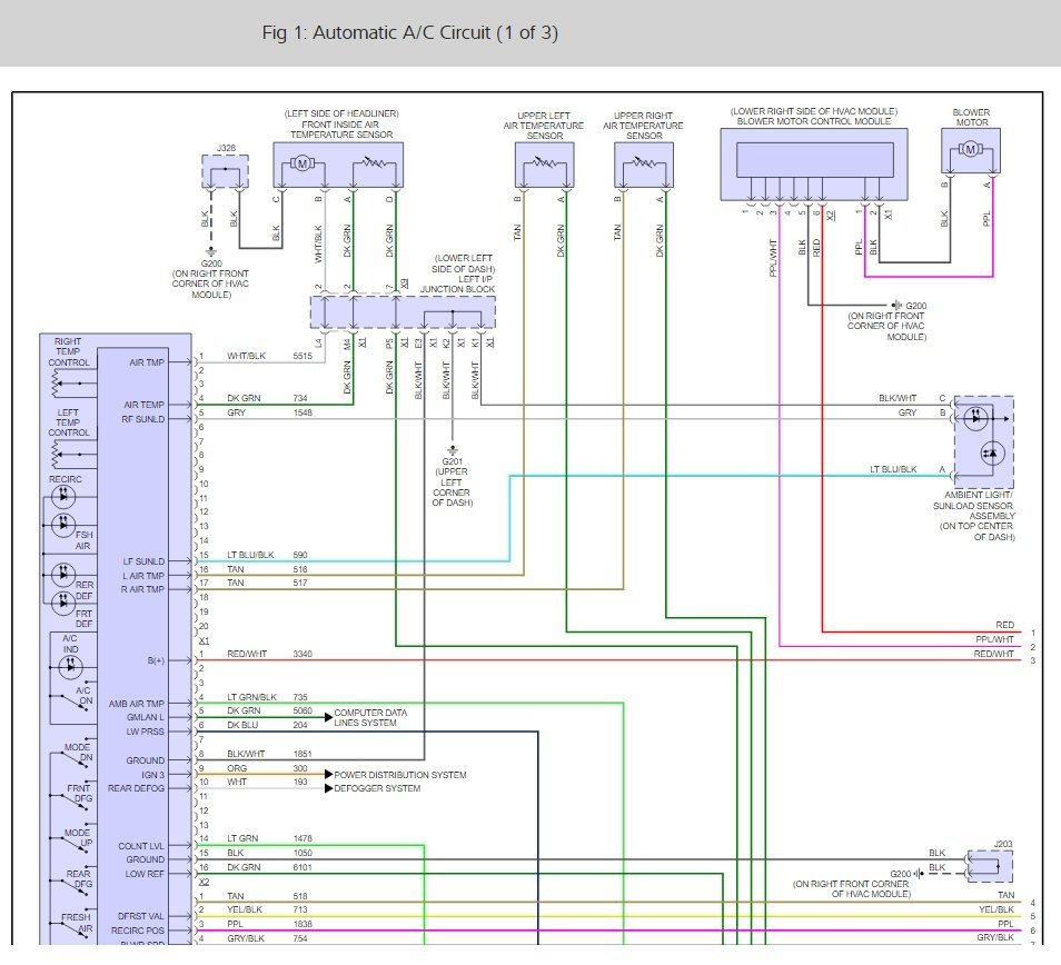
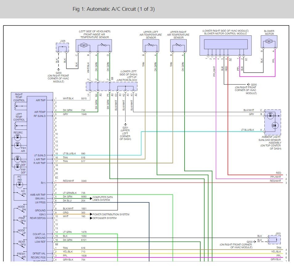
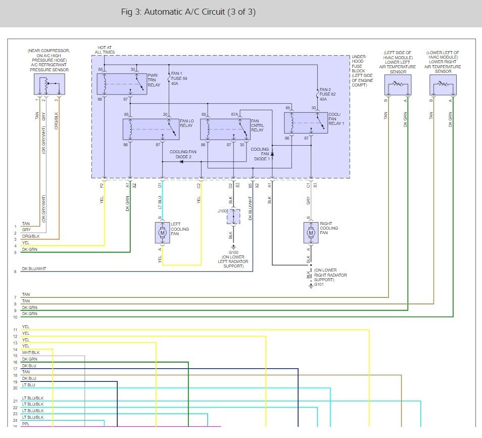
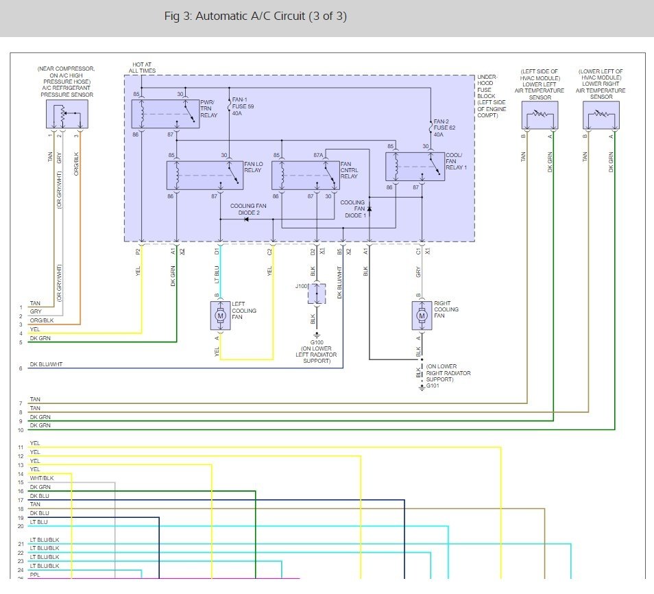
When A/C was working it would run about and hour then freeze up then all of a sudden A/C clutch wont engage. check fuses and relay; they are good but no power to fuse. I was going to test low pressure switch but cant find it to jump it out.
Jul 11, 2020 at 8:57 PM











