Hard start and fuel light stays on

2003 HONDA CRV
200,000 MILES
Avatar
MANDY TRIVETT
  • MEMBER
  • 1 POST
Acts like it doesn't want to start but eventually does. Gas light stays on gauge says empty when full but sometimes will say full.
May 13, 2020 at 10:01 AM
Advertisement
Avatar
ASEMASTER6371
  • CERTIFIED EXPERT
  • 52,796 POSTS
Good afternoon,

When you turn the key to the on position can you hear the fuel pump run?

I would start by testing the fuel pressure to be sure the pump is working correctly.

https://www.2carpros.com/articles/how-to-check-fuel-system-pressure-and-regulator

https://www.2carpros.com/articles/how-to-replace-an-electric-fuel-pump

As far as the fuel light, that is usually a bad sender unit.

I attached a wiring diagram for you if the pump does not work. You would need a test light for some testing.

https://www.2carpros.com/articles/how-to-check-wiring

Roy

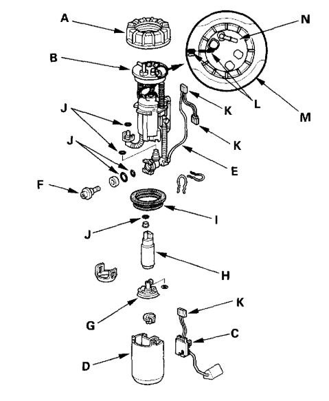
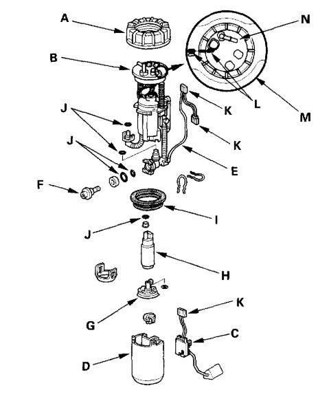
Fuel Pump/Fuel Gauge Sending Unit Replacement

Special Tools Required
Fuel sender wrench 07XAA-001010A

1. Relieve the fuel pressure.
2. Remove the fuel fill cap.
3. Fold the rear seats forward, and pull back the carpet to expose the access panel.


imageOpen In New TabZoom/Print

4. Remove the access panel (A) from the floor.
5. Disconnect the fuel pump 5P connector (B).
6. Disconnect the quick-connect fitting (C) from the fuel tank unit.


imageOpen In New TabZoom/Print

7. Using the special tool, loosen the fuel tank unit assembly locknut (A).


imageOpen In New TabZoom/Print

8. Remove the locknut (A) and the fuel tank unit.
9. Remove the fuel filter (B), the fuel gauge sending unit (C), the case (D), the wire harness (E), and the fuel pressure regulator (F).
10. When connecting the fuel tank unit, make sure the connection is secure and the suction filter (G) is firmly connected to the fuel pump (H).
11. Install the fuel tank unit in the reverse order of removal with a new base gasket (I) and new O-rings (J). Be sure to check these items:

When connecting the wire harness, make sure the connection is secure and the connector (K) is firmly locked into place.
When installing the fuel gauge sending unit, make sure the connection is secure and the connector is firmly locked into place. Be careful not to bend or twist it excessively.
When installing the fuel tank unit, align the marks (L) on the fuel ta
May 13, 2020 at 11:19 AM