power windows not working

1996 ACURA INTEGRA
Avatar
CARLIFE65
  • CERTIFIED EXPERT
  • 200 POSTS
How to test and find the power window relay.
Oct 22, 2009 at 8:39 PM
Advertisement
Avatar
BRIAN_DEAL
  • MEMBER
  • 1 POST
Hello here are guides and diagrams to help you test the power window relay once you find it.

https://www.2carpros.com/articles/how-to-check-an-electrical-relay-and-wiring-control-circuit

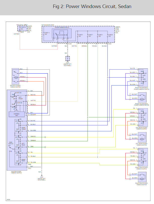
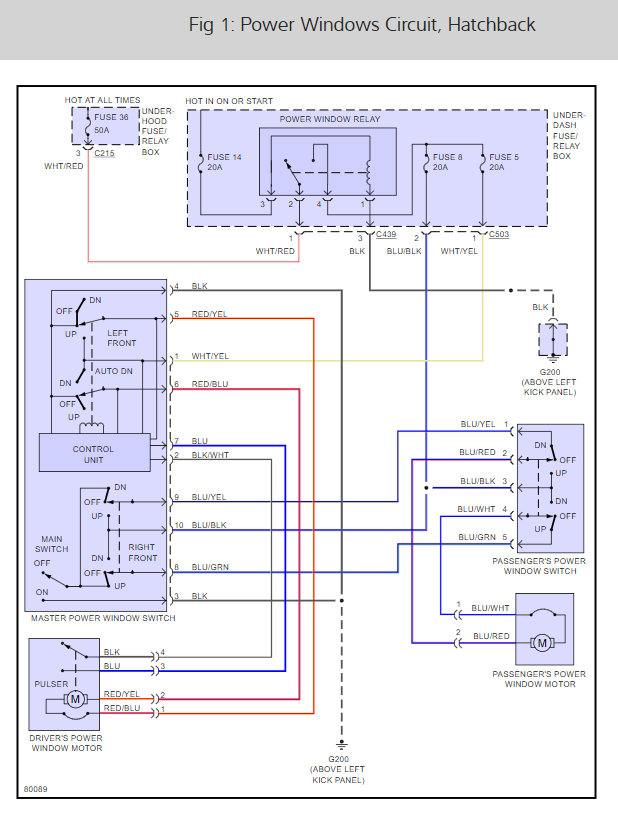
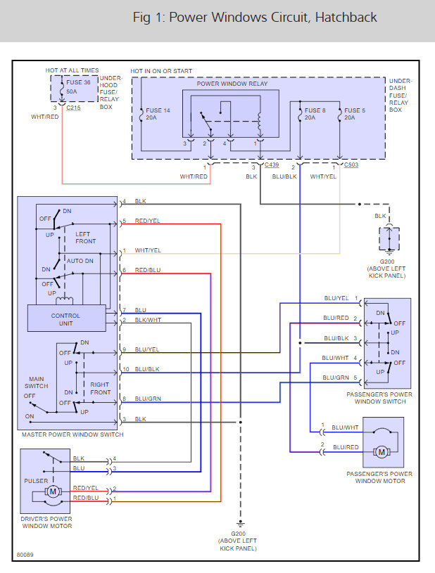
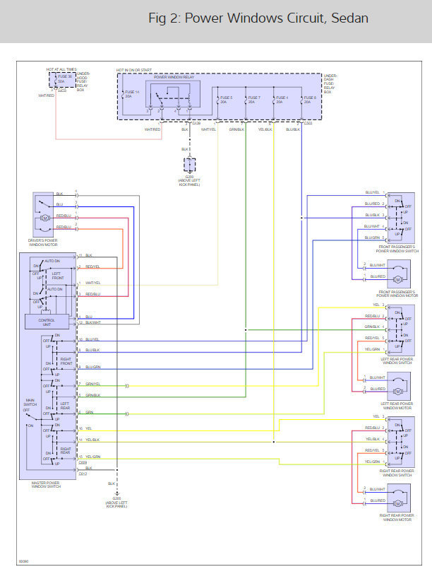
Here are the power window wiring diagrams so you can see how the system works.

Make sure you check the fuses as well.

Check out the diagrams (Below). Please let us know if you need anything else to get the problem fixed.

Cheers
Feb 3, 2007 at 6:13 PM
Avatar
CARLIFE65
  • CERTIFIED EXPERT
  • 200 POSTS
Thank you this site is great I relayed the relay now the windows work again ya! I love this site.
Oct 22, 2009 at 8:39 PM
Advertisement