Hello,
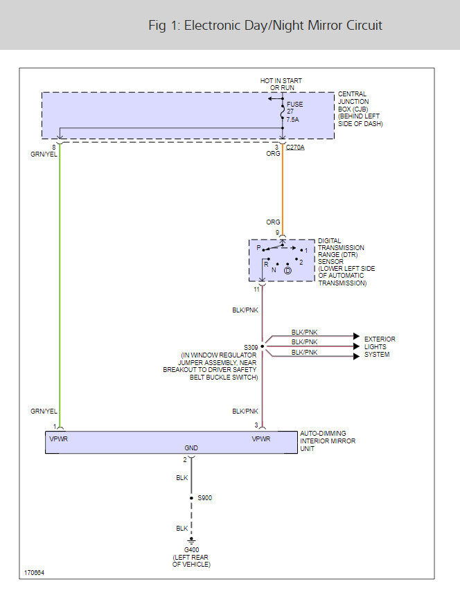
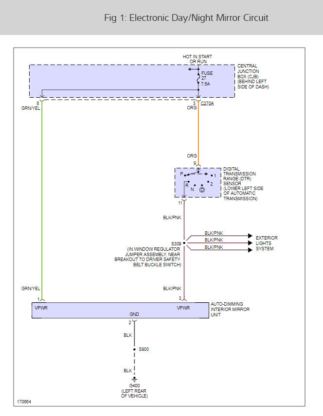
My power mirror has four wires. Is it possible to add a puddle light/mirror? I have the XLS model. What is required?
My power mirror has four wires. Is it possible to add a puddle light/mirror? I have the XLS model. What is required?
Dec 4, 2017 at 1:54 PM

