Passenger side interior handle cracked. Removed and replaced the handle.
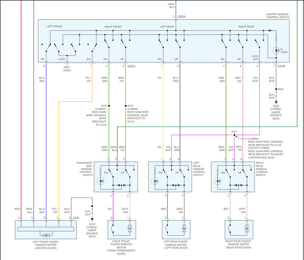
The passenger side power window switch will run the passenger's window up and down. The driver's side power window switch for the passenger window, only works down, will not run it up. The driver's side switches work okay on the other 3 windows.
Any suggestions for troubleshooting and repair? Should I do a Power Window Reset procedure or is it a wire harness issue?
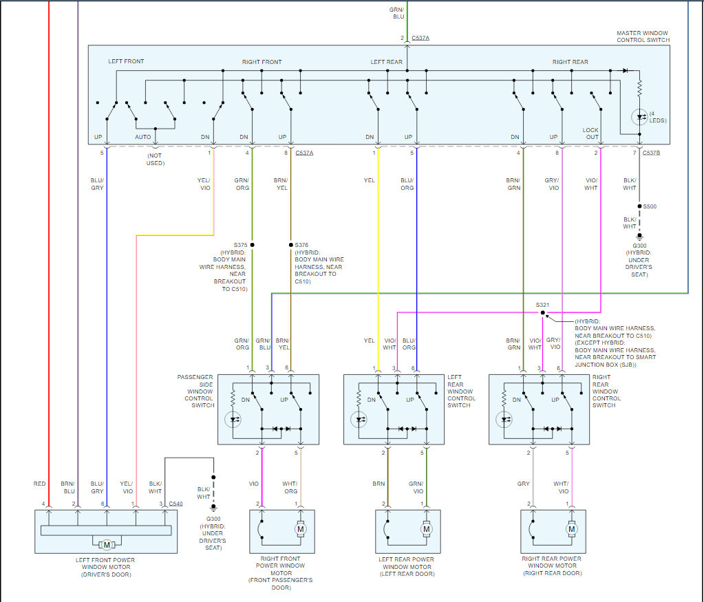
The passenger side power window switch will run the passenger's window up and down. The driver's side power window switch for the passenger window, only works down, will not run it up. The driver's side switches work okay on the other 3 windows.
Any suggestions for troubleshooting and repair? Should I do a Power Window Reset procedure or is it a wire harness issue?
Sep 20, 2021 at 8:25 AM



