Aftermarket head unit and amp installation issue?

2002 CADILLAC DEVILLE DTS
144,009 MILES • 4.6L • V8 • 2WD • AUTOMATIC
Avatar
GUYSE RACQUEL JENNIFER
  • MEMBER
  • 1 POST
I'm trying to install an aftermarket radio and amp, but I've run into the craziest problem. So after figuring out it was a DTS and I did not have a Bose system but a premium AC Delco 8 speaker system, no matter how I word it I keep getting the same diagrams but none of the colors in the diagrams match the actual wires I have in my car maybe a few but otherwise it's a guessing game.
Jul 10, 2025 at 3:26 PM
Advertisement
Avatar
STEVE W.
  • CERTIFIED EXPERT
  • 15,113 POSTS
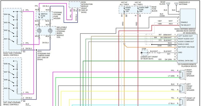
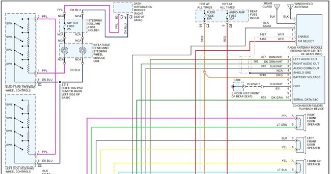
This is the diagram they show for the 8 speaker system. Do they match up.
Jul 10, 2025 at 9:02 PM