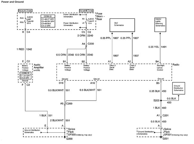
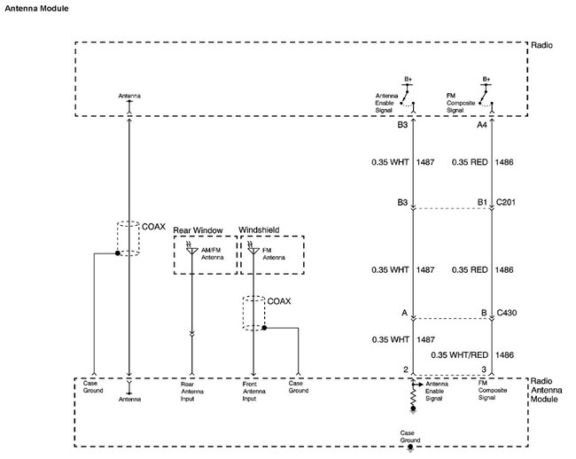
I bought an aftermarket radio wiring harness and need to a color code and function for each wire.
Dec 12, 2025 at 6:20 AM
Advertisement
STEVE W.
CERTIFIED EXPERT
15,113 POSTS
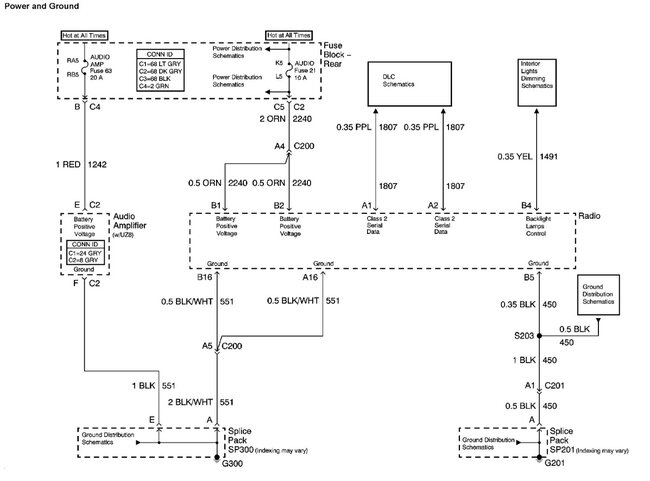
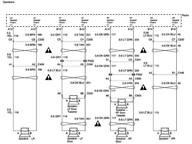
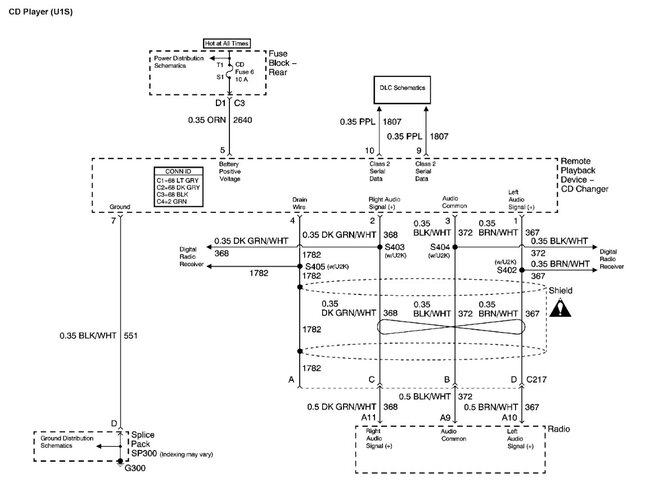
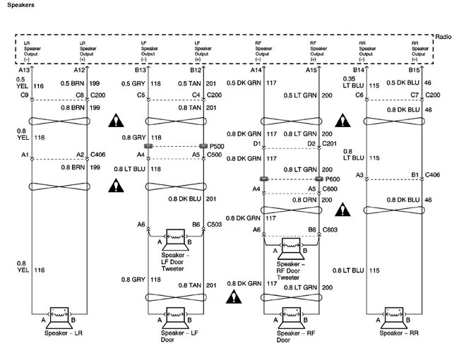
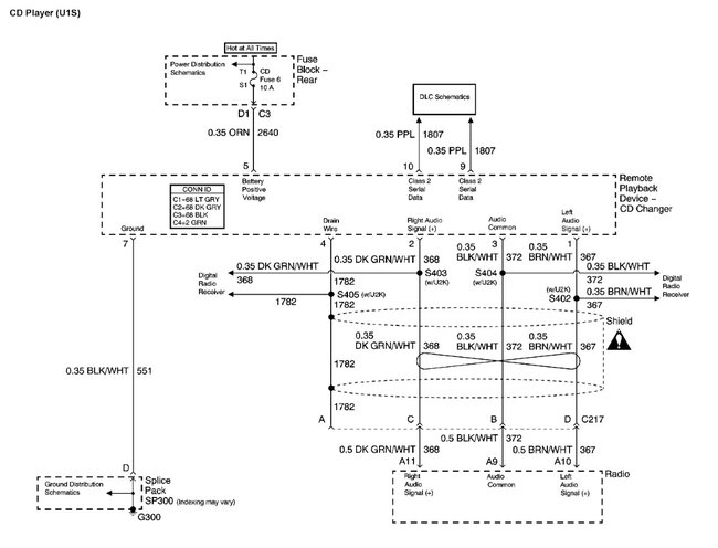
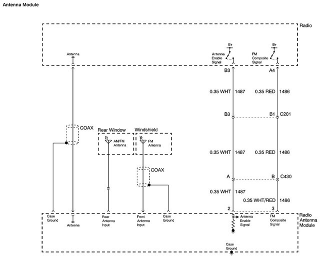
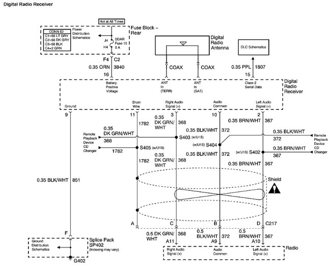
The attached are the diagrams for both the base and full optioned systems. The first 3 are the base radio without an amp. The others are the amp and digital (xm) modules. The base radio power and outputs are the same with the amp, they just go to the amp instead of speakers.