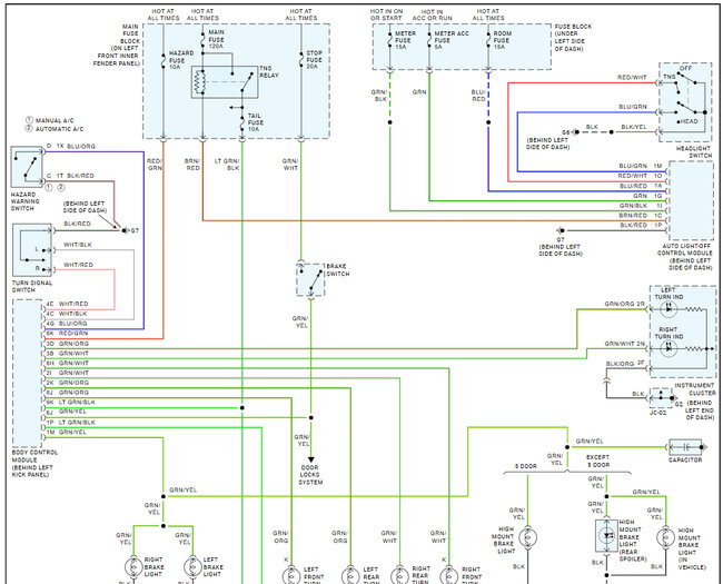
Okay, so I hate having people do this to me, so I apologize ahead of time, but I am coming into this situation after things have already been done. My landlady purchased an aftermarket stereo for her vehicle listed above and she got the wiring harness and everything got everything wired up, but now her taillights are not working. I noticed in the factory stereo that there was a connection for the actual stereo wiring harness and then there was a smaller one that according to her is responsible for hazard lights and the AC controls and all that and I don’t know if that wasn’t hooked up correctly and that’s why her tail lights are not working now, but if it is possible to get some kind of a wiring diagram so that I can actually go through these wires that she’s got here and make sure that They are connected correctly that would be great. On another note, I actually popped her hood to look at the fuses and saw that where the tail light relay is that was there but there weren’t the 210 amp fuses that are supposed to go right next to it according to the diagram underneath the fuse box Lid so I went and had her go to the store to get some new fuses. She said she was going to pick up a new relay too just whatever she wants to spend the money that’s on her but in my head, I would think that would have more to do with her taillights not working. If you can confirm this, I would greatly appreciate it. Sorry for the novel here but look forward to hearing back from you with any of your suggestions and or ideas.
May 14, 2025 at 8:23 AM


