air conditioner fan does not work on the high setting?

2007 BMW Z4
50,000 MILES • 6 CYL • 2WD
Avatar
WELTON BOOTH
  • MEMBER
  • 1 POST
The fan will not blow on high and the indicator button for the air conditioners will not light up when pushed.
Jul 30, 2017 at 5:58 PM
Advertisement
Avatar
STRAILER
  • CERTIFIED EXPERT
  • 53,855 POSTS
Hello,

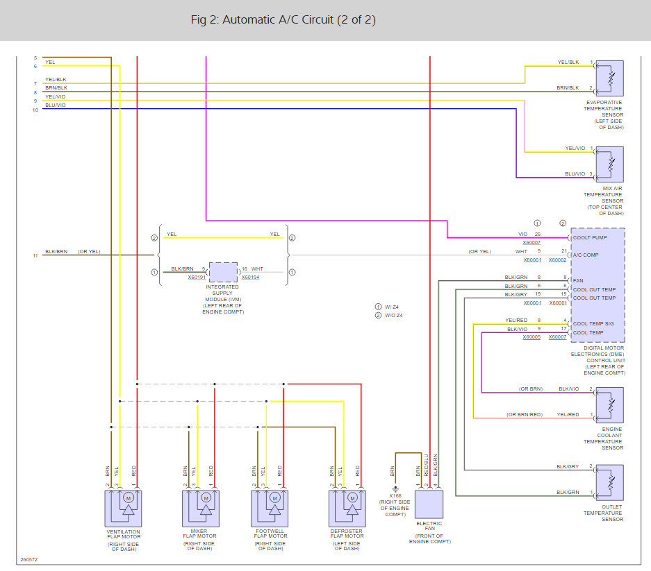
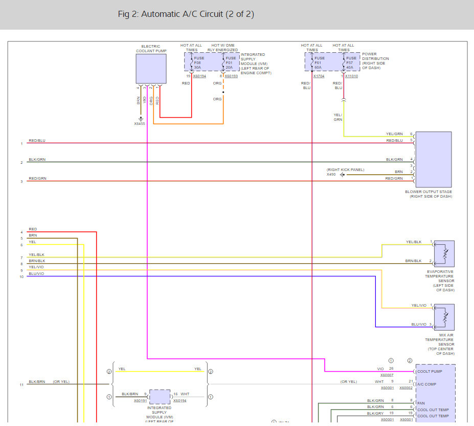
It sounds like you have a blower motor controller that has gone out. But to be sure here are some guides so you can do some simple tests. First check the fuses.

https://www.2carpros.com/articles/how-to-check-a-car-fuse

and

https://www.2carpros.com/articles/how-to-use-a-test-light-circuit-tester

and

https://www.2carpros.com/articles/blower-fan-motor-works-on-high-speed-only

Please run some tests and get back to us we are interested to see what it is.

Cheers, Ken
Aug 1, 2017 at 10:20 AM