Hi,
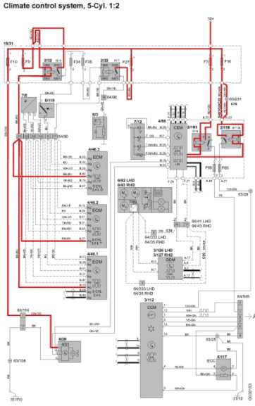
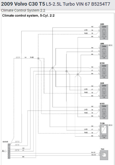
Air conditioner is not working perfectly. It blows cold air during summer. The cooling and air flow is not accurate and the car does not cooling down. It blows speed is too little like 25% of its original flow. Looking for suggestions. Thank you in advance.
Air conditioner is not working perfectly. It blows cold air during summer. The cooling and air flow is not accurate and the car does not cooling down. It blows speed is too little like 25% of its original flow. Looking for suggestions. Thank you in advance.
Jul 13, 2021 at 3:16 AM










