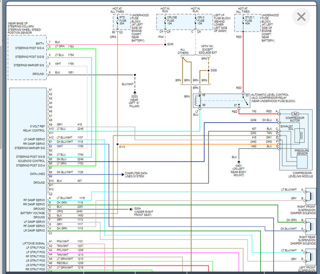
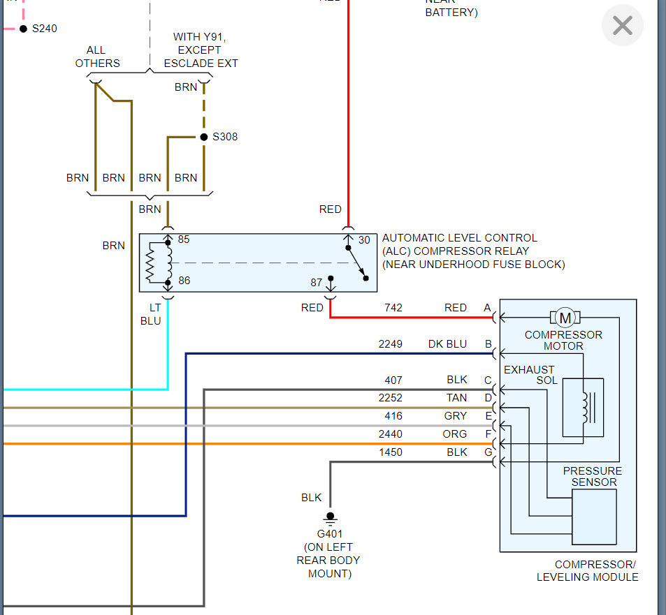
Wanted to find out why my air ride compressor doesn't turn on when plugged into vehicle but will turn on when bench tested. Not sure how to test compressor switch 3 wire plug on compressor and can't find how to even get one if it is bad??I can test the height sensors black and white wires with multimeter but I don't know the readings I should be getting??Also I do get power on orange wire on the factory plug and power on blue wire in line with orange wire going to compressor. Wiring diagram might help out. thanks for any help. Eric
Oct 9, 2021 at 8:23 AM






