Alarm/Door Ajar light problem

2012 KIA SORENTO
78,000 MILES • 2.2L • 4 CYL • 4WD • AUTOMATIC
Avatar
TIMT1964
  • MEMBER
  • 6 POSTS
Hi. Recently my vehicle listed above (KX2 model) alarm has suddenly started going off randomly. Also whilst driving along the door ajar light and interior light would come on and go off randomly. When parked the vehicle can stay locked for hours before the alarm sounded and interior light and door ajar lights would come on, sometimes these will spound/come on within a few minutes.

At one point the battery drained and needed a jump start in the morning.

My local garage has looked at it and cleaned and checked all the door switches and there doesn't appear to be anything wrong with them. The car was fine when i got it back and the alarm didn't sound overnight. I started it in the morning to check the battery was ok and no problem. I locked the car again and lo and behold the alarm started going off about an hour or so later, with door ajar light and interior lights on.

Sometimes when this happens the car wont lock and other times it locks and unlocks again similar to when a door isn't shut properly. Sometimes the interior lights stay on and sometimes they don't.

Took the car back to the garage and on the diagnostics again. Whilst on the diag machine the mechanic could access light/door/alarm systems and turn them all on and off ok but the fault did repeat several times several times whilst plugged in so they could at least see what was occurring.

Tried all the usual door switch checks and when not in fault they all work fine and close off well before each door is tight shut. Mechanic and I agreed that this is unlikely to be a door switch fault.

When I got the car home from the garage again the ajar light stayed on as did the interior lights, so to avoid a flat battery again I've removed the bulbs as there doesn't appear to be a way of switching the front interior light off.

Next thought is the BCM if I can locate it and I will probably have to take it to a dealer, which will be expensive.

Any thoughts or suggestions would be appreciated.
Mar 4, 2021 at 1:47 PM
Advertisement
Avatar
STEVE W.
  • CERTIFIED EXPERT
  • 15,113 POSTS
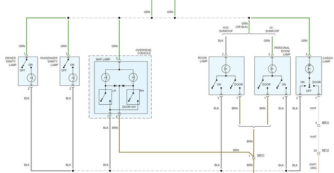
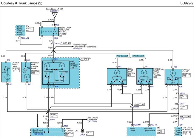
While it was connected to the scan tool and acting up did it show which door switch was triggering the lights and alarm? It should show those. If it was say the front right door (passenger) constantly then I would check the wiring harness at the back of the switch and the switch itself by simply unplugging the switch. Then run it a while. If it doesn't act up you know it's the switch, if it does it's an issue in the drivers door or rear hatch switches. Attached is the diagram for the switches and lights. The switches are normally open and close when you open the door, the switch then grounds the circuit and turns on the lights and door ajar warning. To narrow it down, if the schematic is correct it shouldn't be either rear door as it shows those don't control the interior lights, only the front doors and rear hatch show that control.
Mar 4, 2021 at 4:26 PM
Avatar
TIMT1964
  • MEMBER
  • 6 POSTS
Hi Steve.W.

Thanks for the feedback. I'm in the Uk so the car may differ in some ways.
Also when i took one of the switches out it looked to me like the switch made contact when the switch button was depressed so i'm guessing this means it would normally be closed when you close the door. i know that when i removed one of the switches the door ajar light came on and stayed on.

I also emailed my garage who carried out the diagnostic and they said that it showed the dome light being activated by the body control module relay but didn't show any door switches activating it, which is why they thought it was the BCM at fault.

i forgot to mention the garage did a full reset on the car unplugging the battery and earthing it but it still went into fault.

Mar 7, 2021 at 4:41 AM
Advertisement
Avatar
STEVE W.
  • CERTIFIED EXPERT
  • 15,113 POSTS
The switches all go to the BCM to tell it to turn on the lights so having the BCM activating them would be the normal operation. The problem is that it only takes one of the switches to have a bad circuit to turn on the lights.
It would be strange for the switches to be closed when pressed, not impossible but the reverse of the wiring diagrams Kia shows. If you look at the diagram and use the drivers door switch as the example, Notice how there is a door lamp fuse that powers the lamps in the doors. It doesn't go through the BCM for control but directly to the switches. If the switch is grounded/on with the door shut those lights would be on with the doors shut, but turn off when the door was open.
Normally the switch will ground to the bolt that secures it to the chassis, then there will be one or two wires depending on the switch position. Rear doors should have one wire, fronts will have two. If you removed one of the front switches and the lights came on, was that with the wiring disconnected from the switch? Or was the switch just unbolted from the body? A fast way to test the mode would be to remove one of the rear door switches, then disconnect the wire connector. Now what do the lights do, now take a jumper wire and connect one end to a ground and touch the other end to the terminal in the connector and see what the lights and warning do.
If removing the rear switch turns on the lights then they are the reverse of the wiring diagram, if however grounding the terminal turns on the lights/warning then they are N/O switches like shown.
It's possible the UK version is wired differently though. The testing should show which way the switches work.
That would tell you which way to test the circuits though. Say the wiring is wrong and the switches open when the doors open, that would mean to test the circuits you would need to go to the BCM and it's connector and find the door switch wires. Then run a jumper from a good ground and connect it in place of each door circuit in turn. That would bypass the switch and keep the lights off. The circuit that does that would be the faulty one.
Mar 7, 2021 at 7:06 AM
Avatar
TIMT1964
  • MEMBER
  • 6 POSTS
Hi Steve,

Apologies for the delay in responding been a crazy week at work and only get benefit of daylight at the weekends.

Okay. So I removed the right rear door switch and the interior lights stayed off as did the door ajar warning light so the wiring is as you thought. I also noticed that opening the rear doors turns on both the rear passenger interior light and the front interior lights. These then go off again after 20 seconds or so or if the ignition is turned on. Both of these are normal.
I couldn't remove the rear left switch because the cable to this will not stretch far enough to safely do this. Both rear switches have just 1 wire to them.

Front switch drivers side removed and disconnected- has 2 wires a Green one and a pink one with black stripe. Switch removed and disconnected = interior lights and door ajar warning light stayed off. Connected the green terminal to earth and no change. Connected pink/black terminal to earth and both the interior light and door ajar warning light came on.

While i was working on this (all door switches in place and connected) i opened the rear left door and got in the back of the car. Everything behaved normally at first then the door ajar light and interior lights came on randomly. Opening and shutting the same rear left door had no effect. I then locked the car with the fob and the car locked and unlocked again, with the door ajar warning light staying on and the car thinking there was still a door open. Opened and shut the rear left door again and then locked with the fob again and the warning light and interior lights went out.

My gut feeling with everything that's happened so far is that the rear left door switch is causing the problem somehow. The cable being tight might also point to this.

Next thing to check is the BCM connections. i would be grateful if you could run through that process again for me now that we know the wiring is as you said it would be.

I've also got some switch/contact cleaner to spray on the BCM connector for the switches if this is okay to do.

I think I have identified the BCM connector for the switches- connector K in the diagram in the following link: http://www.ksmanual.com/ipm_components-1116.html

Many thanks again for your help with this.
Tim

Mar 13, 2021 at 3:46 AM
Avatar
STEVE W.
  • CERTIFIED EXPERT
  • 15,113 POSTS
No problems on the delay, I've worked in an "open air garage" before myself. Tight wiring could mean the wires are being pulled tight at a lower corner or at a piece of sheet metal inside the door pillar. Then after a few years it has finally started to rub through the insulation and is grounding out.
There would be a couple ways to repair that. One involves pulling the interior trim out and tracing the wire to the spot causing the problem and moving it, apply some liquid electrical tape and maybe a piece of wire covering to keep it away from the grounded spot, or find that wire at the PCM/IPM and just cut it off. The second option however means that you get no lighting when opening the door as the switch would be doing nothing.

I'd opt for the first repair, especially as it can also mean that any type of alarm would also be disabled with the wire cut.
Being that your testing showed the wiring is a grounding style circuit you shouldn't need to test at the BCM side, that would apply more if the wiring wasn't that type.
You could still test it to be sure but I think your suspicion is the correct one. I've run into similar issues before where wiring was installed and moving the harness some other place would pull on the rest of the wiring.
What I would do is just pull the interior trim on that side to get to the wiring harness. To do that you remove the scuff plate first, it will have 2 screws securing it and then a couple plastic tabs that pry free. With it out you remove the screws from the rear luggage trim and the lower seat belt anchor bolt, it also has a few clips. With those out of the way that section of the wiring harness should be out in the open and you can look for the pinched area. It could be right at the spot the wire passes through the panel. Or something I have seen before, one of the trim screws dug through the harness and is shorting it.
One warning before you try removing the panels, put on some gloves, Kia doesn't deburr their panels very well, it's easy to slice yourself open on the edges.
Mar 13, 2021 at 7:59 AM
Avatar
TIMT1964
  • MEMBER
  • 6 POSTS
That's really helpful thanks.
I'll have a crack at that as soon as i can and weather improves here. Will let you know how i get on.
Mar 13, 2021 at 8:45 AM
Avatar
STEVE W.
  • CERTIFIED EXPERT
  • 15,113 POSTS
No rush. One good thing though, once you get the door scuff off, you can work inside the car. LOL
Mar 13, 2021 at 12:43 PM
Avatar
TIMT1964
  • MEMBER
  • 6 POSTS
Hi again.

Panel removed enough to get at all the cables and door switch. The door switch was working correctly when i started and when the rear passenger door was opened the door ajar light on the display came on. Removing the switch connector (white bit connected to the wire/loom) should have turned this off but it didn't and the light stayed on. I 'switch cleaned' everything and wiggled all wiring to the switch and close to it but no change. tried grounding the switch manually but light stayed on the while time. Tried locking/unlocking the car, starting it and off again a couple of times. The ajar light remained on the whole time and has not gone off.

None of the cables look damaged and the only thing is that the wire to the door switch from the loom is a bit tight but don't think this is a problem.

I tested the switch button assembly out of the car for circuit connectivity and this is working fine. Circuit made when switch was open and no circuit when switch is compressed as in door shut mode.

With the switch disconnected I connected a multimeter from the switch terminal (white bit) to ground and got following results:
On circuit test no circuit
On voltage test - reading was 3.3volts

don't know if this helps at all.

The door ajar light has stayed on so I will try a test drive tomorrow to see if goes off again.

Such fun.
Mar 20, 2021 at 11:18 AM
Avatar
STEVE W.
  • CERTIFIED EXPERT
  • 15,113 POSTS
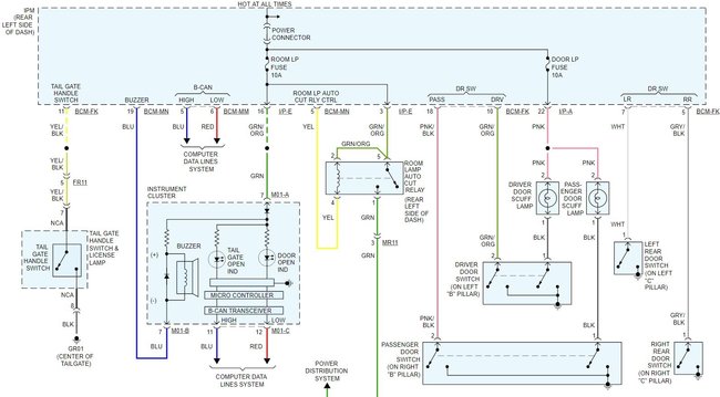
The system works be grounding the wire to the switch. The front door switches have two wires, one wire controls only the interior lights while the second one operates the scuff pad/puddle lights at the bottom of the door. The rear door switches should only have the single wire. The problem is that because it only takes grounding that single wire to turn on the lighting it can be grounded anywhere along those wires. As pulling the switch didn't turn the light off you will need to dig a bit farther as the failure could be hidden inside the harness. You might have some luck if you used a short finder like a SG 25100 but it will be a difficult search.
Mar 20, 2021 at 11:43 AM
Avatar
TIMT1964
  • MEMBER
  • 6 POSTS
Latest Update: I have cut the offending wire from the rear door at the BCP end and the grounding has ceased. this has also stopped the battery drain, which presumably was the result of the intermittent grounding. I can live without the rear door switch working so all good.

However, i set the alarm a few times since and it has still gone off albeit not as quickly as it did before when the grounding issue was there. It has stayed alarmed for a number of hours before sounding. So there may be another fault with the alarm system. I will check movement sensors inside the car for rogue bugs etc., in case one has taken up home in there somewhere. Failing that an expensive trip to Kia may be on the cards.
Apr 1, 2021 at 12:12 PM
Avatar
STEVE W.
  • CERTIFIED EXPERT
  • 15,113 POSTS
Well, one problem down, one to go LOL. It is likely an issue with another switch, but tracking it down will be like finding the first problem as the alarm also uses the tailgate and hood switches. Of the two the hood switch is the more likely failure point. It's in hood latch itself with the connector down near the fan. It works the same as the door switches, grounds to trip. You could unplug it to test, if the alarm doesn't trip, replace the switch or latch.
Apr 1, 2021 at 10:53 PM