Something is shorted internally. If this is a remanufactured alt, get a different brand. I always get a new one. It doesn't have to be an OEM alt, but I never have luck with the remanufactured ones. Was this replacement remanufactured?
_____________________________
Here is a link that explains removal and replacement in general
https://www.2carpros.com/articles/how-to-replace-an-alternator
________________________________
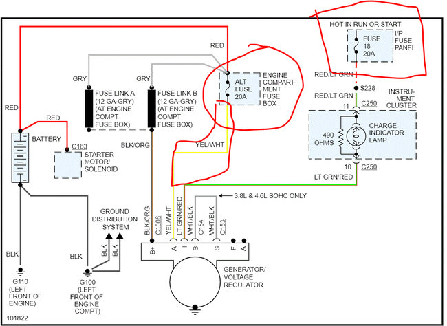
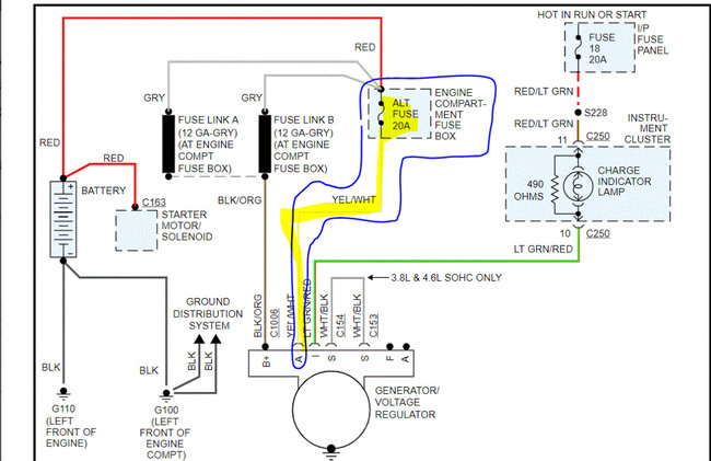
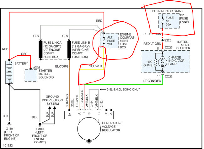
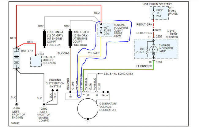
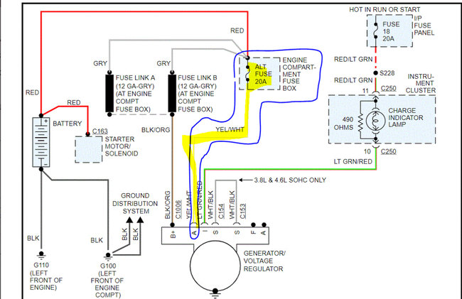
Directions from alldata / Pic 1 correlates with the directions.
REMOVAL
1. Disconnect battery ground cable.
2. Disconnect the wire harness attachments to the generator (GEN) and voltage regulator.
3. Disengage the generator drive belt from the generator pulley.
4. Remove retaining bolts and generator mounting bracket.
5. Remove the mounting bolts and the generator.
INSTALLATION
1. Position the generator on the engine.
2. Install the generator mounting bolts. Tighten bolts to 20-30 N.m (15-22 lb-ft.).
3. Install generator mounting bracket and retaining bolts. Tighten bolts to 8-12 N.m (71-106 lb-in).
4. Install the drive belt over the generator pulley.
5. Connect the voltage regulator wiring and output wire to the generator and voltage regulator. Tighten output terminal nut to 7-9 N.m (62-79 lb-in).
6. Connect battery ground cable.
_________________________
If he saw the short in the alternator, something has failed. Remove the alt and have it bench tested at the parts store. If it is bad (and I believe it is), get a different brand and if possible, stay away from the remanufactured ones.
Let me know if this takes care of the problem.
Take care,
Joe
Mar 4, 2020 at 6:01 PM