Just installed a new alternator, when i hook up the wiring I get no power at all?

2002 ACURA TL
150,000 MILES
Avatar
JOHOVAA
  • MEMBER
  • 1 POST
And when I disconnect the alternator, I can start the car.
Jul 28, 2022 at 9:59 AM
Advertisement
Avatar
JACOBANDNICKOLAS
  • CERTIFIED EXPERT
  • 110,175 POSTS
Hi,

This is an interesting one. When it's connected, is there power to anything? For example, does the horn work or the interior lights?

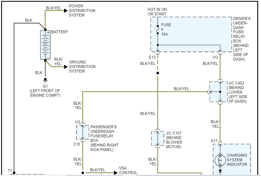
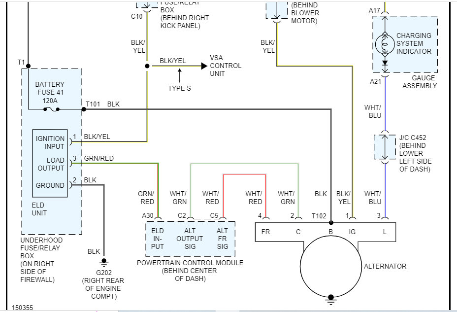
I looked through the wiring schematics for both the starter and the alternator and don't see how they are tied into each other. Often times the battery voltage is sent from the starter to the alternator, but that doesn't appear to be the case with this vehicle. It gets voltage via a fuse. And again, you wouldn't lose power to everything.

When you connect the alternator, does it or any of the wiring to it get warm?

Let me know. Also, I attached the wiring schematic below for the alternator circuit. Take a look through it and let me know your thoughts. One other thought. Check the ELD ground on the right rear of the engine. It is a black wire. (ELD stands for electric load detector).

Take care,

Joe

See pics below.
Jul 28, 2022 at 2:54 PM