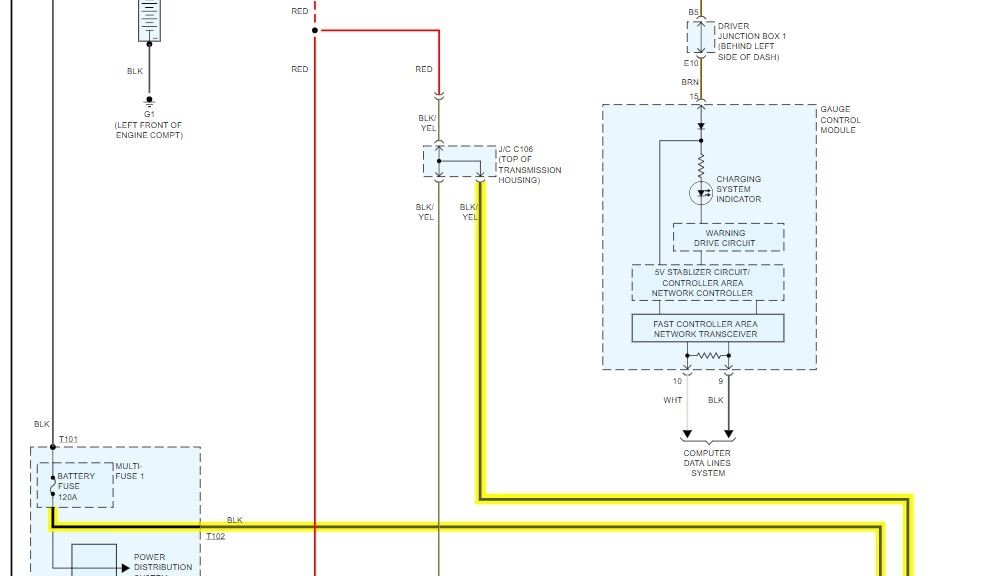
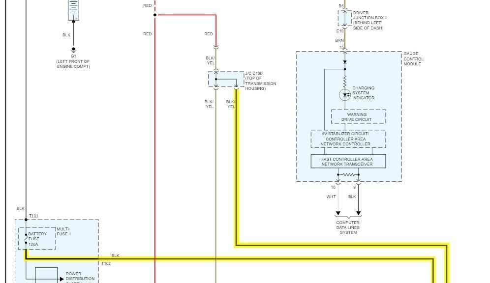
I have a message on my dash saying check charging system i have replace the battery and the alternator and is still coming up check charging system. can it be the belt and pulley? it just happen out of no where. i was about to make a turn my lights on my dash started flickering inside the car and then it shut off. i need help.
Jul 21, 2020 at 3:55 AM

