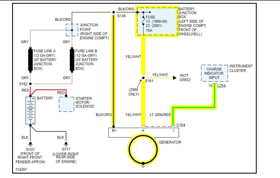
Good morning,
I’m not sure why my brand new alternator would overcharge my battery.
I have to replace the alternator plug wiring pigtail. It was corroded, and the previous owner only had 2 of the 3 wires in the plug itself.
Could that have caused the problem?
Thank you for your time.
I’m not sure why my brand new alternator would overcharge my battery.
I have to replace the alternator plug wiring pigtail. It was corroded, and the previous owner only had 2 of the 3 wires in the plug itself.
Could that have caused the problem?
Thank you for your time.
Jan 22, 2020 at 5:54 AM









