Gone through four alternators in seven months

1998 CHEVROLET BLAZER
191,000 MILES • 4.3L • V6 • 4WD • AUTOMATIC
Avatar
MANDY JAMERSON
  • MEMBER
  • 2 POSTS
Seems to me that the serpentine belt is way too tight. everyone says that's not possible, I disagree. but also I went to purchase brake pads for my 1998 Blazer they kept giving me the wrong ones. then this man gave me brake pads for a 1997 Chevrolet Blazer and they were the right size. so should I be buying parts for a 1997 or a 1998 and is it possible that the serpentine belt is too tight?
Jan 19, 2021 at 8:51 AM
Advertisement
Avatar
ASEMASTER6371
  • CERTIFIED EXPERT
  • 52,796 POSTS
Good afternoon,

The belts are the same for the 1997 and 1998. There is no difference.

Did anyone change the tensioner?

https://www.2carpros.com/articles/how-a-serpentine-belt-tensioner-works

https://www.2carpros.com/articles/serpentine-belt-tensioner-replacement

When they failed, what happened? Were they making noise?

https://www.2carpros.com/articles/how-to-replace-an-alternator

Roy

REMOVAL PROCEDURE


imageOpen In New TabZoom/Print


1. Remove the drive belt.
2. Remove the bolt.
3. Remove the drive belt tensioner.

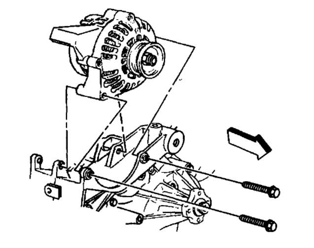
Alternator replacement

REMOVAL PROCEDURE

CAUTION: Refer to Battery Disconnect Caution in Cautions and Notices. See: Battery > Service Precautions


imageOpen In New TabZoom/Print

1. Disconnect the battery negative cable.
2. Remove the drive belt.
3. Remove the heater hose brace bolt from the generator.


imageOpen In New TabZoom/Print

4. Disconnect the generator electrical connector.


imageOpen In New TabZoom/Print

5. Remove the generator output (BAT) terminal retaining nut from the generator.


imageOpen In New TabZoom/Print

6. Remove the generator mounting bolts.
7. Remove the generator from the mounting bracket.
Jan 19, 2021 at 12:34 PM
Avatar
MANDY JAMERSON
  • MEMBER
  • 2 POSTS
At one point the tensioner had broken I had to replace that but this was occurring before I had to replace the tensioner in the alternators. they all start whining really loud just like the one I have on my vehicle now it's super loud. I don't understand I mean is it possible that I've had alternators that are bad? I just don't understand. also, there's a blown fusible link in the wiring from the battery to the alternator or from the alternator to the battery x whatever and the vehicle will not start. my nephew's a pretty good mechanic he bypass the fusible link in order to get my vehicle to run. honestly I think well of course the fusible link is there for a reason. is it possible that there's too much voltage going to my alternator?
Jan 19, 2021 at 4:10 PM
Advertisement
Avatar
ASEMASTER6371
  • CERTIFIED EXPERT
  • 52,796 POSTS
Okay, you cannot bypass that link. It must be there. It failed for a reason and that is too much current flow. You could have a harness meltdown or fire without it installed.

https://www.2carpros.com/articles/how-to-check-a-car-alternator

Can you tell me the voltage of the battery with the engine running? The voltage regulator is controlled by the PCM. If it is always commanding full voltage, it will cause this.

Roy

IMPORTANT: Disconnecting the VCM will not erase the Crankshaft Position (CKP) System Variation Learn as long as the ignition switch is in the OFF position.



REMOVAL PROCEDURE
1. Disconnect the negative battery cable.
2. Pull the spring retainer up and over the rail of the VCM. Slide the VCM out of the bracket at an angle.

VCM Harness Connections
imageOpen In New TabZoom/Print

3. Remove the connectors from the VCM.
4. Remove the VCM access cover.


imageOpen In New TabZoom/Print

5. Gently pinch the retaining clip and pull upward to remove the Electronic Spark Control module/PROM.
6. Set the Electronic Spark Control module/PROM aside carefully.

NOTE: The Electronic Spark Control module/PROM will be reused in the replacement VCM.

7. Do not open the Electronic Spark Control module/PROM.
8. Remove the new VCM from the packaging. Check the service number in order to make sure the number matches the defective VCM's number.
Jan 19, 2021 at 4:24 PM