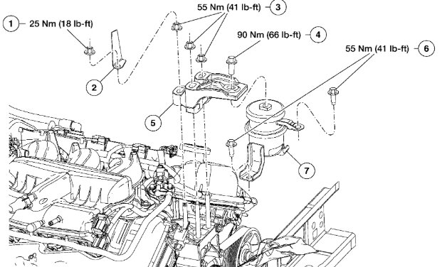
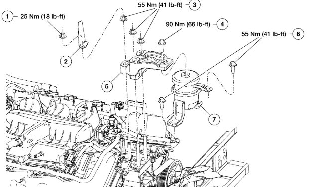
I have all the bolts out of the alternator and the tie rod removed from the wheel side but the finder liner is metal and I can't get the alternator out of the engine bay
Feb 27, 2026 at 9:48 AM

