Alternator wiring.

2003 MITSUBISHI LANCER
106,000 MILES • 2.3L • 2WD • AUTOMATIC
Avatar
BIGMACDAWN
  • MEMBER
  • 2 POSTS
Ok so I bought a new alternator for my 2003 lancer and when I removed the old one, I had to pry the 4 flat alternator plug off to remove it. I noticed that the alternator plug was melted and the wiring was burned off so bad that it was being held on by 2 little wires from inside the blue wire.

So, I cut the alternator plug wire to where I could see all 4 wires from inside the black cable. I then went on eBay and ordered a new 2003 lancer alternator plug.

My question is, when my new alternator plug gets here, can I attach each wire to the correct wire and then wrap it with either electrical tape or heat shrink and then plug it in and will it work?

I need to do this myself because I can NOT afford to pay for it to get done. Thank u so much
Oct 27, 2020 at 4:15 PM
Advertisement
Avatar
KASEKENNY
  • CERTIFIED EXPERT
  • 18,907 POSTS
Does the connector that you ordered have wiring pigtails on it? Meaning does it come with about 6 inches of wiring already in the connector or do you have to move the terminals over from the old connector?

If it has wires already then you need to cut the existing wires so that the burned/melted part is no longer there. Then solder them and shrink wrap the joint just to be sure they are good connections and are protected.

This is not complicated so I am sure you can do it. However, if the wires need to be moved over that will complicate things.

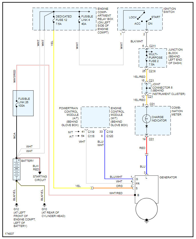
Here is a wiring diagram that will help.
Nov 1, 2020 at 5:31 PM
Avatar
BIGMACDAWN
  • MEMBER
  • 2 POSTS
Thank you for the response. The alternator plug has 4 color coated wires. I’m going to have to go underneath the car to heat shrink each wire together with the correct wires that are in the cord. I already cut 2 inches down where it was melted from. So now I just have to go underneath because it will be easier and connect each wire that’s in the cord to the wires that are on the alternator plug. I don’t have a solder iron so I’m just going to heat shrink them. Will that work?
Nov 2, 2020 at 12:25 PM
Advertisement
Avatar
KASEKENNY
  • CERTIFIED EXPERT
  • 18,907 POSTS
Clearly soldering is the best but if you strip the wires, twist them together and then heat shrink them, that should be fine.

Let us know what questions you have when you are doing this. Thanks
Nov 2, 2020 at 6:51 PM
Avatar
DANNY L
  • CERTIFIED EXPERT
  • 5,648 POSTS
Hello, I'm Danny.

Since the alternator is the main component to the charging system we really suggest soldering the wires first before heat shrink wrapping them. This helps conduct electricity better and help problems that would arise from moisture. You can get a soldering iron from WalMart for $10.00. Just wanted to add my 2 cents. Hope this helps and thanks again for using 2CarPros.
Nov 2, 2020 at 6:56 PM