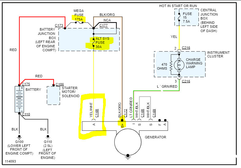
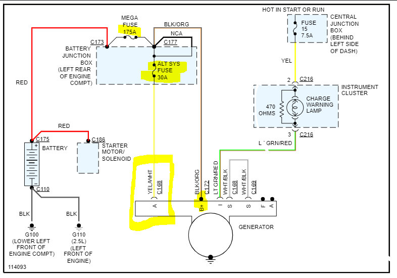
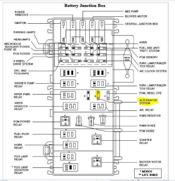
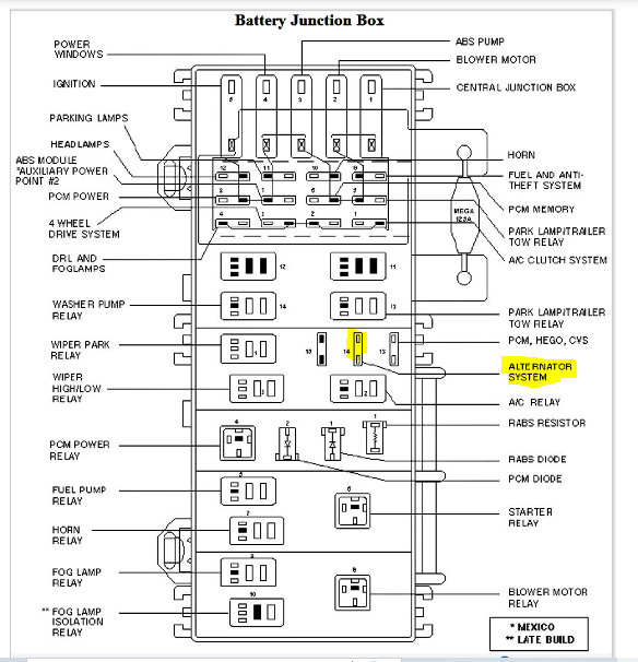
I've already replaced it with a new one twice. I checked the big fuse up under the hood by where the relays and fuses are cleaned it all up. I have continuity between it have continuity between the black and yellow wire to the battery positive, but I've got no voltage to the yellow and white wire on the alternator. I think I'm supposed to have voltage there is anybody know.
Sep 11, 2022 at 11:38 AM

