☰
Login
Join
×
Home
Answered Questions
Repair Topics
Repair & Service Guides
Popular Questions
Warning Lights
Trouble Codes
How It Works
Testing / Diagnostics
Symptoms
Videos
Login
Become a Member
Home
Toyota
Celica
Electrical
Alternator
Wiring
Alternator wiring diagram needed
1998 TOYOTA CELICA
240,000 MILES
JEGATRO
MEMBER
2 POSTS
FOLLOW
Plug has perished and don't recall the order they went. Mine is an ST model 2.2 liter.
Oct 14, 2021 at 9:05 PM
Advertisement
SQM
CERTIFIED EXPERT
6,383 POSTS
Hello,
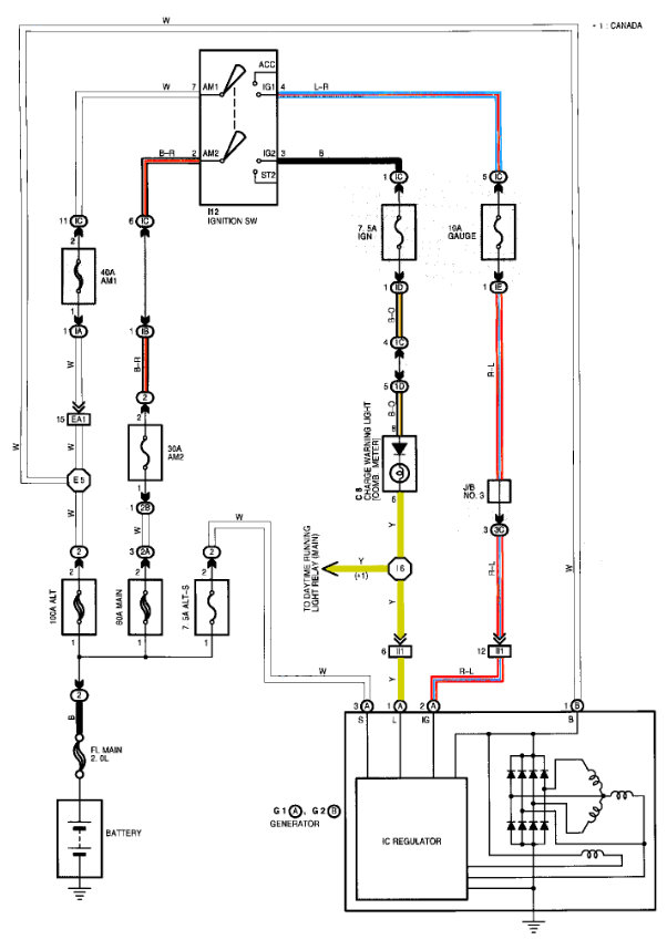
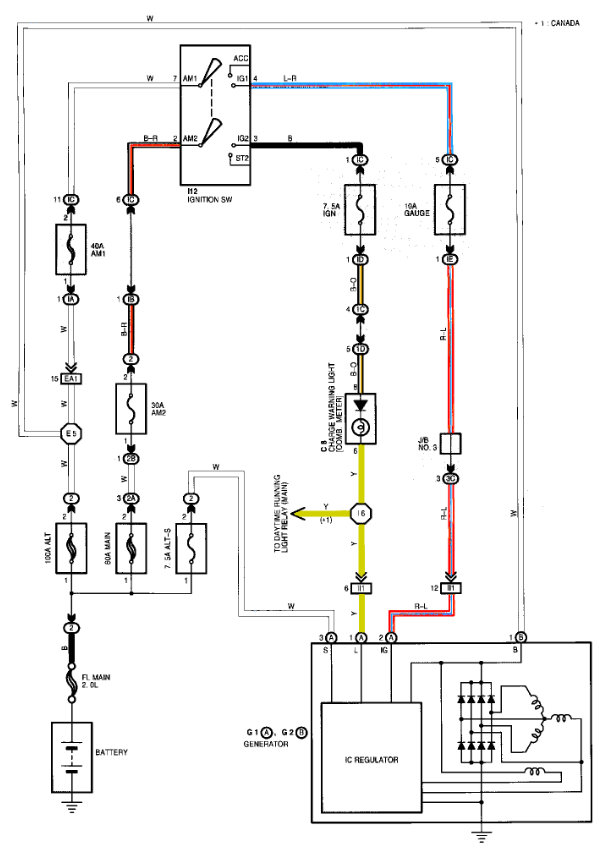
I have attached the wiring schematics for the charging system. It shows the wiring orientations for the alternator.
https://www.2carpros.com/articles/how-to-check-wiring
Please let me know of any questions.
Thank you.
Image (Click to enlarge)
Oct 14, 2021 at 9:21 PM
JEGATRO
MEMBER
2 POSTS
Thanks very much. And for being so quick. Muchly appreciated.
Oct 14, 2021 at 9:24 PM
Advertisement
SQM
CERTIFIED EXPERT
6,383 POSTS
You are welcome.
Oct 14, 2021 at 9:47 PM