My security on why? Bypass?

2002 CHEVROLET S-10
90,000 MILES • 4.3L • 6 CYL • 4WD • AUTOMATIC
Avatar
PAULI1970
  • MEMBER
  • 2 POSTS
Anti theft light on. I can start the truck but then it stalls In seconds.
Jul 21, 2016 at 12:11 AM
Advertisement
Avatar
HMAC300
  • CERTIFIED EXPERT
  • 48,601 POSTS
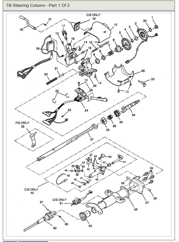
try resetting security system with instructions below

https://www.2carpros.com/articles/how-to-reset-a-security-system

otherwise it may need a different key if you have one. Not a new one. Check out the diagrams (Below). Please let us know what happens.
Jul 21, 2016 at 5:56 AM
Avatar
PAULI1970
  • MEMBER
  • 2 POSTS
I piggybacked yellow wire to black in steering column. Did relearn.All is now good. Thank
Jul 23, 2016 at 4:22 AM
Advertisement
Avatar
RIVERMIKERAT
  • CERTIFIED EXPERT
  • 6,110 POSTS
You're very welcome.
Jul 26, 2016 at 10:00 AM
Avatar
ITCHJUNE
  • MEMBER
  • 4 POSTS
Where is the security indicator located?
Mar 17, 2021 at 12:51 PM (Merged)
Avatar
STEVE W.
  • CERTIFIED EXPERT
  • 15,113 POSTS
If you mean the light itself, it is in the dash but depending on which version you have it is in a different spot. It will be an amber light that says security. If you do not see it on during the bulb check, it could be for two reasons. The bulb is blown, or someone did a bypass on the theft lock system which turned on the light so they removed the bulb.
Mar 17, 2021 at 12:51 PM (Merged)
Avatar
HARVY DAVIDSON
  • MEMBER
  • 6 POSTS
how can i disable the passlock security system on a 1999 Chevrolet S10? Okay, it would not start, the engine cranked over, I looked in the owners Manuel under passlock and it said to let it set for ten minutes. I let it set and it did start, mean while I read in the manual that a blown fuse could disable the system and it would not be protected. I do not need to protect it from theft I live in a very safe area, but I do need it to start for me.
Mar 17, 2021 at 12:51 PM (Merged)
Avatar
SATURNTECH9
  • CERTIFIED EXPERT
  • 30,869 POSTS
You must have the key on for 30 minutes until the security light stops flashing then turn the key off and then start the engine within 5 seconds. Here is a a guide that will help

https://www.2carpros.com/articles/how-to-reset-a-security-system

Please run down this guide and report back

Cheers,
Mar 17, 2021 at 12:51 PM (Merged)
Avatar
HARVY DAVIDSON
  • MEMBER
  • 6 POSTS
That worked! thanks you guys I love this site :)
Mar 17, 2021 at 12:51 PM (Merged)
Avatar
SATURNTECH9
  • CERTIFIED EXPERT
  • 30,869 POSTS
If the security light was flashing then the fuel injector pulse gets disabled and it will not start i would not pour gas anywhere very dangerous. Also do you know why it did not start? Lack of injector pulse means no fuel. Your starting point would be to get your bcm body control module scanned for codes. A cheap generic scanner will not read the bcm codes.In most cases this will be a repair you would want a shop to do since you do not have the advanced scanner to read the bcm codes and data lack pass lock voltage etc. But lets start with the exact code numbers and go from there and see what we can figure out.
Mar 17, 2021 at 12:51 PM (Merged)
Avatar
HARVY DAVIDSON
  • MEMBER
  • 6 POSTS
Thanks for the info.
Mar 17, 2021 at 12:51 PM (Merged)
Avatar
SATURNTECH9
  • CERTIFIED EXPERT
  • 30,869 POSTS
Okay keep me posted.
Mar 17, 2021 at 12:51 PM (Merged)
Avatar
MITCHROGERS89
  • MEMBER
  • 2 POSTS
i have recently body dropped my s10 within doing so an issue has come up .. when i go to start the truck. it turns over but then quickly dies. i read the code. the code came up as anti-theft. its telling the computer the truck is not being started with the key so its shutting the injectors down i believe. how can i correct this or is there a way to bypass it?
Mar 17, 2021 at 12:52 PM (Merged)
Avatar
BMRFIXIT
  • CERTIFIED EXPERT
  • 19,053 POSTS
what do you have for codes ?

This procedure allows relearning of BCM or PCM learned data code after replacement of BCM, sensor or PCM. DTC B3031 will set when entering programming mode.

Turn ignition off. Replace failed component. With transmission in Park (A/T) or Neutral (M/T), momentarily turn ignition switch to START position (engine will not start), and then leave in RUN position. SECURITY indicator light will stay on for 10 minutes. After 10 minutes, when light turns off, turn ignition switch to OFF position for 5 seconds.
Repeat step 1 twice more. Auto learn procedure will be completed during next start attempt. If VCM/PCM was replaced, reprogram VCM/PCM
Mar 17, 2021 at 12:52 PM (Merged)
Avatar
SEANS10
  • MEMBER
  • 9 POSTS
hey i got the same problem with my truck an that doesn't work when i tried it. all i do to get the truck to start is take off one of the battery wires an wait 20 mints then putt it back on on it should star up an run all day
Mar 17, 2021 at 12:52 PM (Merged)
Avatar
BIGDOG75
  • MEMBER
  • 1 POST
My vehicle will not start. the security system will not let fuel pump start. Have tried to bypass it but still does not start. Do you have an image of the under carriage wiring from fuel pump? Is it possible to just bypass fuel pump? Please help.
Mar 17, 2021 at 12:52 PM (Merged)
Avatar
STRAILER
  • CERTIFIED EXPERT
  • 53,855 POSTS
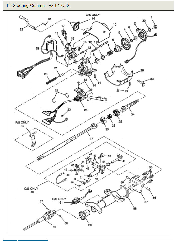
Even if you get the fuel pump to run it still will not start becasue of the security system. If you have not changed the key or lock and tumbler then there are two small wires at the ignition tumbler that break inside the steering column. Here is a guide and some diagram (below) to help you get the problem fixed.

https://www.2carpros.com/articles/how-to-reset-a-security-system

(Check out the diagrams below) The wires that break are attached to item #19

Please let us know what you find.

Cheers, Ken
Mar 17, 2021 at 12:52 PM (Merged)
Avatar
BRYANDSULLIVAN73
  • MEMBER
  • 1 POST
How do you bypass the pass-lock key on my 1998 s10? if any one can give me some input i'd appreciate it, thank you.
Mar 17, 2021 at 12:54 PM (Merged)
Avatar
WRENCHTECH
  • CERTIFIED EXPERT
  • 20,761 POSTS
This bypass is for the key sensor only. The rest of the system has to be operational.

Here is a video that will help you

https://youtu.be/pyp8Ti-0AUE

If you find the black wire and the yellow wire from the pass-lock sensor in the column you can solder in a 2.2 K ohm resistor and then attempt to start the car.It will stall don't turn the ignition off.Let the ignition on for ten minutes or until the theft light goes out.Turn the key off for ten seconds then attempt to start the car.If it now runs you have been successful.If it doesn't you either made a mistake or there are other problems besides the ignition lock cylinder.

Please let us know what happens.

Cheers,
Mar 17, 2021 at 12:54 PM (Merged)