Anti theft deterrent system layout

2007 CHEVROLET TAHOE
220,000 MILES • 5.3L • 5 CYL • TURBO • 4WD • AUTOMATIC
Avatar
HARLEY JESSICA
  • MEMBER
  • 3 POSTS
My truck anti theft deterrent system activated and would not allow car to start. After tinkering with the system 3 days and inspecting parts and wires I had it towed to dealer for diagnostics. The mechanic says I need the theft deterrent module replaced. I asked if the module is the one located around the ignition switch (i have been researching online all weekend and even took panels off to see the part beforehand). He says no it is the entire module that's under the dash. When my fiance asked if it is located behind the radio compartment he said yes. Well i have researched a lot and only see that there is a theft control module which is by the ignition which ties in to i believe the BCM which is located under the drivers dash panel where my parking break release and steering column is. So what is located behind the radio? Is there some other module i am not seeing? I have the SUV listed above LTZ model 5.3L v8 flex. I feel like i am being lied to and just told any and everything. His responses are cery vague and i am someone who wants to know exactly what my money goes to. The part number he gave me for what he said has to be replaced is in fact the theft control module that attaches to the ignition cylinder. Can someone give me a diagram of the entire Passkey 3 system for my SUV? Is it tied directly to the BCM as i thought? And if that is replaced does it require relearning the key with a scan tool or can the key be relearned by the 10 minute increments relearn method repeating 3 times?
Dec 10, 2019 at 6:07 PM
Advertisement
Avatar
SCGRANTURISMO
  • CERTIFIED EXPERT
  • 4,897 POSTS
Hello,

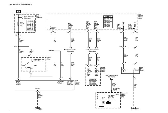
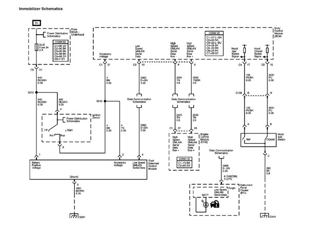
I have included the information that you have requested in the diagrams down below. I have included the description of operation for the immobilizer system, the component locations of the immobilizer system with diagram, and a wiring diagram of the anti theft circuit in your vehicle. Please get back to us with how everything turns out. I hope this helps.

Thanks,
Alex
2CarPros
Dec 10, 2019 at 9:40 PM
Avatar
STEVE W.
  • CERTIFIED EXPERT
  • 15,113 POSTS
If it has the key on the steering column the part you saw in the column is the theft deterrent module, the ring for the transponder key is part of it. He may be thinking of the earlier GMs that did have the TDM remote mounted in the dash. The TDM ties into the key-less entry system and the power-train module all through the CAN network in the truck. It works by sending out a pulse that sort of wakes the key up, then it reads the signal from the key and compares that to a list of valid keys for your truck (up to 10) If the key is valid it sends a signal to the PCM telling it that it can turn on the fuel pump and ignition and start the engine.
If you have key-less entry it works about the same except that the fob transmits a low power signal carrying the code to identify it as a valid fob.
Once the TDM is replaced it has to be programmed into the system with a scan tool, and a GM dealer terminal then the keys need to be relearned as well. Each TDM also has a unique code to ID it to the system which is why it needs to be programmed in.
The TDM is part #6.

PROGRAMMING IMMOBILIZER SYSTEM COMPONENTS

10-MINUTE IMMOBILIZER RELEARN
This 10-minute relearn procedure will relearn the prerelease password and the challenge/response data between the theft deterrent module (TDM) and the engine control module (ECM).
1. Connect a scan tool to the vehicle.
2. Turn ON the ignition, with the engine OFF.
3. Ensure that all power consuming devices are turned OFF on the vehicle.
4. With a scan tool, select Request Info. under Service Programming System and follow the scan tool on-screen instructions.
5. Disconnect the scan tool from the vehicle and connect the scan tool to a Techline Terminal with the current Service Programming System (SPS) software.
6. On the Techline Terminal, select Service Programming System and follow the Techline Terminal on-screen instructions. Ensure the correct programming selection is chose based on component being replaced or programmed. For this procedure, go to the V.T.D. Vehicle Theft Deterrent Learn menu and choose the Vehicle Theft Deterrent Learn, ECM, or PK3 Replaced selection.
7. Disconnect the scan tool from the Techline Terminal and reconnect the scan tool to the vehicle.
8. With a master vehicle key, turn ON the ignition with the engine OFF.
9. With a scan tool, select Program ECU under Service Programming System.
10. At this point the scan tool must remain connected for the duration of the 10-minute relearn procedure.

11. IMPORTANT:
- The scan tool will initially display 12 Minutes. The first 2 minutes allow the scan tool to initialize the appropriate control module. The remaining 10 minutes is the relearn timer.
- On some vehicles the security indicator may be illuminated for the duration of the 10-minute relearn procedure.

Observe the scan tool, after approximately 10 minutes the scan tool will display "Programming Successful, Turn OFF Ignition". The vehicle is now ready to relearn the key information and/or the passwords on the next ignition switch transition from OFF to CRANK.
12. Turn OFF the ignition and wait 2 minutes.
13. With a master vehicle key, turn the ignition to the RUN position for 15 seconds, then start the vehicle. The TDM and ECM have now relearned the pre-release password and the challenge/response data.
14. With a scan tool, clear any DTCs.
Dec 10, 2019 at 9:53 PM
Advertisement
Avatar
HARLEY JESSICA
  • MEMBER
  • 3 POSTS
Called the dealer today and they said I could bring my own module that I purchased myself online and install and they could program it. They originally quoted $645.00 to replace and program. I bought a $83.00 part plus $15.00 shipping to get it next day. I just have to pay the $65.00 diagnostic and $150.00 to reprogram now. If i could have programmed it myself i would have but i know it needs to be done by dealer. I am going Friday to put the part on and have it done. I will update once i have done so. Thanks for the help. I do have another quick question? The dealer still insists the dash has to be taken off but i am wondering if he just means i have to do so because it is easier to get to the module under the steering column panels? I have already removed all those before so that's not an issue. Just making sure there is nothing i am missing because in actuality i was able to access it without even taking the panel off near the foot pedals.
Dec 11, 2019 at 4:40 PM
Avatar
STEVE W.
  • CERTIFIED EXPERT
  • 15,113 POSTS
Not sure what they are talking about as the module is under the column covers, I know the book says you need to remove the trim panels but it can be done without doing that to get the covers off. Maybe you should remove the covers before you take it in. Then you could ask them why the dash has to come out when the part is plugged in right there??
Dec 11, 2019 at 4:54 PM
Avatar
HARLEY JESSICA
  • MEMBER
  • 3 POSTS
Update: I got my truck back up and running. Went to the dealer this morning, took panels off, removed ignition cylinder, removed and replaced theft module and left it. Few hours later they went out and programmed it for me and called me to say it was ready for pickup. I paid $155.00 to program, $60.00 for diagnostic, taxes, and he knocked off $20.00 for shop supplies after i asked what those were supposed to cover so he just charged $2.18. Paid $110.00 for the part. All in all it was under $335.00 versus $645.00 that they wanted. Honestly i should have never even ran the diagnostic because i already knew that's what the issue was but i felt better just getting it done to know for sure. Thanks for all the help.
Dec 13, 2019 at 4:05 PM
Avatar
STEVE W.
  • CERTIFIED EXPERT
  • 15,113 POSTS
Thank you for the update. Good job in doing your own diagnostics and research. Thank you for using 2CarPros. Return anytime with your auto related questions.
Dec 13, 2019 at 4:24 PM