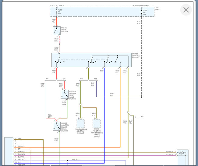
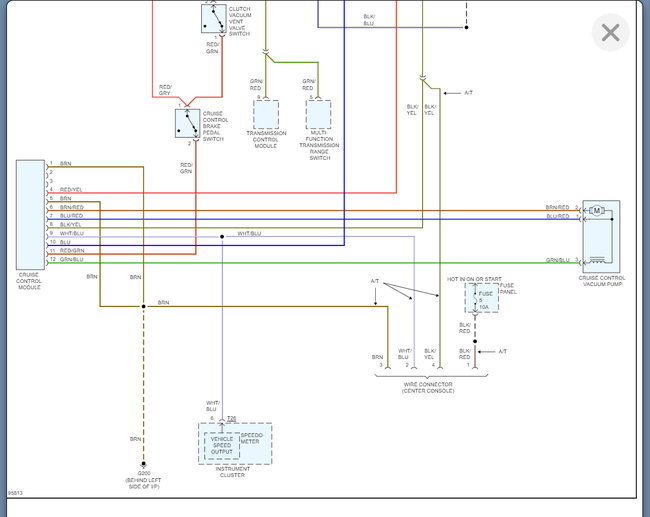
I love my car listed above with a 1.8 turbo. Except for the electrical gremlins. My problem is that my speed control only works when it is really hot outside, and the car has been sitting in the sun for a while. I do not know how to even access it. I think it's on the right-side passenger underneath the glovebox?? but who knows!
Oct 7, 2010 at 8:43 PM


