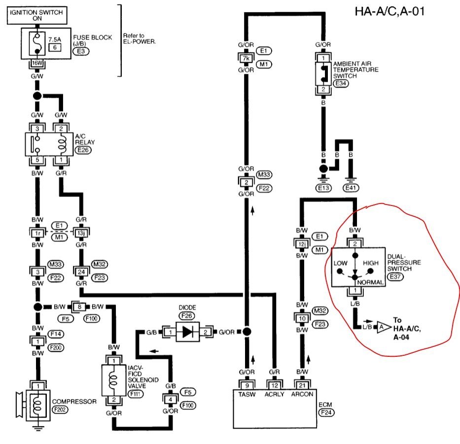
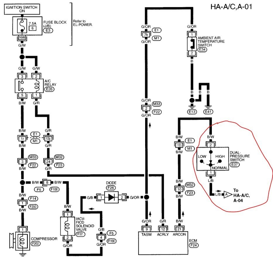
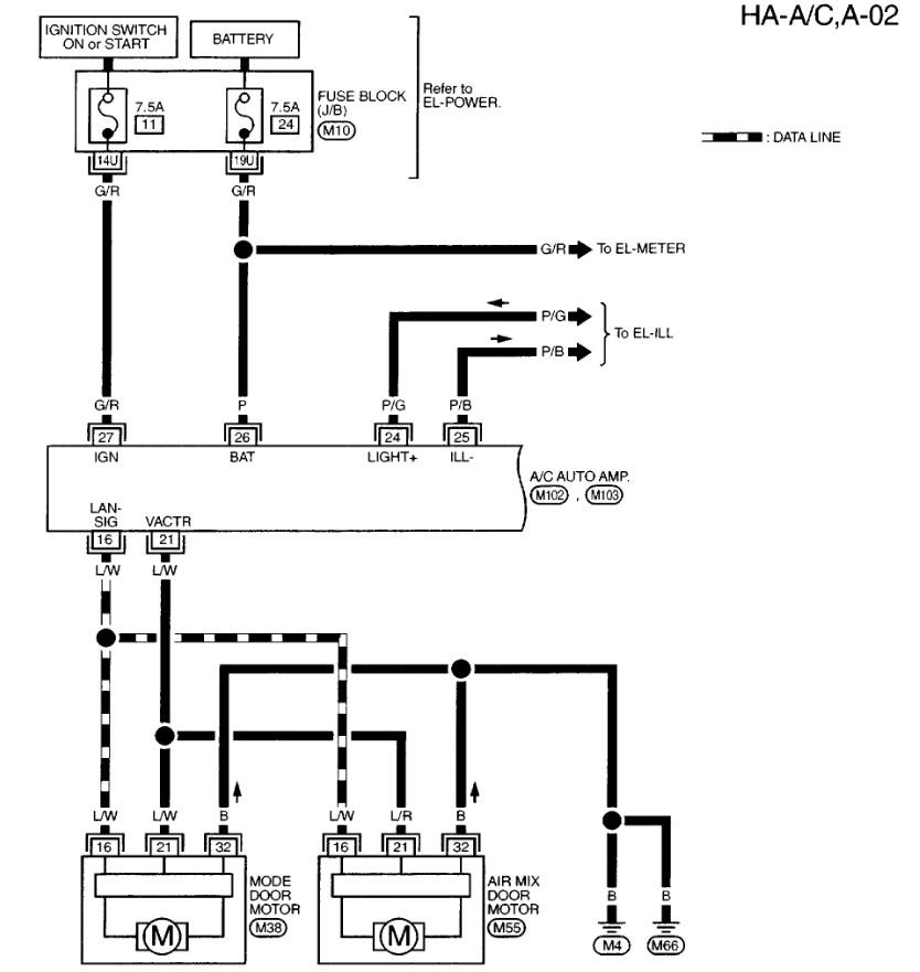
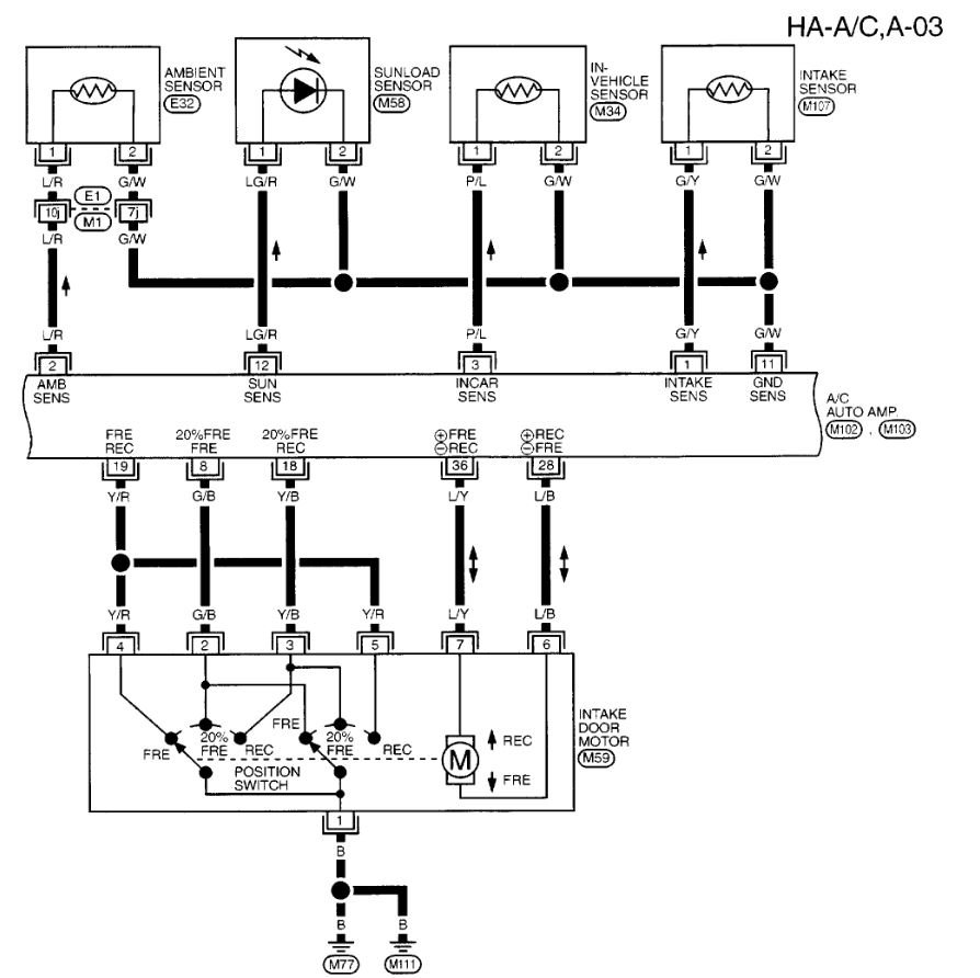
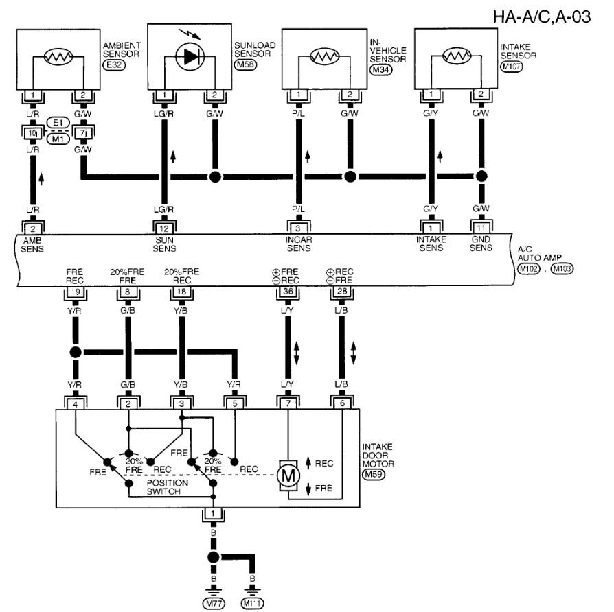
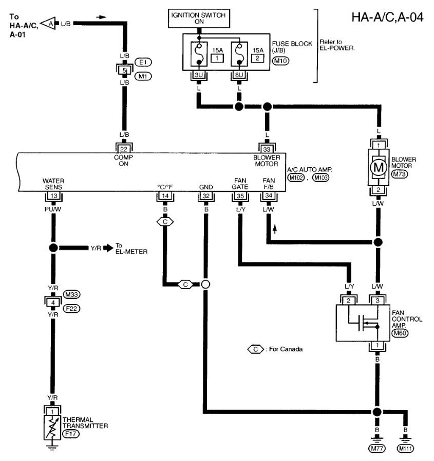
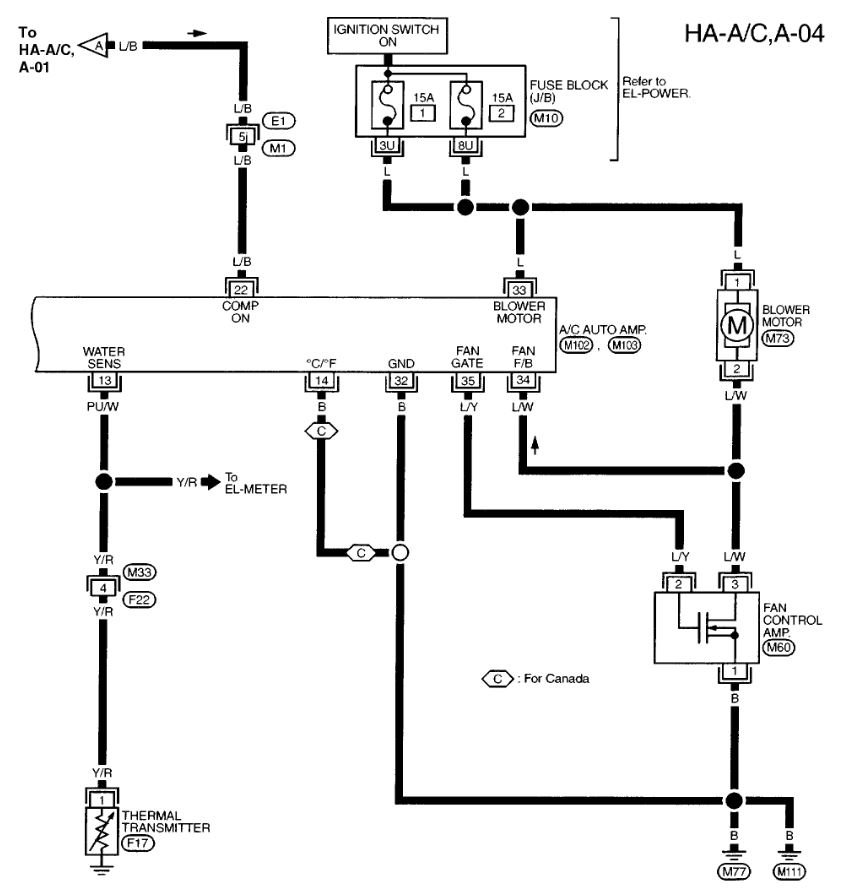
I replaced the old A/C compressor with new one due to noises on the old compressor pulley and clutch. The newly installed A/C compressor has been filled up with refrigerant and was in operation for more than 2 months before I noticed this problem.
When switching on the "Auto" button to activate the A/C, the A/C clutch
of the A/C compressor was continuously engaged with the compressor pulley even though the actual temperature inside the vehicle has reached its intended setting (already cold). What could be the problem that cause the A/C clutch not to disengage from the compressor pulley?
When switching on the "Auto" button to activate the A/C, the A/C clutch
of the A/C compressor was continuously engaged with the compressor pulley even though the actual temperature inside the vehicle has reached its intended setting (already cold). What could be the problem that cause the A/C clutch not to disengage from the compressor pulley?
Jul 27, 2021 at 4:58 AM



