Auto door locks drains battery

2002 SATURN SL2
90,000 MILES • 1.9L • 4 CYL • AUTOMATIC
Avatar
NOELLE DENAULT
  • MEMBER
  • 1 POST
So, I need to pull their fuses. Need to know where they're located, and if not labelled, which ones to pull.
May 3, 2020 at 1:48 PM
Advertisement
Avatar
CJ MEDEVAC
  • CERTIFIED EXPERT
  • 11,004 POSTS
So.

Miss NOELLE DENAULT

I jumped onto another tab (I made sure to be safe, no one else was on my tab)

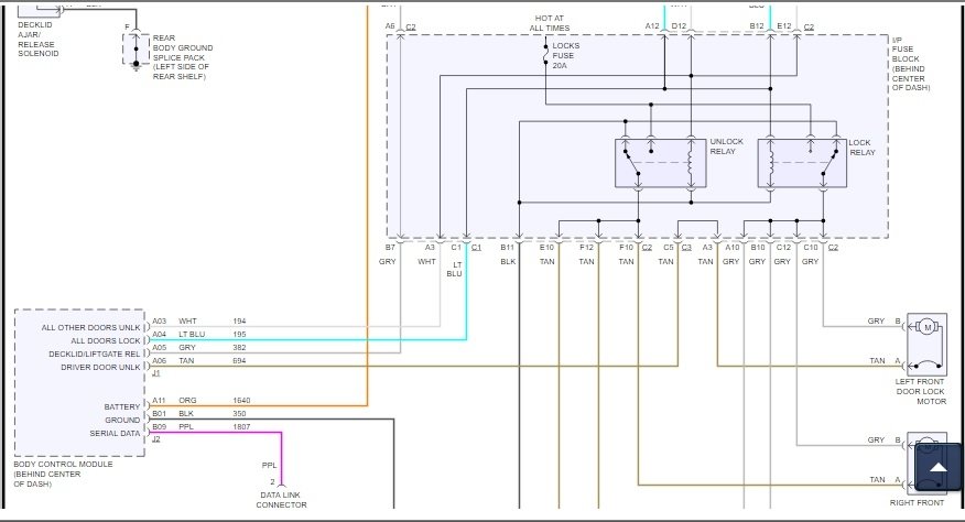
I got on "Prodemand" and looked up your door lock system wire diagram

Again, no one else was there, it was safe for me to take a few screenshots!

Beings that that site is a pay site, I cannot use traditional copy and paste techniques to get diagrams.

Here at 2carpros we are allowed to screenshot some of their info (I reckon we're special or something!)

Anyway,

It took three shots to get the diagram big enough to read.

They stack on one another. (pics at bottom)

I insured they overlapped so that no information got lost. You will notice a little duplication on the adjoining shots.

I went ahead and got the whole deal in case you might need other information.

Notice there are rectangles around some of the items, this would show those items are together in a compartment/ etc.

There is also text right beside the rectangles explaining "what it is" and "where it is located" on the vehicle.

Your fuses are normally at the top of the diagram.

Let us know if this helps you!

The (Safe!) Medic

May 3, 2020 at 7:14 PM
Avatar
STRAILER
  • CERTIFIED EXPERT
  • 53,855 POSTS
Here are the fuse locations. This guide can help as well:

https://www.2carpros.com/articles/car-battery-dead-overnight

Check out the diagrams (below). Please let us know what happens.

May 5, 2020 at 10:50 AM
Advertisement