AWD lights on fault codes I get U100-00 / C1841-13?

2015 ACURA RDX
13,454 MILES • 3.5L • 6 CYL • 4WD • AUTOMATIC
Avatar
ANDRIN ATEM
  • MEMBER
  • 393 POSTS
Hi Pros, can I have the AWD diagram can bus signals, light stays on dash, and these are the fault codes I get U100-00 / C1841-13. Please take a look at the images I sent.
Sep 30, 2024 at 1:42 PM
Advertisement
Avatar
STRAILER
  • CERTIFIED EXPERT
  • 53,855 POSTS
These codes are on because the steering wheel angle sensor needs to be replaced.

U1000-00 - CAN Communication Malfunction:

C1841-13 - VSA (Vehicle Stability Assist) Sensor Malfunction:

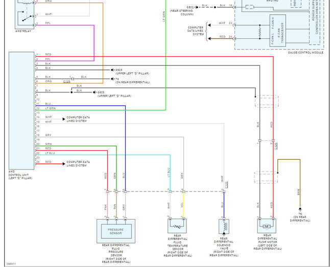
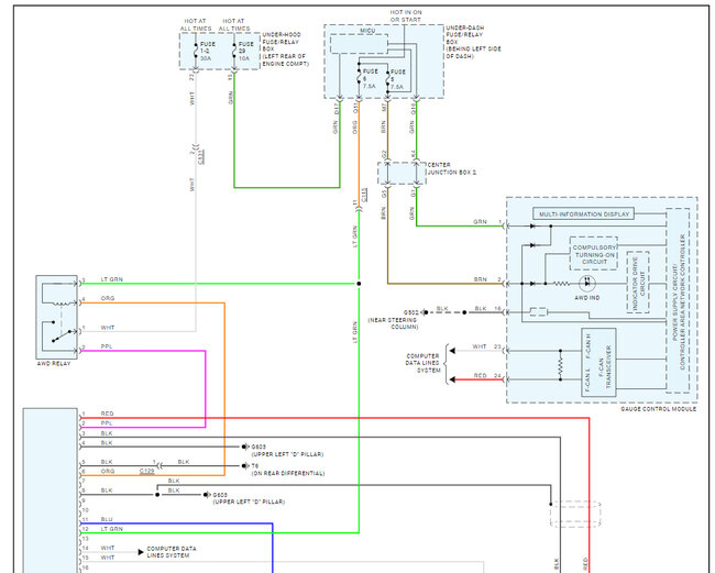
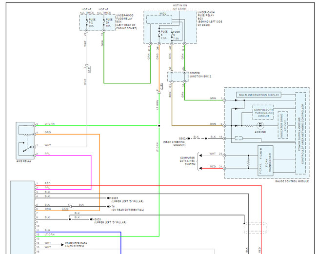
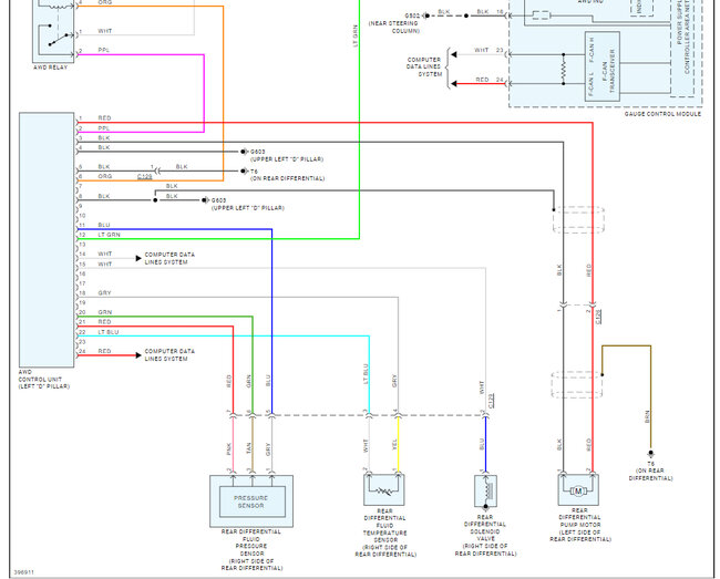
Here is how the job is done to help fix the problem, also clear the codes once the repair is completed. I have included the CAN bus wiring diagrams as you requested. Check out the images (below). Please upload pictures or videos in your response of any problems so we can see what to help you with.
Oct 1, 2024 at 11:09 AM
Avatar
ANDRIN ATEM
  • MEMBER
  • 393 POSTS
Hi, the great Ken, thank again for the info's, let me make use of them and let you know what the results turn out to be.

I appreciate.
Oct 1, 2024 at 11:54 AM
Advertisement
Avatar
STRAILER
  • CERTIFIED EXPERT
  • 53,855 POSTS
You are welcome, let me know :)
Oct 2, 2024 at 8:58 AM
Avatar
ANDRIN ATEM
  • MEMBER
  • 393 POSTS
Sure
Oct 2, 2024 at 10:29 AM
Avatar
ANDRIN ATEM
  • MEMBER
  • 393 POSTS
I reprogrammed the steering angle sensor, the fault does not show up again, but I do still have the AWD light coming on and off in different intervals.

Let me provide new codes I have.
Oct 10, 2024 at 2:53 AM
Avatar
ANDRIN ATEM
  • MEMBER
  • 393 POSTS
Hi Ken, please help get me diagram for the can high and can low for this fault, so I can follow the can bus network to see where the communication ends.
Oct 10, 2024 at 9:21 AM
Avatar
STRAILER
  • CERTIFIED EXPERT
  • 53,855 POSTS
Sure, here is the high and low speed CAn BUS wiring diagrams with a guide to help you with the testing.

https://www.2carpros.com/articles/how-to-check-wiring

Check out the images (below). Please let us know what happens.
Oct 10, 2024 at 12:03 PM