Bad coolant leak

1999 CHEVROLET ASTRO
275,000 MILES • 4.3L • 6 CYL • 2WD • AUTOMATIC
Avatar
CHRISPLUMBER
  • MEMBER
  • 8 POSTS
Have a bad coolant leak. I can pour coolant into my radiator and look under the van and watch it run onto the ground. I replaced water pump but this did not solve the problem.
Feb 6, 2018 at 3:50 PM
Advertisement
Avatar
ASEMASTER6371
  • CERTIFIED EXPERT
  • 52,796 POSTS
Good evening.

where does it appear to be located?

Can you get a bright LED light and locate the source of the leak?

Roy
Feb 6, 2018 at 3:55 PM
Avatar
CARADIODOC
  • CERTIFIED EXPERT
  • 34,308 POSTS
What happened prior to this? Was the van in a crash? Too much water in the coolant, and it froze? Has the coolant been changed regularly? Have you looked at the core plugs and hoses? In what area does the coolant run out?
Feb 6, 2018 at 3:56 PM
Advertisement
Avatar
CHRISPLUMBER
  • MEMBER
  • 8 POSTS
Not in a accident, it started before any cold weather came to Raleigh. but, I did notice that I had to start adding water to it during this past summer then about two months ago I was driving down I 40 and my temperature gauge went into red zone. I pulled into a convenience store and it (now I waited for it to cool down ) but it took two to three gallons of water which got me home. However, it started getting to the point where I was putting two gallons just to drive five miles. so I decided not to drive it anymore, but if I put water into the radiator now about after maybe a gallon I look under the van and you can see the water running completely out. It seem like is running not from the front. I did change out the water pump and it is not leaking there. I went on YouTube but really cannot get an image of where all the coolant hoses run. I had two other guys who are back yard mechanics and one told me it might be were a heater hose that attached to a plastic fitting and that. because it was made might have cracked but I have no idea where it goes or a heater core might be blocked. then a second guy said it was a freeze plug. but like in the top of my comment it started when the weather was warm here and it will start leaking as soon as I pour water into it even if I did not start it. has not been started at all. the second guy said it just might be a hose but when it first started I noticed that I had no heat just cold air coming out and if I start it up until it gets hot. (I do have the dog house off) I can hear water back there behind the engine about center of it the water is gurgling but it does that few a very quick times. like I mentioned earlier it is hard to see where the water is actually leaking from. thanks guys.
Feb 6, 2018 at 6:05 PM
Avatar
ASEMASTER6371
  • CERTIFIED EXPERT
  • 52,796 POSTS
Okay, the best thing to do is take it to a shop and have it pressure tested.

Roy
Feb 7, 2018 at 2:51 AM
Avatar
CHRISPLUMBER
  • MEMBER
  • 8 POSTS
because I cannot drive it.
Feb 7, 2018 at 11:16 AM
Avatar
ASEMASTER6371
  • CERTIFIED EXPERT
  • 52,796 POSTS
Okay, then you can rent a tester at a parts store and pressure up the system. I cannot see it or touch it to diagnose it from here. there are so many possible places for it to leak.

Roy
Feb 7, 2018 at 12:14 PM
Avatar
CHRISPLUMBER
  • MEMBER
  • 8 POSTS
thank you but how can I pressure test it because as soon as I put water in it (or coolant) it starts to run out in a matter of not even a minute, but I do not have the type tools to start taking the engine apart. I cannot see where the leak is. i have had so far four different places for it to be leaking from and in my last comment I said everything that has happened. sir, thank you for responding back to me it has 265,000 miles on it but it runs great. thank you .
Feb 7, 2018 at 1:11 PM
Avatar
ASEMASTER6371
  • CERTIFIED EXPERT
  • 52,796 POSTS
no special tools needed to find the leak except the tester.

once again, you need the dye to put into the system and then pressure it up and look for the source for the leak.

I wish I was there to help you identify the leak but I am not.

Roy
Feb 7, 2018 at 1:19 PM
Avatar
CHRISPLUMBER
  • MEMBER
  • 8 POSTS
thank you for your help. How can I pressure it up when the leak starts as soon as I add water to the radiator?
Feb 7, 2018 at 1:38 PM
Avatar
ASEMASTER6371
  • CERTIFIED EXPERT
  • 52,796 POSTS
Once you add the dye and add pressure it will come out faster so you can identify the area it is coming from.

Roy
Feb 7, 2018 at 1:47 PM
Avatar
CHRISPLUMBER
  • MEMBER
  • 8 POSTS
Okay, thank you sir. how do I add the pressure to it and where I get the dye? sir, i am completely lost.
Feb 7, 2018 at 4:47 PM
Avatar
STRAILER
  • CERTIFIED EXPERT
  • 53,855 POSTS
If it is leaking a with pressure you do not need pressure. Use a flash light and as the coolant is leaking look at where it is coming from. Here is a guide:

https://www.2carpros.com/articles/car-is-leaking-coolant

Let us know what happens and please upload pictures or videos of the problem.

Cheers, Ken

Feb 7, 2018 at 6:50 PM
Avatar
CHRISPLUMBER
  • MEMBER
  • 8 POSTS
hey Ken my mom passed on so I had to go out of town but I finally got back we talked about my 99 astro van with 4.3 engine about a bad coolant leak you sent me some very good info but I had a chance to jack it up somewhat and I found the leak its on the right side of the engine if your facing the motor I see water running down from behind the power steering pump thank you sincerely Chris
Feb 16, 2018 at 6:03 PM
Avatar
ASEMASTER6371
  • CERTIFIED EXPERT
  • 52,796 POSTS
It sounds like either the intake manifold may be leaking or a head gasket. you may need to remove the pump and get a closer look.

Roy
Feb 17, 2018 at 6:05 AM
Avatar
STRAILER
  • CERTIFIED EXPERT
  • 53,855 POSTS
Sorry to hear about your mom, Roy has it right it sounds like the intake manifold gasket is leaking or you have a water pump that has gone out. You might need to take the engine a part a little to see exactly where it is coming from.

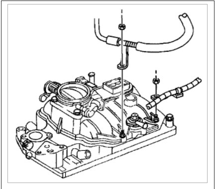
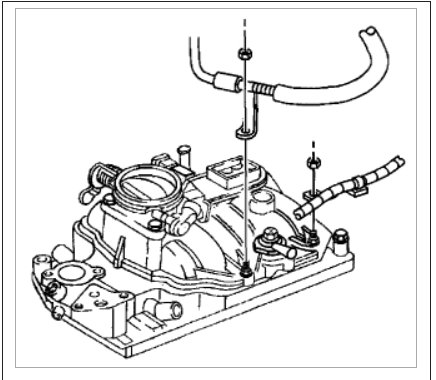
Here are diagrams and a couple guides to help you do the job.

https://www.2carpros.com/articles/water-pump-replacement

and

https://www.2carpros.com/articles/replace-intake-manifold-gasket

Here are what it will be like for your car (below)

Check out the diagrams (Below)

Let us know what happens and please upload pictures or videos of the problem.

Cheers, Ken
Feb 17, 2018 at 11:01 AM