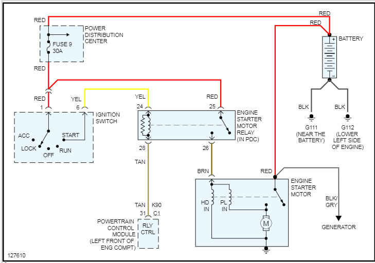
We need to assume at this point that the starter is okay so we need to check voltage at the starter. I attached the wiring diagram.
You should have 12 volts all the time on the red wire but you should have 12 volts on the brown wire only when you are cranking the engine. If you do then I suspect the starter is failed. If not, then the relay or something else is the issue.
https://www.2carpros.com/articles/starter-not-working-repair
Let us know what you find with this and we can go from there. Thanks
Sep 11, 2020 at 5:56 PM