Battery drain

1987 FORD MUSTANG
1 MILES • 5.0L • V8 • 2WD • AUTOMATIC
Avatar
OLVERA515
  • MEMBER
  • 15 POSTS
Alternator checks out okay, just put a new battery in last week already dead and now won’t charge up past 58 percent when volt meter is put on it says 11.6. but try to start and all you hear is clicks.
Aug 3, 2020 at 6:41 PM
Advertisement
Avatar
KASEKENNY
  • CERTIFIED EXPERT
  • 18,907 POSTS
So we need to check for an ignition off draw. This is not the easiest thing to do but is not terrible.

Here is a guide that runs through the most common causes of this:

https://www.2carpros.com/articles/car-battery-dead-overnight

The next thing if it is not any of these is to hook a volt meter up in line of the negative battery and set it to amps. So you put one lead on the battery post and the other lead of the meter on the negative battery cable. This will give us the amount of draw the system has which is what is causing the battery to drain. Then we start unhooking things to see when the draw drops to around 15 milliamps or lower.

Let me know if you have questions about this and we can get more detail. Thanks
Aug 3, 2020 at 7:48 PM
Avatar
OLVERA515
  • MEMBER
  • 15 POSTS
The reading is 11.55.
Aug 3, 2020 at 10:51 PM
Advertisement
Avatar
KASEKENNY
  • CERTIFIED EXPERT
  • 18,907 POSTS
Is it possible to get a picture of the meter and how you have it set up? Because is that 11.55 amps? If so, something isn't right because that draw is too large. Was the ignition off when you took this?
Aug 4, 2020 at 6:20 PM
Avatar
OLVERA515
  • MEMBER
  • 15 POSTS
I found what was draining it used a test light fuse #8 power mirrors, fuel door, radio, and a couple more things. Does this mean I lost a ground?
Aug 4, 2020 at 9:30 PM
Avatar
KASEKENNY
  • CERTIFIED EXPERT
  • 18,907 POSTS
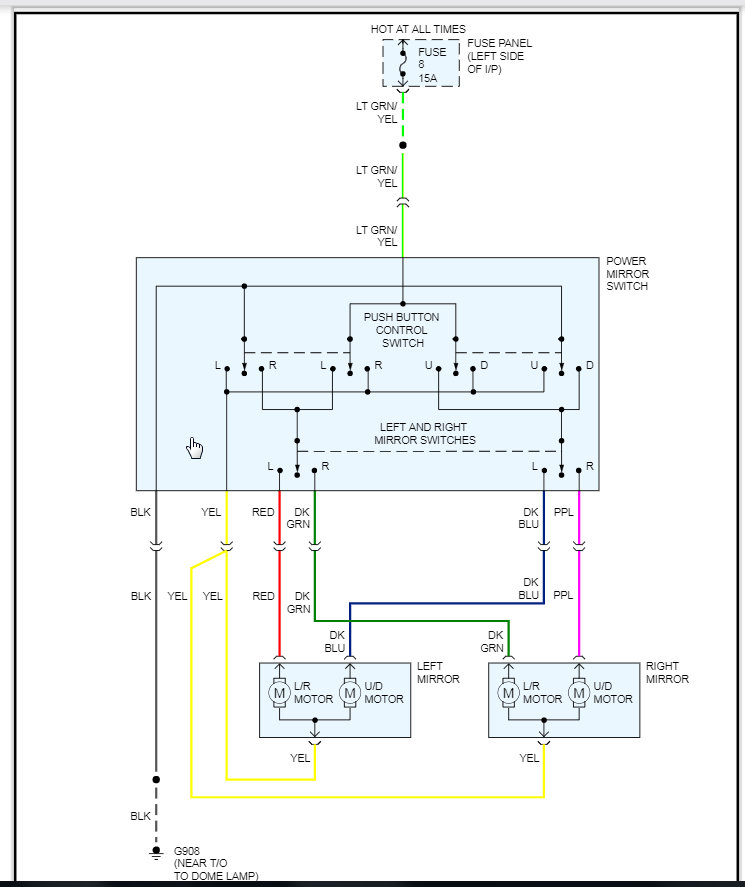
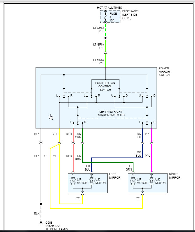
It could be a loose ground but the best way to find out what specific component is causing it once you limit it to a fuse is to remove the components one at a time until the draw is gone. That means any connector on this fuse should be unhooked and see when that draw is gone.

I attached the wiring diagrams. I would suggest removing not only the mirrors but also the switches and other things on each of these diagrams and check the draw on each one.
Aug 5, 2020 at 7:06 PM
Avatar
OLVERA515
  • MEMBER
  • 15 POSTS
On the negative battery side what would make the small black wire get hot when I try and start it?
Aug 5, 2020 at 7:09 PM
Avatar
KASEKENNY
  • CERTIFIED EXPERT
  • 18,907 POSTS
A hot ground wire is normally always a loose connection. Which small wire are you talking about? Can you get a picture of it or just follow it and see where it leads and that may help identify it.
Aug 5, 2020 at 7:25 PM
Avatar
OLVERA515
  • MEMBER
  • 15 POSTS
The big one on the negative side goes to the alternator and there’s a small black one. I’ll trace it and try and get you a picture.
Aug 5, 2020 at 7:59 PM
Avatar
KASEKENNY
  • CERTIFIED EXPERT
  • 18,907 POSTS
Sounds great. Keep us posted. We will wait to hear back. Thanks
Aug 6, 2020 at 5:49 PM