Battery hooked up wrong, A/C Fuse blows instantly and climate control, no lights?

2005 HYUNDAI SONATA
100,000 MILES • 6 CYL • AUTOMATIC
Avatar
STL1
  • MEMBER
  • 6 POSTS
My son had a drained battery, so I went and bought him a new one. I didn't pay attention to when he put the new battery in, and he did negative to positive and vice versa. He did try to start it as well and it didn't work. That's when i checked a saw it was wrong. Once i corrected the issue the car would start. I did change out the fusible link on the positive side and the alternator is now working again. I replaced the ETACS, D/Clock, and ACon fuses in the interior. These were the only fuses that were bad. However, the A/Con fuse immediately pops when turning the key. The only symptoms I can see currently is the Climate Control Module doesn't turn on, and the cigarette power outlets do not work. I have a used CCM coming in the mail in case that is the cause. I don't find any broken fuses under the hood. A lot of the fuses under the hood, however the legs are a little black which is a little concerning. My fuse boxes look like the ones in this link https://fuseandrelay.com/hyundai/sonata-tagaz.html which is different than some videos I've watched. Any advice on other things i need to check or something I'm missing?
May 2, 2023 at 5:01 PM
Advertisement
Avatar
STRAILER
  • CERTIFIED EXPERT
  • 53,855 POSTS
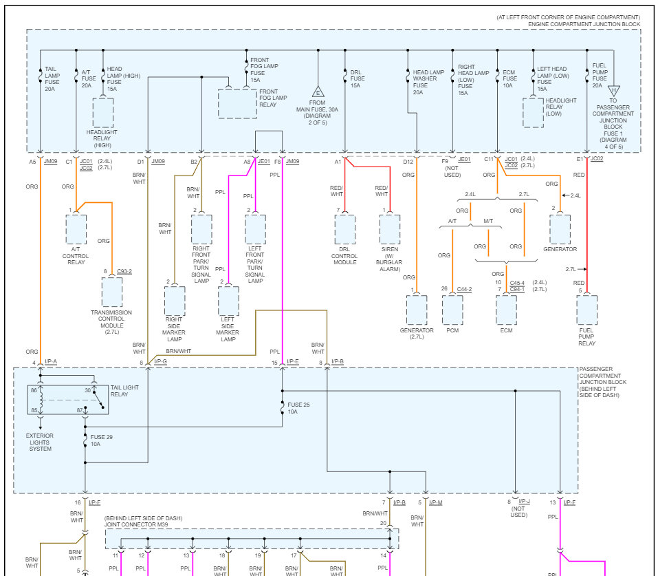
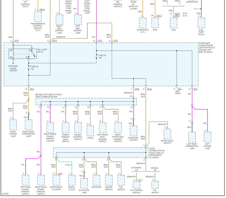
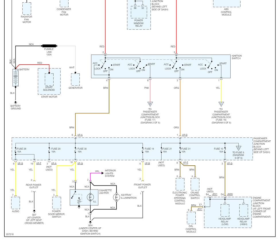
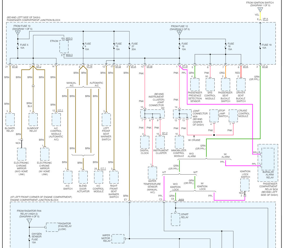
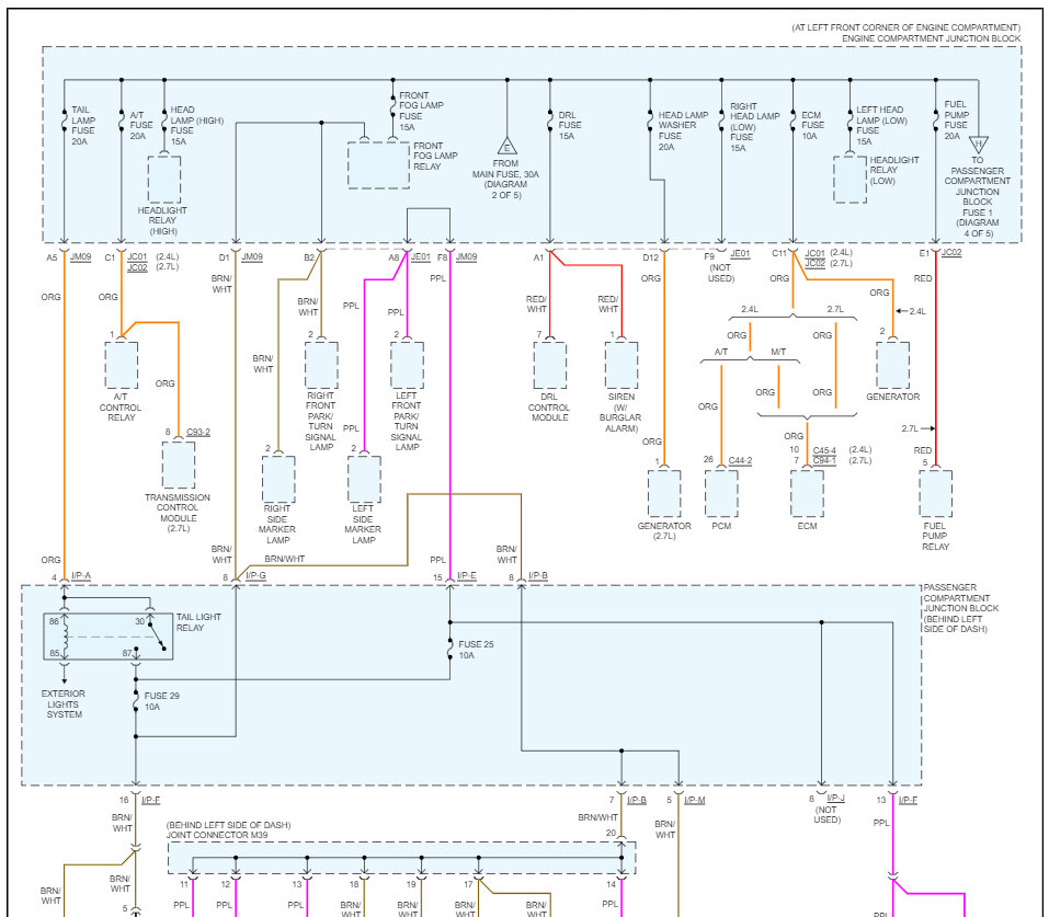
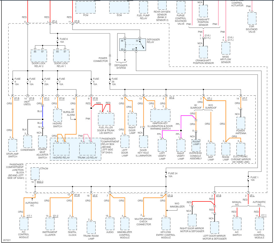
There is an ignition switch fusible link that needs to be checked for power under the hood inside the engine compartment junction block. This guide can make sure the fusible link is still good:

https://www.2carpros.com/articles/how-to-use-a-test-light-circuit-tester

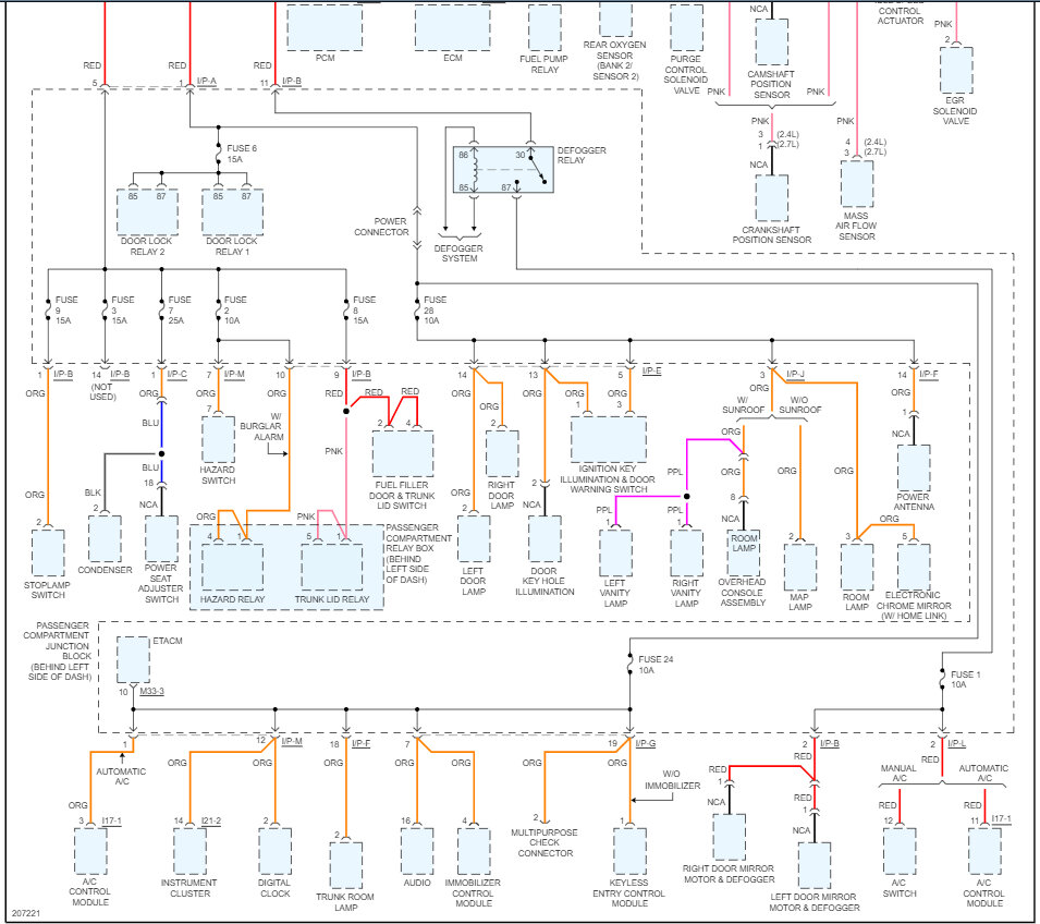
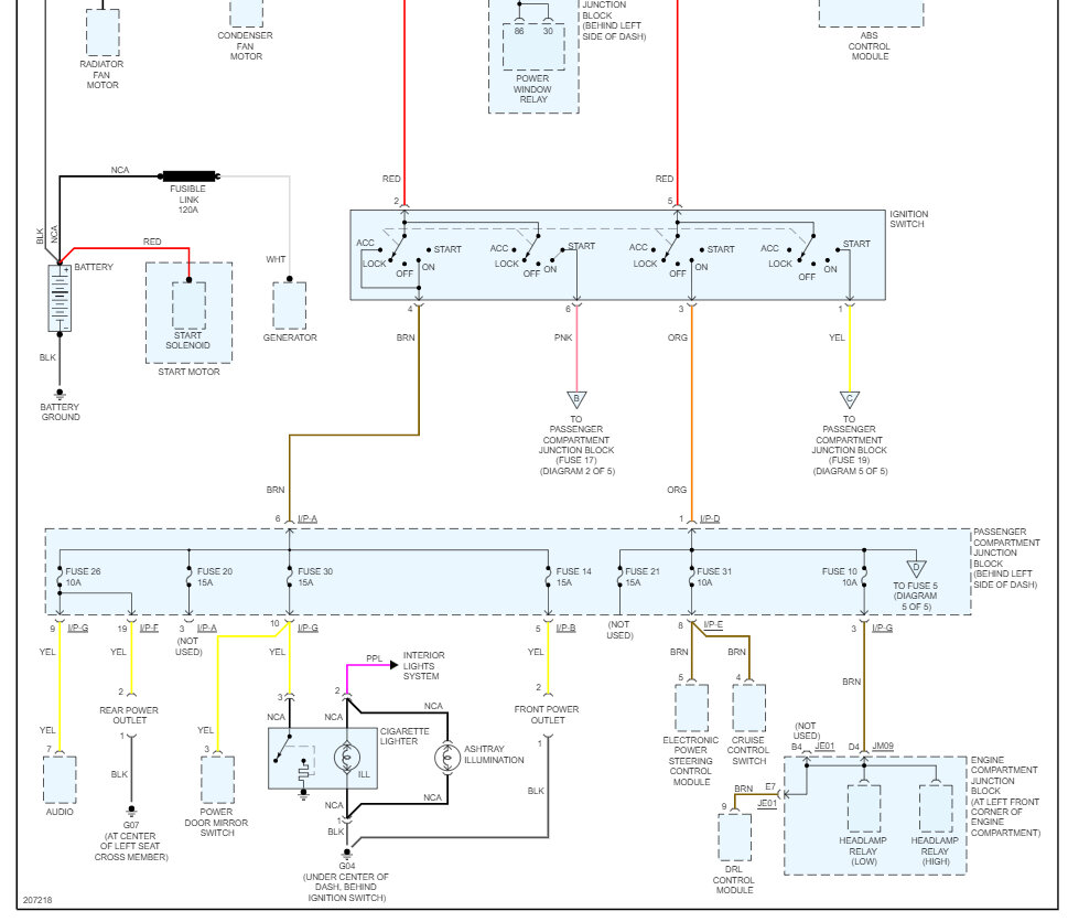
Check out the images (below). Please let us know what happens.
May 3, 2023 at 10:12 AM
Avatar
STL1
  • MEMBER
  • 6 POSTS
Hi, the 2 30-amp fuses identified check out okay.
May 3, 2023 at 10:53 AM
Advertisement
Avatar
STRAILER
  • CERTIFIED EXPERT
  • 53,855 POSTS
Okay, let's check the brown wire coming from the ignition switch when the key is on. You may have a burned-up ignition switch. Here are the power distribution wiring diagrams so you can see how the power is routed through the car. Check for power at each junction to see where it loses it. Check out the images (below). Let us know what happens and please upload pictures or videos of the problem so we can see what's going on.
May 4, 2023 at 10:43 AM
Avatar
STL1
  • MEMBER
  • 6 POSTS
I might be out of my league here. I've checked inside the hood fuse box and can't figure out where the wires go. The fuse box under the dash there's multiple brown wires. Is there some type of diagram/image that shows the location of this wire?
May 6, 2023 at 1:11 PM
Avatar
STRAILER
  • CERTIFIED EXPERT
  • 53,855 POSTS
They don't have diagrams like that unfortunately, reversing the battery cables can cause weird damage. Does the engine start and run now?
May 7, 2023 at 11:04 AM
Avatar
STL1
  • MEMBER
  • 6 POSTS
The engine runs fine and charges as well. It's just the cigarette outlets and the center climate control that doesn't have power. I can only assume the AC fuse in the cabin controls the power to this, but it blows the second the key is turned.
May 7, 2023 at 3:07 PM
Avatar
STRAILER
  • CERTIFIED EXPERT
  • 53,855 POSTS
Can you remove the wire from the compressor and try to replace the fuse again please? Let me know what happens.
May 8, 2023 at 1:26 PM
Avatar
STL1
  • MEMBER
  • 6 POSTS
Thank you for the assistance, I realized that it's above my skill level, so I went ahead and brought it in to a shop. I will update the resolution here once they advise me what is the issue.
May 9, 2023 at 7:33 PM
Avatar
STRAILER
  • CERTIFIED EXPERT
  • 53,855 POSTS
Please do.
May 10, 2023 at 11:13 AM
Avatar
STL1
  • MEMBER
  • 6 POSTS
Here's what i found out today. The Etacs module had a burned up wire that had to be replaced. Also, there was another control module that was burned up and had to be replaced. Both of these were located in the dash. It did take them 2 days to figure it out.
May 12, 2023 at 11:56 AM
Avatar
STRAILER
  • CERTIFIED EXPERT
  • 53,855 POSTS
Thanks for letting us know, we are here to help, please use 2CarPros anytime.
May 13, 2023 at 10:06 AM