Changed battery and alternator. Battery light is still on

2011 CHEVROLET MALIBU
98,000 MILES • 2.4L • 4 CYL • 2WD • AUTOMATIC
Avatar
WILLYANTONY77
  • MEMBER
  • 4 POSTS
Battery was not charging. Changed battery and alternator. Battery light is still on and battery is not charging. Had the alternator checked and is working.
Mar 2, 2020 at 10:18 AM
Advertisement
Avatar
ASEMASTER6371
  • CERTIFIED EXPERT
  • 52,796 POSTS
Good afternoon,

It sounds like the alternator is bad but to be sure lets test it by following these videos and guides.

https://youtu.be/Z-p4dMJUpUw

and

https://www.2carpros.com/articles/how-to-check-a-car-alternator

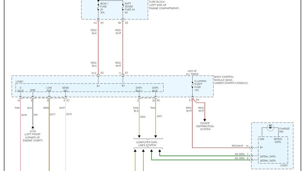
I have uploaded the alternator wiring diagrams so you can see how the system works.
Check out the diagrams (Below). Let us know what happens and please upload pictures or videos of the problem.

Mar 2, 2020 at 12:20 PM
Avatar
WILLYANTONY77
  • MEMBER
  • 4 POSTS
Thank you so much for your help. The alternator seems to be working fine. grounds all seem to be okay, I changed out the generator fuse and it started working.
Mar 3, 2020 at 10:19 AM
Advertisement