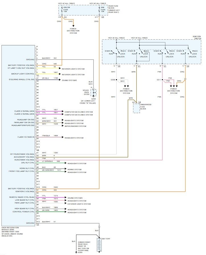
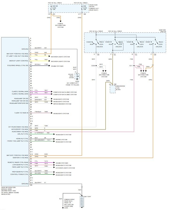
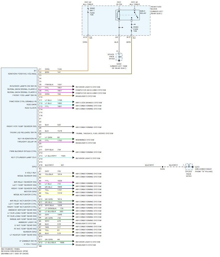
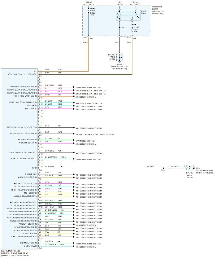
Watched your BCM replacement video on YouTube and need to know where mine is located. I want to remove the piezo element from the BCM to eliminate the chimes ever going off. Need to know where located an if I have to reprogram it if I remove the piezo element and reinstall the BCM?
Mar 2, 2026 at 12:55 PM



