Where is the BCM Located?

2001 CHEVROLET TRACKER
90,000 MILES • 2.0L • 4 CYL • 2WD • MANUAL
Avatar
FSIMMONS1946
  • MEMBER
  • 2 POSTS
Looking for the Body Control Module (BCM). My vehicle has minimum options, but I cannot locate the BCM.
Jan 22, 2023 at 10:12 PM
Advertisement
Avatar
STEVE W.
  • CERTIFIED EXPERT
  • 15,113 POSTS
That is because it doesn't actually have one. Suzuki used individual systems instead of a BCM on those, so when GM set up their joint venture with them, they didn't really change much. That made them one of the simplest vehicles on the market at the time. It's one of the reasons why the 4X4 models are highly sought after as well. They are a rugged little vehicle that do not have a lot of extra fluff.
The Powertrain module though is under the dash on the passenger's side.
Jan 23, 2023 at 7:02 AM
Avatar
FSIMMONS1946
  • MEMBER
  • 2 POSTS
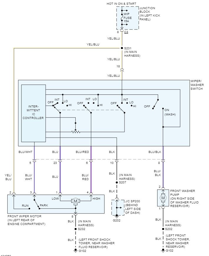
Okay, thanks for your reply! I have a follow up question concerning the same 2001 Chevy Tracker. Changing out the existing steering column for one from a a ZR2 Tracker that has tilt and sequential wipers. Will the sequential wipers automatically work since I don’t have a BCM? The existing column only had 2 speed wipers.
Jan 31, 2023 at 10:51 AM
Advertisement
Avatar
STEVE W.
  • CERTIFIED EXPERT
  • 15,113 POSTS
Well, looking at the service info it shows that they have the intermittent wipers stock. So, in theory they might. They show the connector as 5 pins, if you have that connector and those colors the switch should give you the intermittent wipers.
Jan 31, 2023 at 12:26 PM