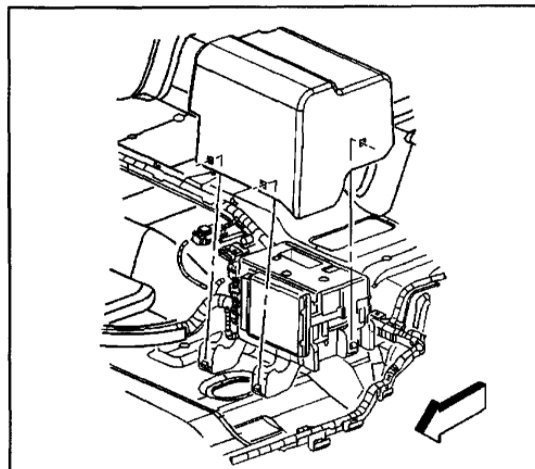
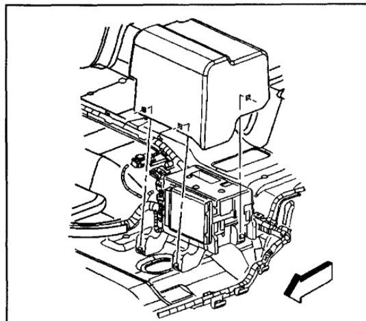
Bought a replacement remanufactured BCM through a reputable parts source. The original module part number has been superceded 2 times so we received module that is current module. We provided the vehicle VIN. So should this type of part come programmed and ready to install in vehicle?
Jan 8, 2021 at 9:04 PM


























