blend door actuator location

2001 BUICK LESABRE
100,000 MILES
Avatar
ROSEROOM
  • MEMBER
  • 1 POST
Understand there are a right and left door actuator for my car. Cannot locate the door for the driver's side. Can anyone help?
Oct 23, 2017 at 11:47 AM
Advertisement
Avatar
SATURNTECH9
  • CERTIFIED EXPERT
  • 30,869 POSTS
Here is a guide to help walk you through the steps with diagrams below to show you how on your car.

https://www.2carpros.com/articles/replace-blend-door-motor

Check out the diagrams (Below). Please let us know if you need anything else to get the problem fixed.
Oct 23, 2017 at 6:51 PM
Avatar
SATURNTECH9
  • CERTIFIED EXPERT
  • 30,869 POSTS
I posted the instructions how to replace the left side blend door actuator.
Oct 23, 2017 at 6:55 PM
Advertisement
Avatar
PM1965
  • MEMBER
  • 1 POST
my car has stopped putting out hot air when I turn the heater on. Just the A/C blows. air only comes out the vents and the floor or windshield options do not work. The air is not being allowed to go through the heater radiator I think? I took the glove box out and I see the blend door actuator to the left with a five wire plug to it. How do I test the power plug to make sure its the unit and not the main control panel where you turn the A/C or heater on. Please advise. Paul M.
Jul 17, 2019 at 1:36 PM (Merged)
Avatar
HMAC300
  • CERTIFIED EXPERT
  • 48,601 POSTS
first thing to try is to pull the HVAC fuse inside car for sixty seconds with key on then reinstall and see if you have heat. this is assuming that the heater hoses are hot. that resets the actuator there are two that you are concerned with , the mode actuator on left hand side of case that controls direction and temperature or blend door actuator controls heat/cold. If this is auto temperature control where you set emp then it has to be scanned for codes. check yellow wire for power if the reset does not work see picture it will be low voltage.
Jul 17, 2019 at 1:36 PM (Merged)
Avatar
FOOTEWI
  • MEMBER
  • 4 POSTS
With air conditioner on, i get cooling on passenger side only. Warm (ambient) air on driver side. This is a manual system; there is only one air mix actuator for both passenger and driver side. All three actuators (air mix, mode and re-circulation) seem to be working properly. This system does not use any vacuum controls. Actuators have been re-calibrated (by removing 10 amp fuse in rear fuse block). A/C system hi and low side pressures are within spec. Thanks.
Mar 22, 2021 at 2:29 PM (Merged)
Avatar
MERLIN2021
  • CERTIFIED EXPERT
  • 17,250 POSTS
If the system is dual range it has two actuators. Here is a guide to help you see how the system works and the location of the actuators for your car (Below).

https://www.2carpros.com/articles/replace-blend-door-motor

Check out the diagrams (Below). Please let us know what happens.

Cheers
Mar 22, 2021 at 2:29 PM (Merged)
Avatar
FOOTEWI
  • MEMBER
  • 4 POSTS
The air conditioner is working fine. I have excellent cooling on passenger side, with AC outlet temperature of about fifty five degrees. The problem is with the the air distribution system.
Mar 22, 2021 at 2:29 PM (Merged)
Avatar
FOOTEWI
  • MEMBER
  • 4 POSTS
Okay by the numbers:

I just went out and checked them again, to be sure I am not leading myself (and you) down the wrong path.

1. Ambient temperature seventy two degrees (about twenty degrees colder than the last time I checked the system). Relative humidity (guess) fifty percent (about twenty five percent lower than the last time I checked system).
2. Passenger side A/C register temperature forty six degrees! (twenty six degrees below ambient). Driver side A/C register temperature around sixty five. (Just below ambient, which is sort of interesting).
3. High side pressure 190.
4. Low side pressure 33.
5. Compressor clutch engaged full time (at least for the five to ten minutes I observed it). No cycling at all.
6. No trouble codes observed using my OBD II reader.

These number are within the specs of the third party (Mitchell) manual I have. I do not have a Buick shop manual.

So, to me, the air conditioner (that is, the condenser/compressor/expansion tube) is working okay. It is the distribution system (what would be an air handler in a home A/C) that is messed up. it is acting like like I am on A/C on one side and vent on the other. That is why I am asking for your help. How can I be getting conditioned air on one side, and ambient air on the other? Are there a separate air flows for driver and passenger sides? If yes, where are the doors/linkages/whatever? How do I adjust/fix them?
Mar 22, 2021 at 2:29 PM (Merged)
Avatar
MERLIN2021
  • CERTIFIED EXPERT
  • 17,250 POSTS
Okay, both readings are too warm for your current temperature and humidity, also the clutch should be cycling at these temperatures, the hotter it gets outside the less cycling it should do. The other thing to quickly look at is the floor wet on the passenger side? By the book driver's side too warm: DRIVER'S-SIDE TEMPERATURE CONTROL SELECTOR INOPERATIVE 2000 Models (Single & Dual Zone Systems) 1. Check HVAC (10-amp) fuse in instrument panel fuse block. If fuse is okay, go to step 3. If fuse is blown, go to next step. 2. Check for short to ground in Brown wire between instrument panel fuse block and A/C-heater control panel Black 12-pin harness connector C2 terminal "C". See Fig. 3 . Repair Brown wire as necessary. After repair, go to step 18. 3. Turn ignition switch to OFF position. Disconnect A/C-heater control panel Black 12-pin harness connector C2. Using a DVOM, measure voltage between A/C-heater control panel harness connector C2 terminals "C" (Brown wire) and "K" (Black wire). If battery voltage does not exist, go to next step. If battery voltage exists, go to step 7. 4. Using a DVOM connected to ground, probe A/C-heater control panel harness connector C2 terminal "C" (Brown wire). If battery voltage does not exist, go to next step. If battery voltage exists, go to step 6. 5. Locate and repair poor connection or open in Brown wire between A/C-heater control panel Black 12-pin harness connector C2 terminal "C" and instrument panel fuse block. After repair, go to step 18. 6. Locate and repair poor connection or open in Black wire between A/C-heater control panel Black 12-pin harness connector C2 terminal "K" and ground. See WIRING DIAGRAMS . After repair, go to step 18. 7. Turn ignition switch to OFF position. Reconnect A/C-heater control panel harness connector C2. Disconnect left electric actuator. Turn ignition switch to ON position. Connect DVOM between left actuator harness connector terminal No. 7 (Black wire) and terminal No. 10 (Brown wire). If battery voltage does not exist, go to next step. If battery voltage exists, go to step 11. 8. Using a DVOM connected to ground, probe left actuator harness connector terminal No. 10 (Brown wire). If battery voltage does not exist, go to next step. If battery voltage exists, go to step 10. 9. Repair poor connection or open in Brown wire between left electric actuator harness connector terminal No. 10 and instrument panel fuse block. See WIRING DIAGRAMS . After repair, go to step 18. 10. Check for poor connection or open in Black wire between left electric actuator harness connector terminal No. 7 and ground connector located behind right side of instrument panel. After repair, go to step 18. 11. Using DVOM connected to ground, probe left electric actuator harness connector terminal No. 8 (Dark Blue wire). Move temperature control lever from COLD to HOT, and from HOT to COLD positions. If indicated voltage varies 1-12 volts, go to next step. If indicated voltage does not vary 1-12 volts, go to step 13. 12. Replace left electric actuator. After repair, go to step 18. 13. Check for short to ground in Dark Blue wire between A/C-heater control panel harness connector C2 terminal "G" and left electric actuator harness connector terminal No. 8. If a short to ground is present, go to next step. If a short to ground is not present, go to step 15. 14. Repair short to ground in Dark Blue wire between A/C-heater control panel harness connector C2 terminal "G" and left electric actuator harness connector terminal No. 8. 15. Check for poor connection or open in Dark Blue wire between A/C-heater control panel harness connector C2 terminal "G" and left electric actuator harness connector terminal No. 8. If problem is found, go to next step. If no problem is found, go to step 17. 16. Repair Dark Blue wire between A/C-heater control panel harness connector C2 terminal "G" and left electric actuator harness connector terminal No. 8 as necessary. After repair, go to step 18. 17. Replace A/C-heater control panel. See A/C-HEATER CONTROL PANEL under REMOVAL & INSTALLATION. After repair, go to next step. 18. Operate system to verify repair. If driver's side temperature control operates normally, repair is complete. If driver's side temperature control does not operate normally, return to step 1.


https://www.2carpros.com/forum/automotive_pictures/62217_Ac_Air_control_1.jpg


https://www.2carpros.com/forum/automotive_pictures/62217_Specs_5.jpg


https://www.2carpros.com/forum/automotive_pictures/62217_pressures_1.jpg

Low side at 50% humidity is a bit low, Raise idle to 2000 with gauges attached, low side will drop, when it gets to 23 the compressor should cycle off. Your orifice tube may be over 90% clogged, they can work up to that point.
Mar 22, 2021 at 2:29 PM (Merged)
Avatar
FOOTEWI
  • MEMBER
  • 4 POSTS
Thanks for your help. Problem solved. I changed the blend door actuator all fixed.
Mar 22, 2021 at 2:29 PM (Merged)
Avatar
MERLIN2021
  • CERTIFIED EXPERT
  • 17,250 POSTS
You are welcome.
Mar 22, 2021 at 2:29 PM (Merged)
Avatar
SCOOTY
  • MEMBER
  • 5 POSTS
I purchased the car listed above Limited this morning. The former owner told be the passenger side heat actuator was shot. I bought a replacement. Now, the passenger side is warm, but the drivers side is ice cold. Is it probable that the drivers side is also shot? How do I access it for a replacement?
Mar 22, 2021 at 2:30 PM (Merged)
Avatar
SCGRANTURISMO
  • CERTIFIED EXPERT
  • 4,897 POSTS
Hello again,

Okay, so in the diagrams down below I have included the instructions from the vehicle manufacturer on the removal procedure for the Temperature Actuator for your vehicle[Manual System]. Installation is the opposite of the removal instructions and when tightening the fasteners their torque value is 12lbs. I hope that this helps.

Thanks,
Alex
2CarPros
Mar 22, 2021 at 2:30 PM (Merged)
Avatar
SCOOTY
  • MEMBER
  • 5 POSTS
Alex,

Please forgive me. Is this the Actuator in the glove box? I replaced it, though I did not tighten the fasteners.

Thanks!
Scooty
Mar 22, 2021 at 2:30 PM (Merged)
Avatar
SCGRANTURISMO
  • CERTIFIED EXPERT
  • 4,897 POSTS
Hello again,

Does the temperature control work now? If so, then that's where it was at. The instructions that I sent earlier are the instructions from the vehicle manufacturer, so if you followed them then that is where it is located. Let us know how it turns out, please.

Thanks,
Alex
2CarPros
Mar 22, 2021 at 2:30 PM (Merged)
Avatar
SCOOTY
  • MEMBER
  • 5 POSTS
Thanks Alex,

I replaced the passenger side actuator and it is working properly; unfortunately, the driver's side is still cold.
Mar 22, 2021 at 2:30 PM (Merged)
Avatar
SCGRANTURISMO
  • CERTIFIED EXPERT
  • 4,897 POSTS
Hello again,

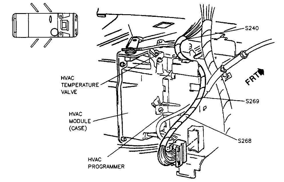
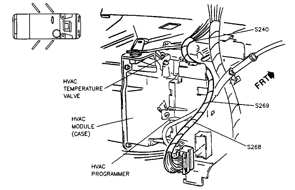
I'm sorry, I forgot to send this along last time. In the diagrams below I have sent the factory instructions with diagram for recalibrating the drivers side temperature control valve. I hope this helps. Please get back to us with how everything turns out.

Thanks,
Alex
2CarPros
Mar 22, 2021 at 2:30 PM (Merged)
Avatar
SCOOTY
  • MEMBER
  • 5 POSTS
Hi Alex,

Can you please tell if this link is located in the glove box or should I be looking somewhere else?
Thanks!
Mar 22, 2021 at 2:30 PM (Merged)
Avatar
SCGRANTURISMO
  • CERTIFIED EXPERT
  • 4,897 POSTS
Hello again,

No, it looks like it is on the back of the HVAC module[case].

Thanks,
Alex
2CarPros
Mar 22, 2021 at 2:30 PM (Merged)
Avatar
SCOOTY
  • MEMBER
  • 5 POSTS
In the end, Alex, the driver's side actuator was also not working. All is well now though! Thank you for your help!
Mar 22, 2021 at 2:30 PM (Merged)