blend door actuator replacement instructions

2016 FORD F-150
63,500 MILES • 3.5L • V6 • 4WD • AUTOMATIC
Avatar
NASA_39A
  • MEMBER
  • 3 POSTS
I am currently running into an issue where my driver side climate control is operating as normal but my passenger side climate control only blows cold air (doesn't matter if it is on the dual setting or not). I am able to adjust the controls to defrost, face, feet, etc. but not the temp on the passenger side. I have replaced the blend door actuator under the glove box on the passenger side but I have not touched the driver's side. It is my understanding that the driver's side controls all but the temperatures, is this true or is this the culprit? Also, I am wondering if this could be a mode door issue but I haven't found much on those. I am struggling to find where they are located with my model too. I would really like to do this work myself so any assistance helps!
Mar 16, 2021 at 5:53 PM
Advertisement
Avatar
STEVE W.
  • CERTIFIED EXPERT
  • 15,113 POSTS
If you have the dual zone option HVAC system there are multiple temperature actuators. In the first image are the 4 actuators. They are the mode actuator on the far left #1 then the two blend door actuators Drivers side is #10, the Passenger side actuator is #4, #5 is the air inlet door, it selects exterior air or recirculates interior air.
The one you replaced was the temperature blend door for the drivers side. The one that controls the passenger side temperatures is located on top of the heater box behind the dash. To access it you have to remove the dash and then the actuator.

This video gives a possible optional method

https://www.youtube.com/watch?v=0Ld5mvyfDUI


Check out the diagrams (Below). Please let us know what happens.
Mar 16, 2021 at 8:50 PM
Avatar
NASA_39A
  • MEMBER
  • 3 POSTS
Thanks for your replay, Steve!

It sounds like a heavy lift for my level of expertise and I may have to take it in. Before I do, have you heard of people running the self test mode and generating any success? From what I found, the self test mode can be ran by holding the power + defrost and then pressing the auto button within a few seconds.

I’d like to give this a try before being slapped with a $1,300 bill. Can you confirm these are the correct steps?
Mar 17, 2021 at 7:34 AM
Advertisement
Avatar
NASA_39A
  • MEMBER
  • 3 POSTS
Hey Steve, I think I may have resolved the issue (temporarily or permanently is tbd). I used the steps in the YouTube video below (not me) and found this returned the climate capabilities of the passenger side!

Start video at 1:40
https://youtu.be/8s35y6Bsmp4
Mar 17, 2021 at 9:21 AM
Avatar
STEVE W.
  • CERTIFIED EXPERT
  • 15,113 POSTS
It might work for a while. Hard to say as it depends on what the initial reason it failed was. If it works great. Now you have a few options to use.
Mar 17, 2021 at 3:55 PM
Avatar
CARLOSPC1990
  • MEMBER
  • 10 POSTS
I'm hearing a constant ticking sound coming from driver side by gas pedal. There is a silver rod attached to what feels like a actuator.
Apr 15, 2021 at 10:08 AM (Merged)
Avatar
STEVE W.
  • CERTIFIED EXPERT
  • 15,113 POSTS
The ticking could be the mode door actuator but none of the actuators have a remote rod connected to them. They are all mounted so the various doors are driven directly. The mode door controls the airflow through the floor/dash and defrost ducting. It is on the left side of the HVAC case in that area, If you go into the drivers foot well and look up on the side of the case you will see the actuator mounted to the side of the case. Held on with 2 screws. Turn the key off and remove the cowl trim cover over the BCM in the right side footwell to access the fuse panel on the BCM under it. Then remove fuse 46 from that box. Now you can disconnect the actuator electrical connector. Then remove the two screws and pull the actuator straight out from the box. Reverse the process to install the new one, you may need move the door shaft under it to get the new one to fit into place, it will depend on where it stopped. Once it is installed connect the wire connection and then put fuse 46 back in. Now turn on the key and wait at least 30 seconds for the actuators to initialize. Once that time is up you can test to see if it now works properly. The most common failure in them is the plastic gears that will have a tooth break off or the plastic "axles" that the gears are on will break off. The ticking is the motor spinning one of the gears and the broken one acting like a ratchet tooth. An easy way to verify it's the issue is to put your fingers on it and move the mode door control from defrost to floor and you will feel it when it starts to click. Check out the diagrams (Below). Please let us know if you need anything else to get the problem fixed.
Apr 15, 2021 at 10:08 AM (Merged)
Avatar
WELDER9876
  • MEMBER
  • 8 POSTS
All the comes out the vents. I have changed the mode door actuator but still no air from floor or defrost. Which is great in the summer but in winter not good in North Dakota.
Apr 15, 2021 at 12:33 PM (Merged)
Avatar
JACOBANDNICKOLAS
  • CERTIFIED EXPERT
  • 110,175 POSTS
Is there power to the actuator? By any chance, did you operate the new actuator prior to install? Did you go through the relearn? Check out the diagrams (Below).

Here are the directions for replacement. The pic attached correlates with the directions. Take a look and see if anything helps.

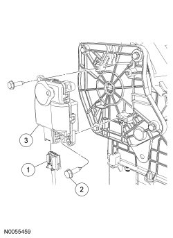
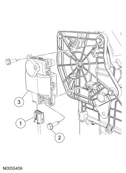
Mode Door Actuator — Defrost/Panel/Floor Door

Item Part Number Description
1 — Defrost/panel/floor door mode door actuator electrical connector (part of 18B518)
2 W701696 Defrost/panel/floor door mode door actuator screw (2 required)
3 19E616 Defrost/panel/floor door mode door actuator

Removal and Installation

NOTE: The defrost/panel/floor mode door actuator can be accessed from underneath the LH side of the instrument panel.

Disconnect the defrost/panel/floor door mode door actuator electrical connector.
Remove the 2 defrost/panel/floor door mode door actuator screws.
Remove the defrost/panel/floor door mode door actuator.
NOTICE: The ignition key must be off when replacing the actuator. Energizing the actuator before installation will cause the part to become positioned incorrectly and proper orientation will be lost. Incorrect actuator operation will result.

To install, reverse the removal procedure.
Remove the passenger side cowl trim panel. For additional information, refer to Section 501-12 .
NOTE: The purpose of the module actuator position calibration is to allow the HVAC module to reinitialize and calibrate the actuator stop points. To carry out calibration, carry out the following steps.

Remove Body Control Module BCM fuse 46 for at least one minute.
NOTE: When the ignition switch is switched to the ON position, the HVAC module will initialize and calibrate the actuators. Calibration of the actuators will take approximately 30 seconds.

Reinstall BCM fuse 46. Turn the ignition switch to the ON position and wait 30 seconds before verifying correct mode door actuator operation.

Check out the diagrams (Below). Please let us know what you find. We are interested to see what it is.
Apr 15, 2021 at 12:33 PM (Merged)
Avatar
WELDER9876
  • MEMBER
  • 8 POSTS
I will try the relearn process.
Apr 15, 2021 at 12:33 PM (Merged)
Avatar
JACOBANDNICKOLAS
  • CERTIFIED EXPERT
  • 110,175 POSTS
Hi,

Let me know the results. If that doesn't work, then we have to check for power to the actuator itself. There could be an issue before the actuator. On the other hand, the actual mode door may be stuck, disconnected, or damaged.

Let me know.

Joe
Apr 15, 2021 at 12:33 PM (Merged)
Avatar
WELDER9876
  • MEMBER
  • 8 POSTS
How can fix the mode door if it stuck or disconnected? Is there a way to work on without taking the interior out?
Apr 15, 2021 at 12:33 PM (Merged)
Avatar
JACOBANDNICKOLAS
  • CERTIFIED EXPERT
  • 110,175 POSTS
If something has come apart, we can try to identify it from under the dash. If that doesn't work, the heater box will need removed to determine what is happening. I have to be honest, I don't suspect it to be the issue. I have a feeling there is no power to the actuator.
Apr 15, 2021 at 12:33 PM (Merged)
Avatar
DEFLVPM
  • MEMBER
  • 1 POST
When I turn on my vehicle and A/C I hear a clicking sound within the dash. The A/C works fine even though I can hear the clicking sound. However, the heater only works on the driver’s side. The passenger side and the vents from the center console blow cool air. I understand there are two actuators located behind the radio and one underneath the glove box. Which one of the two is the problem?
Apr 15, 2021 at 12:33 PM (Merged)
Avatar
ASEMASTER6371
  • CERTIFIED EXPERT
  • 52,796 POSTS
Good afternoon,

Yes, the actuator is behind the radio. I attached pictures for you of the location and the procedure for replacing the actuator.

Removal and Installation

1. Remove the Audio Control Module (ACM). For additional information, refer to Information and Entertainment Systems See: Communications Control Module > Removal and Replacement > Audio Control Module (ACM).

2. While pushing the glove compartment door tab, position the glove compartment downward.

3. Detach the 2 wire harness pin-type retainers and position the wire harness aside.

4. NOTE: The forward RH temperature blend door actuator screw can be removed with a combination wrench. With one hand working through the ACM opening, hold the top end of the combination wrench. With the other end of the combination wrench pointing away (toward the right front corner of the vehicle), and with the other hand working through the glove compartment opening, the combination wrench can be manipulated.

Remove the 2 RH temperature blend door actuator screws.

5. Detach the temperature blend door actuator.

6. Disconnect the temperature blend door actuator electrical connector.

7. Remove the temperature blend door actuator.

8. NOTICE: The ignition key must be off when replacing the actuator. Energizing the actuator before installation will cause the part to become positioned incorrectly and proper orientation will be lost. Incorrect actuator operation will result.

To install, reverse the removal procedure.

9. NOTE: The purpose of the module actuator position calibration is to allow the HVAC module to reinitialize and calibrate the actuator stop points. To carry out calibration, carry out the following steps.

Remove Smart Junction Box (SJB) fuse 15 for at least one minute.

10. NOTE: When the ignition switch is switched to the ON position, the HVAC module will initialize and calibrate the actuators. Calibration of the actuators will take approximately 30 seconds.

Reinstall SJB fuse 15. Turn the ignition switch to the ON position and wait 30 seconds before verifying correct mode door actuator operation.
Apr 15, 2021 at 12:33 PM (Merged)
Avatar
AG9
  • MEMBER
  • 2 POSTS
So my A/C has been going in and out for the past week or so but when it was working it was totally fine, I could control it and it was perfectly cold. I went ahead and took it to a because I knew it was about to completely quit and they put a new blower motor in it. When I got it back it would blow but it only blew hot air. After I took it back they told me that it was something in the console that wasn't working and that it wasn't anything they did, but before they put the blower in everything was fine. Could they have caused this? Like made a circuit or switch short? Or do i have the worst luck?

I have checked coolant level, made sure hose isn't leaking, and changed the air filter.
Apr 15, 2021 at 12:33 PM (Merged)
Avatar
JACOBANDNICKOLAS
  • CERTIFIED EXPERT
  • 110,175 POSTS
Welcome to 2CarPros.

It is possible they caused it, but unlikely. Under the dash in the HVAC system is what is called a blend air door. The door's position is actuated by an electrical motor. If it is disconnected, you will only get heat or AC based on the position of the door.

Now the reason I said unlikely is because the blower motor's location in regards to the blend air door, but the connection is located behind the glove box, the same area where they would have worked on the blower motor. Maybe it was left disconnected or accidentally disconnected. That is where I would check.

Now the location is different if you have dual climate control. However, based on your description, I believe you have standard control. If I am wrong, let me know.

Here are the directions for replacement of the blend air door actuator. I will provide everything so you can locate the wiring and see if anything is disconnected. The attached pictures correlate with the directions. If everything is connected, I need you to pay attention to the directions starting with number 7. That is how the actuator is calibrated. If it was disconnected and the steps weren't followed, that can cause this problem as well.


Temperature Blend Door Actuator - RH

Removal and Installation

1. Remove the Audio Control Module (ACM). For additional information, refer to Accessories and Optional Equipment.

2. While pushing the glove compartment door tab, position the glove compartment downward.

3. Detach the 2 wire harness pin-type retainers and position the wire harness aside.

4. NOTE: The forward RH temperature blend door actuator screw can be removed with a combination wrench. With one hand working through the ACM opening hold the top end of the combination wrench. With the other end of the combination wrench pointing away (toward the right front corner of the vehicle) and with the other hand working through the glove compartment opening. the combination wrench can be manipulated.

3. Remove the 2 RH temperature blend door actuator screws.
4. Detach the temperature blend door actuator.
5. Disconnect the temperature blend door actuator electrical connector.
6. Remove the temperature blend door actuator.

7. NOTICE: The ignition key must be off when replacing the actuator. Energizing the actuator before installation will cause the part to become positioned incorrectly and proper orientation will be lost. Incorrect actuator operation will result.

To install, reverse the removal procedure.

8. NOTE: The purpose of the module actuator position calibration is to allow the HVAC module to reinitialize and calibrate the actuator stop points. To carry out calibration, carry out the following steps.

Remove Smart Junction Box (SJB) fuse 15 for at least one minute. See: Fuse > Application and ID

9. NOTE: When the ignition switch is switched to the ON position, the HVAC module will initialize and calibrate the actuators. Calibration of the actuators will take approximately 30 seconds.

Reinstall SJB fuse 15. Turn the ignition switch to the ON position and wait 30 seconds before verifying correct mode door actuator operation.


Check out the diagrams (Below). Please let us know what you find.
Apr 15, 2021 at 12:33 PM (Merged)
Avatar
AG9
  • MEMBER
  • 2 POSTS
Thank you for the response, actually it is dual climate control. How much does that change your thoughts on the problem?
Apr 15, 2021 at 12:33 PM (Merged)
Avatar
JACOBANDNICKOLAS
  • CERTIFIED EXPERT
  • 110,175 POSTS
Welcome back:

Honestly, it changes from one actuator to two actuators. Take a look at the attached picture. I circled the wiring for both. Check both of them to make sure nothing is disconnected.

Joe
Apr 15, 2021 at 12:33 PM (Merged)
Avatar
ERICO DESANTIS
  • MEMBER
  • 4 POSTS
I am trying to replace my blend door actuator behind the radio closer to the passenger side of the truck. The problem is the new actuator "grooves" do not line up to where the old actuator "grooves" are. How can I move the grooves on the new actuator so the screw holes line up to put it back in? See picture.
Apr 15, 2021 at 12:34 PM (Merged)
Avatar
ERICO DESANTIS
  • MEMBER
  • 4 POSTS
Sorry, the Image didn't appear the first time I tried to upload it.
Apr 15, 2021 at 12:34 PM (Merged)
Avatar
ASEMASTER6371
  • CERTIFIED EXPERT
  • 52,796 POSTS
Good afternoon,

You need to rotate the white shaft to the same position as the old one. It will turn but maybe a little stiff.

Once you install it the actuator must be calibrated.

Note: Because the battery has been disconnected as part of the removal procedure the HVAC module will initialize and calibrate the actuators when the ignition switch is switched to the "on" position. The purpose of the module actuator position calibration is to allow the HVAC module to reinitialize and calibrate the actuator stop points. Calibration of the actuators will take approximately thirty seconds.

Turn the ignition switch to the "on" position and wait thirty seconds before verifying correct temperature blend door actuator operation.

Roy

Apr 15, 2021 at 12:34 PM (Merged)
Avatar
ERICO DESANTIS
  • MEMBER
  • 4 POSTS
Which way does it turn? It is not turning at all. I’ve seen people hook up a battery to it but that did not work either. How hard should I force it? My fingers/hands are killing me.
Apr 15, 2021 at 12:34 PM (Merged)
Avatar
ASEMASTER6371
  • CERTIFIED EXPERT
  • 52,796 POSTS
Okay, you can plug in the electrical connector, turn on the key and change the command from heat to cold until it lines up.

Roy
Apr 15, 2021 at 12:34 PM (Merged)
Avatar
ERICO DESANTIS
  • MEMBER
  • 4 POSTS
All set. Your solution worked. I plugged it in, turned key to the on position, adjusted heat/cold knob until it moved into the correct spot (screw holes lined up). Then I installed the screws. Thanks again!
Apr 15, 2021 at 12:34 PM (Merged)
Avatar
METONTO
  • MEMBER
  • 1 POST
My defroster can not keep up with icing on the windshield. The air comes out of the center vents I think it needs a mode actuator can you help please?
Apr 15, 2021 at 12:34 PM (Merged)
Avatar
KASEKENNY
  • CERTIFIED EXPERT
  • 18,907 POSTS
Just to be sure, you have an issue with the air coming out of the center defrost vents but not the outer vents?

here is a guide on a blend door and while this is a mode door issue it gives good info.

https://www.2carpros.com/articles/replace-blend-door-motor

This would be a mode door issue so I attached the info below from the manual on how to replace this.

Please run through this material and we an go from there. Thanks
Apr 15, 2021 at 12:34 PM (Merged)
Avatar
GARYSIMPSON
  • MEMBER
  • 22 POSTS
How do you remove and install the heater blend door it only blows luke warm air.check hoses under hood both hot
Apr 15, 2021 at 12:35 PM (Merged)
Avatar
STRAILER
  • CERTIFIED EXPERT
  • 53,855 POSTS
Hello,

Here are two guides to help walk you through the repair and diagrams below to show the blend door actuators and their locations. Check the vacuum supply to the actuators

https://www.2carpros.com/articles/replace-blend-door-motor

and

https://www.2carpros.com/articles/car-heater-not-working

Check out the diagrams (Below). Please let us know what you find. We are interested to see what it is.
Apr 15, 2021 at 12:35 PM (Merged)
Avatar
CADZILLA
  • MEMBER
  • 1 POST
My truck puts out no heat whatsoever. I have changed the thermostat (no change). I purchased a heater control valve and cannot find it on the truck (I was told it would be under the hood in the heater lines, but I sure don't see it. I have gotten conflicting stories that it does and does not have a heater control valve. Can you steer me in the right direction? Thank you.
Apr 15, 2021 at 12:38 PM (Merged)
Avatar
DAVE H
  • CERTIFIED EXPERT
  • 13,384 POSTS
chech heater core hoses .. if they are getting hot check blend door is opening correctly DESCRIPTION Heater system is a blend-air type, consisting of a control panel, blower motor and plenum assembly. Blower motor is located in plenum assembly, under instrument panel. Plenum assembly contains heater core, floor/defrost door, panel/defrost door and electric motor actuated temperature blend door. See Fig. 1 .


https://www.2carpros.com/forum/automotive_pictures/266999_blend_2.jpg

INSUFFICIENT HEAT Check for low coolant level. Check for pinched, damaged, collapsed, or improperly routed heater hoses. Ensure engine is not overheating. Check for plugged or partially plugged heater core. TEMPERATURE CONTROL KNOB Temperature control knob controls a blend door potentiometer which controls an electronic temperature blend door motor. Temperature blend door motor provides a variable number of temperature blend door positions. When temperature control knob is in COOL position, temperature blend door shuts off airflow to heater core. When knob is in WARM position, air is directed through heater core. When knob is in intermediate positions, heated air is blended with cooler incoming air to achieve desired temperature.
Apr 15, 2021 at 12:38 PM (Merged)
Avatar
TROUTDIGGLER
  • MEMBER
  • 1 POST
My heater will turn on and stay warm for a few minutes then it reverts back to blowing cold air. What would cause this?
Apr 15, 2021 at 12:39 PM (Merged)
Avatar
STRAILER
  • CERTIFIED EXPERT
  • 53,855 POSTS
Hello,

It sounds like the temperature blend door actuator has gone out. Here is a guide to help you see what you are in for when doing the job.

https://www.2carpros.com/articles/replace-blend-door-motor

and

https://www.2carpros.com/articles/car-heater-not-working

Check out the diagrams (Below) Let us know what happens and please upload pictures or videos of the problem.

Apr 15, 2021 at 12:39 PM (Merged)
Avatar
TROUTDIGGLER
  • MEMBER
  • 1 POST
Yep that was the problem thanks for helping me fix my truck now I wont need to freeze my a** off. ;)

Apr 15, 2021 at 12:39 PM (Merged)
Avatar
JOE BOYLE
  • MEMBER
  • 2 POSTS
I have no control of the heating/cooling temperature on my truck listed above. Both the air conditioner and heater work fine, but it appears that the blend door changes position randomly. When the system is operating I can hear what I believe is the blend door popping open or closed, followed by a change from cold to hot air or vise versa.
Apr 15, 2021 at 12:39 PM (Merged)
Avatar
JACOBANDNICKOLAS
  • CERTIFIED EXPERT
  • 110,175 POSTS
Hi,

If you find the actuator is the cause, here are the directions for replacing the actuator. The attached pics correlate with the directions.

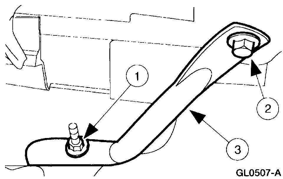
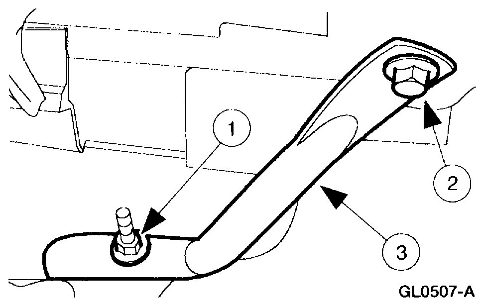
1. Remove the floor duct panel.
^ Remove the two plastic push pins (one each side) and release the expander clip.
2. Remove the RH instrument panel brace.
1. Remove the lower nut.
2. Remove the upper bolt.
3. Remove the brace.
3. Remove the LH instrument panel lower nut and position brace out of the way.
4. Remove the floor duct.
1. Remove the two screws (one each side).
2. Remove the floor duct.
5. Remove the electronic actuator.
1. Disconnect the electrical connector.
2. Remove the three screws.
3. Pull down to release the actuator shaft and remove the electronic actuator.

INSTALLATION

1. To install, reverse the removal procedure.

Check out the diagrams (Below). Please let us know what you find. We are interested to see what it is.
Apr 15, 2021 at 12:39 PM (Merged)
Avatar
SIMMONS220
  • MEMBER
  • 3 POSTS
Hey, I hope it is okay to ask this question in here because a lot of the information in this thread is really helpful. I have a dual climate system in my 2012 truck. Driver side blowing cold, so I know it is the lower actuator that needs to be replaced. I plan on pulling the dash to do it the proper way because I don't really want to cut up parts of my truck like a lot of others suggest.

My question is, does anyone have access to the factory "procedure" of how to replace the lower actuator? Once I get the dash off, how do I access the lower actuator that would be simpler than the other messages suggested on forums that include cutting into the ducting.
Nov 7, 2021 at 5:23 PM
Avatar
SQM
  • CERTIFIED EXPERT
  • 6,383 POSTS
Hello,

We will be happy to provide you with that information.
However, since your vehicle is a 2012 (which is different than the 2016 on this thread), please start a new thread.

Just go to this link:

https://www.2carpros.com/questions/new

We will look out for your question.

Thank you very much.
Nov 10, 2021 at 11:06 PM