Headlights and turn signal lights do not work

2006 HYUNDAI ELANTRA
178,000 MILES • 1.0L • 4 CYL • 2WD
Avatar
KIETH SALYER
  • MEMBER
  • 9 POSTS
My husband's work but my headlights are blinker lights do not work. I checked the fuses they're good. I replaced the switch arm and I replaced the relay.
Jan 27, 2022 at 10:24 AM
Advertisement
Avatar
KASEKENNY
  • CERTIFIED EXPERT
  • 18,907 POSTS
So, if the fuses are good and the relay and switch are new, we need to start checking voltage through the system to find out where we have power and where we do not.

https://www.2carpros.com/articles/how-to-check-wiring

Basically, in what you replaced; we have all the major components that would cause this. Now we need to start checking the system to find out where we have power and where we do not.

If neither side of the turn signals work, then we have to assume it is not a ground because they are different grounds for each side.

This means we most likely have a power feed issue.

I would suggest checking voltage at both fuses and then go to each component and see where you are losing the power and that will be where our issue is.

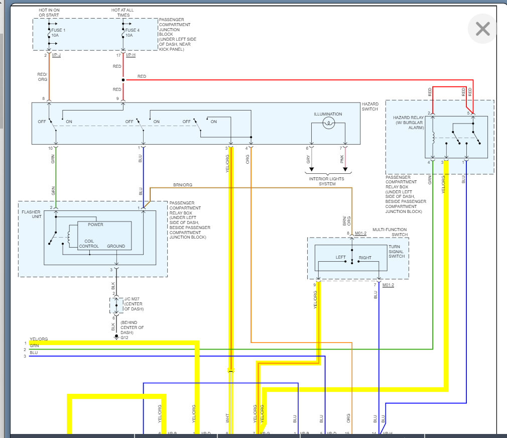
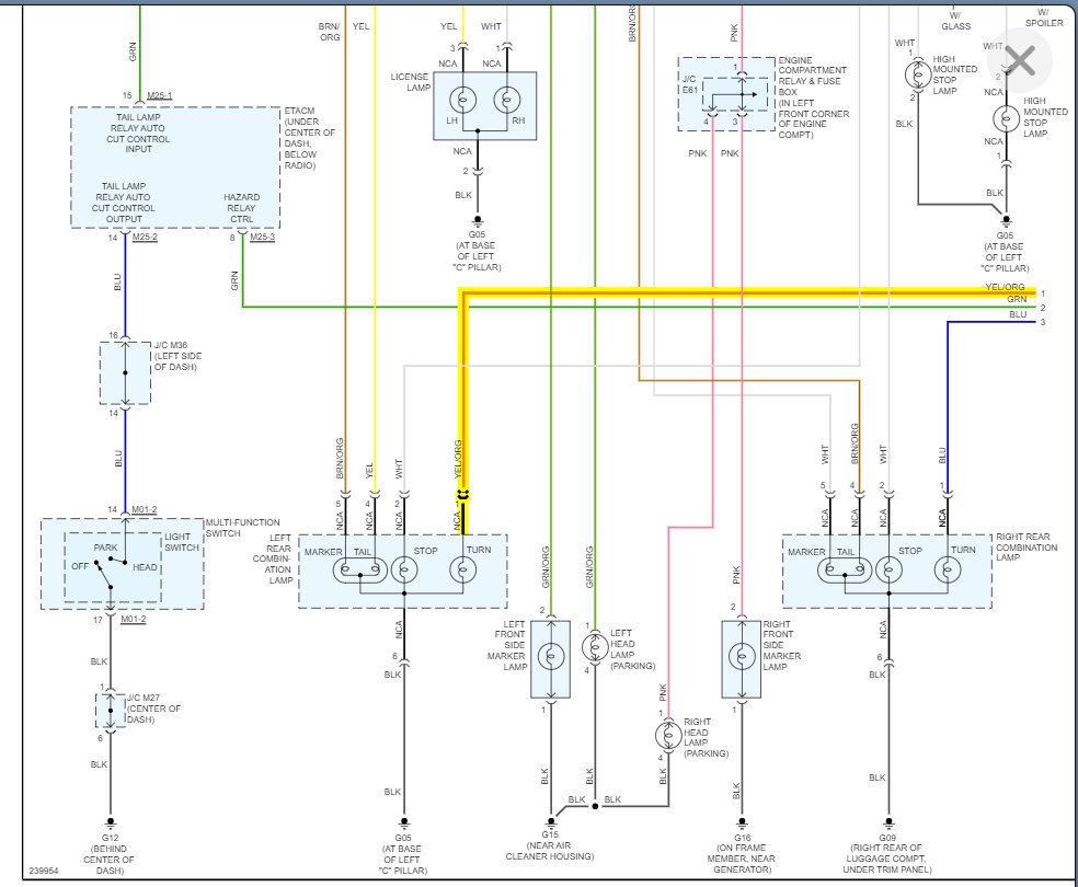
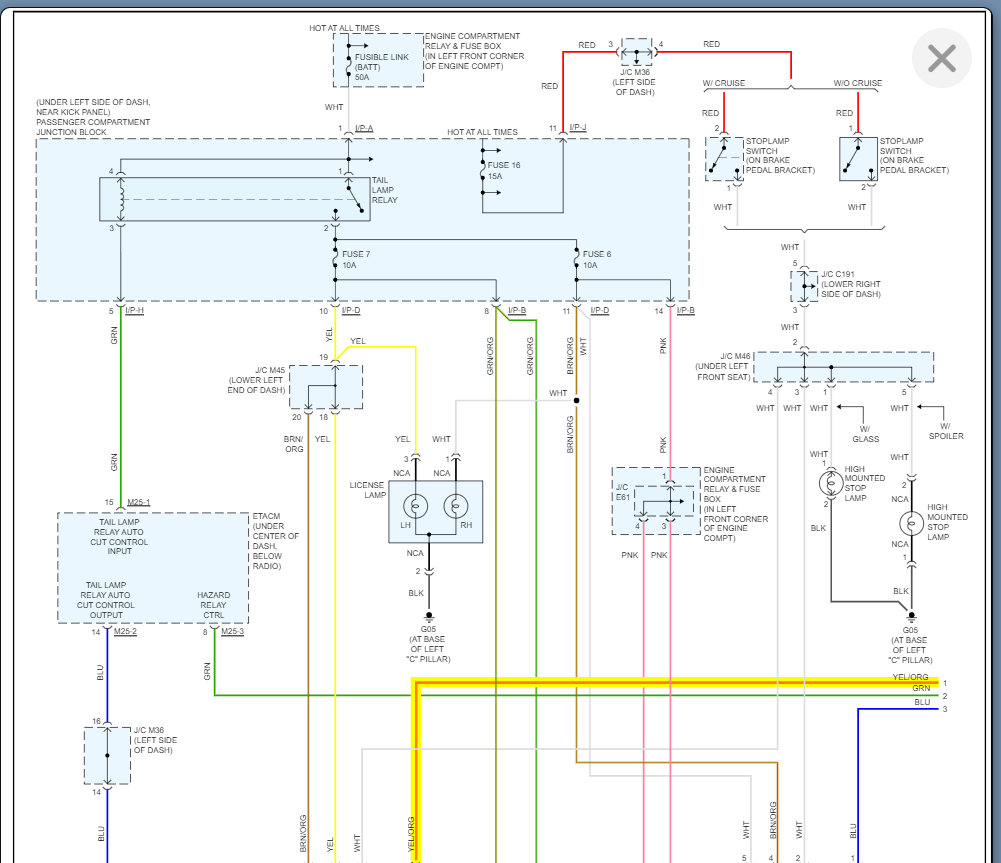
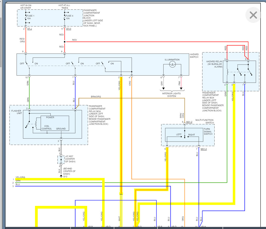
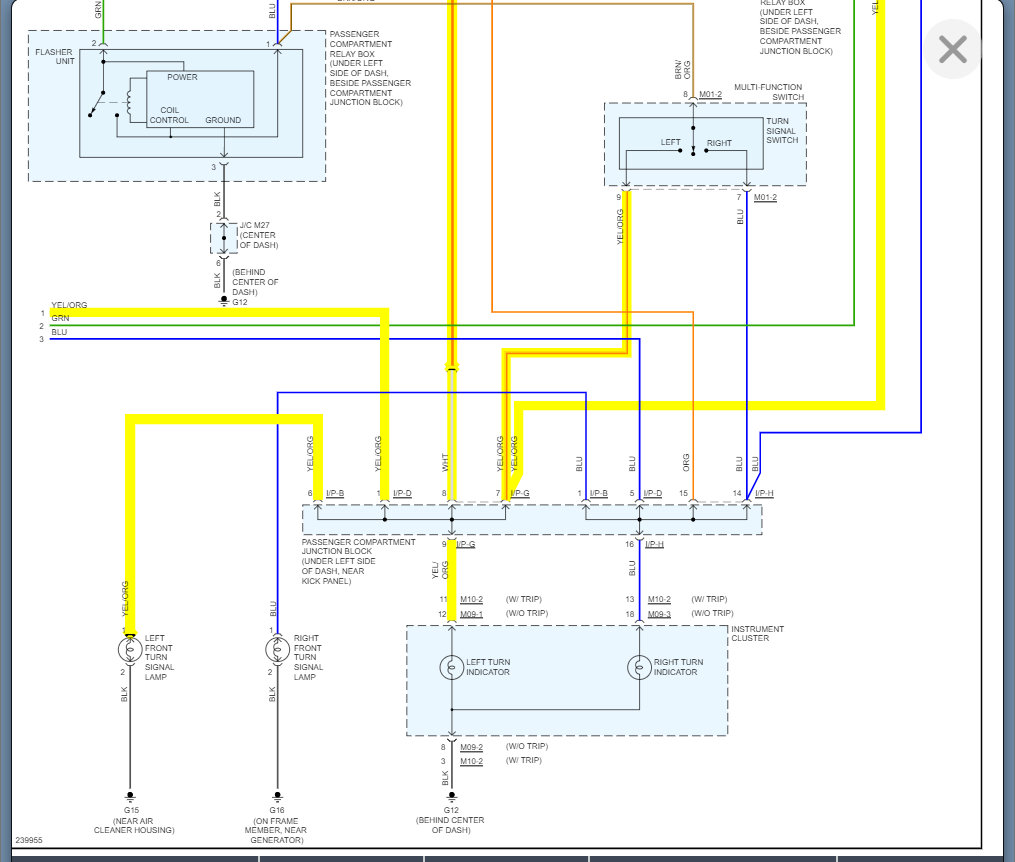
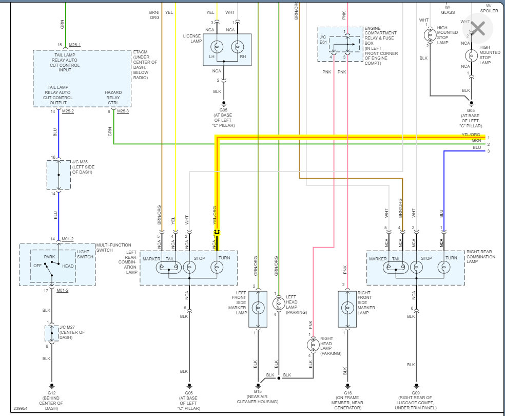
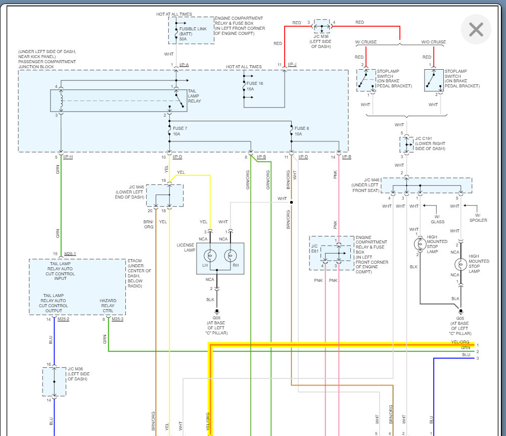
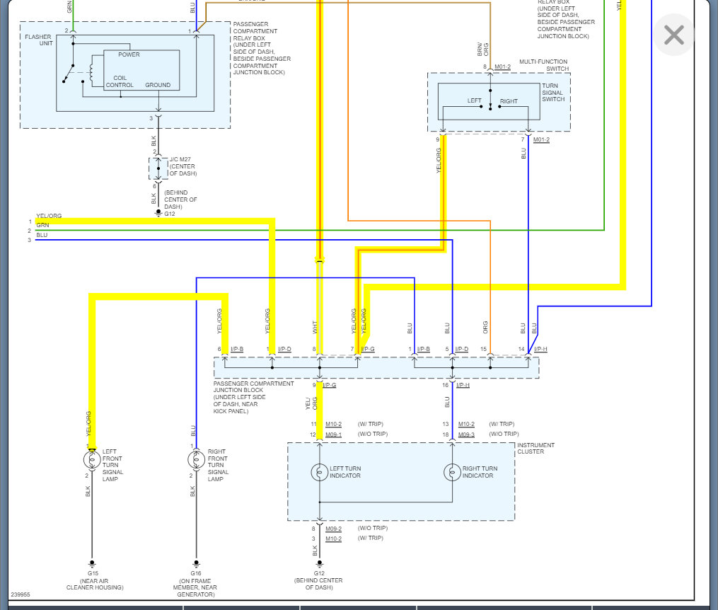
I attached the wiring diagrams below but I suspect we are going to have a connector issue on one of the connectors in the system.

Please let me know what you find, or questions and we can go from there.

Thanks
Jan 28, 2022 at 2:04 PM
Avatar
KIETH SALYER
  • MEMBER
  • 9 POSTS
Hey, my name is Keith Sawyer with a blinker issue. I have a computer hooked up to my car right now I'm going to take a picture and show you what it says. It says that malfunction indicator light control circuit. I have no clue what that is or where that is. Can you guys please help me? I would appreciate that. thank you
Feb 7, 2022 at 7:38 PM
Advertisement
Avatar
KASEKENNY
  • CERTIFIED EXPERT
  • 18,907 POSTS
That is good info and will give us a direction to start. I am not sure this is going to be the issue that you have with the lights, but it could lead us to a wiring issue that is going to be related.

Basically, this code is telling you that the PCM is to turn on the indicator in the dash to check and make sure it works. If it doesn't then it sets this code.

I attached the testing below for you to run through. Please let us know what you find with this. However, if this does not lead us to a wiring issue related to the headlights, then we are going to have to get a new post started for this issue as we need to keep each one related to one topic.

Thanks
Feb 8, 2022 at 9:05 AM